norelem uses cookies to optimally design and continually improve the website. By continuing to use this website, you agree to the use of cookies. You can find more information about cookies in our Data protection declaration.okay
Profile slider with clamping lever
10449

Profile slider with clamping lever

go back

Item description/product images

Show/filter all items
DescriptionMaterial:Body: die-cast zinc.
Slide elements: plastic POM.
Attachment parts: electro zinc-plated steel.
O-ring: EPDM.
Clamping lever: fibreglass reinforced plastic.
Clamping lever mechanics: steel
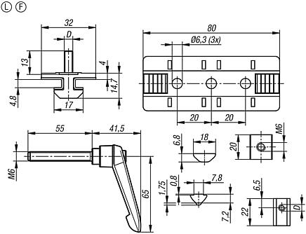
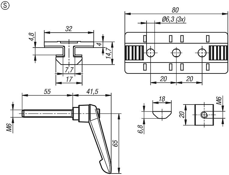
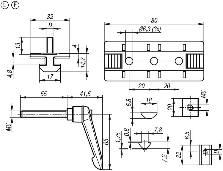
Note:Metal profile slider with clipped-on plastic slide element. With an additional clamping lever for clamping the carriage system. Profile sliders enable low-wear linear movement of type I aluminium profiles with 8 mm slots. The absence of lubrication makes the system extremely insensitive to dirt.

The maximum permissible load for a profile slider is Fmax. = 50 N. The retaining force at a maximum tightening torque of 15 Nm is 600 N.

Slide guides with several slide carriages must be designed as a combination of fixed bearing (Form F) and floating bearing (Form L). This compensates for form tolerances and ensures light movement.

Form S: A set for connecting any add-on elements.

Form L: A set to use as a floating bearing.

Form F: A set to use as a fixed bearing.
Assembly:The M6x55 clamping lever is designed for assembling two 40 mm aluminium profiles.

If smaller profiles are used, the clamping lever thread must be shortened accordingly.

Example:
40 mm square profile + 20 mm square profile: Shorten the thread to 35 mm.
40 mm square profile + 10 mm panel element: Shorten the thread to 25 mm.

The clamping levers are also available separately under the number 06610.
Supplied withForm S: Profile slider with slide elements.
2x DIN 439 B M6 hex nuts.
1x M6x55 clamping lever with DIN 9021 6.4 mm washer and special M6 slot key for 8 mm slots.

Form L: Profile slider with slide elements.
2x ISO 7380 - M5x25 panhead screws.
2x DIN 3771 - 5x1,5 O-rings.
2x M5 slot keys for 8mm slots.
1x M6x55 clamping lever with DIN 9021 6.4 mm washer and special M6 slot key for 8 mm slots.

Form F: Profile slider with slide elements.
2x ISO 7380 M6x25 panhead screws.
2x DIN 3771 5x1,5 O-rings.
2x M6 slot keys for 8 mm slots.
1x M6x55 clamping lever with DIN 9021 6.4 mm washer and special M6 slot key for 8 mm slots.
Special features:
RoHS
DownloadHere is all the information as a PDF datasheet:

Are you looking for CAD data? These can be found directly in the product table.
 Datasheet 10449 Profile slider with clamping lever 631 kB

Drawings (total overview)

Profile slider with clamping lever

Profile slider
with clamping lever, Form S, standard

More information

Drawings

Profile slider
with clamping lever, Form S, standard

Item selection/filter

Order No.

FormForm definitionCADAcc.PriceOrder
10449-1001Sstandard on request

Profile slider
with clamping lever, Form L, floating bearing

More information

Drawings

Profile slider
with clamping lever, Form L, floating bearing

Item selection/filter

Order No.FormForm definitionD

CADAcc.PriceOrder
10449-2051Lfloating bearingM5 on request

Profile slider
with clamping lever, Form F, fixed bearing

More information

Drawings

Profile slider
with clamping lever, Form F, fixed bearing

Item selection/filter

Order No.FormForm definitionD

CADAcc.PriceOrder
10449-3061Ffixed bearingM6 on request
My norelemE-mailPassword
Shopping cart
Number of items: 0
Amount: 0.00  
shopping cart
欢迎扫描二维码
咨询诺瑞朗官方客服微信
China
苏ICP备20011289号-1  苏公网安备32058502011222 Sitemap Print Recommended Top
Copyright © 2025 norelem. All rights reserved. Tel. +49 71 45/206-44 to 45 · Fax +49 71 45/206-83