|
|
|
10500Eccentric clamp modules |
go back |
|
|
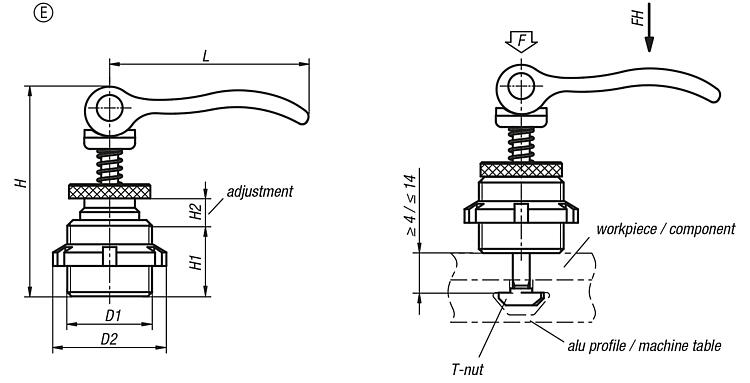
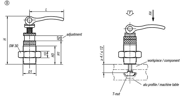
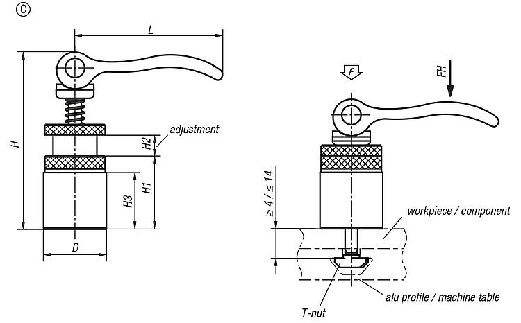
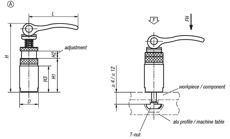
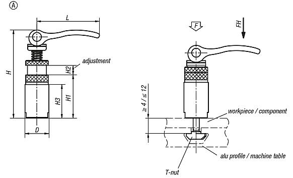
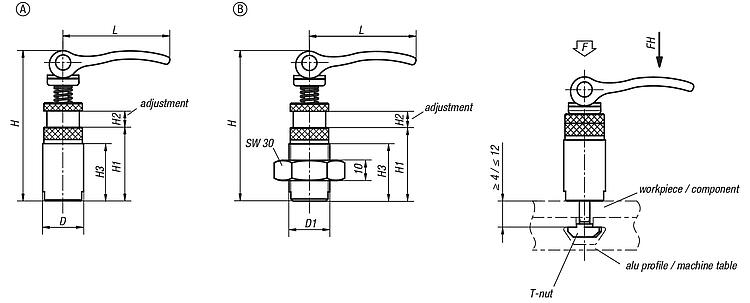
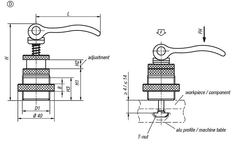
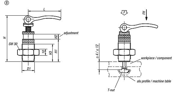
DescriptionMaterial:Body steel. Cam levers cast aluminium.Version:Body black oxidised. T-nut electro zinc-plated. Cam levers black powder coated. Note:The clamp module is inserted into the T-slot from above and secured using the cam lever, no other tools required.Advantages:The eccentric clamp modules can be used on conventional aluminium profile systems or on T-slot tables as stops, fasteners or clamps for components and workpieces. Special features: DownloadHere is all the information as a PDF datasheet:
Are you looking for CAD data? These can be found directly in the product table.
|
Drawings (total overview) |
| Order No. | Form | D | H | H1 | H2 | H3 | L | suitable for slot width | Clamping force F (kN) | Hand force FH N | CAD | Acc. | Price | Order |
|---|
| 10500-00200808 | A | 20 | 73,5 | 36 | 8 | 28 | 52,3 | 8 | 2,5 | 100 |  | | on request | |
|
| Order No. | Form | D1 | H | H1 | H2 | H3 | L | suitable for slot width | Clamping force F (kN) | Hand force FH N | CAD | Acc. | Price | Order |
|---|
| 10500-10200808 | B | M20x1,5 | 73,5 | 36 | 8 | 28 | 52,3 | 8 | 2,5 | 100 |  | | on request | |
|
|
| Order No. | Form | D | D1 | D2 | H | H1 | H2 | H3 | L | suitable for slot width | Clamping force F (kN) | Hand force FH N | CAD | Acc. | Price | Order |
|---|
| 10500-31301008 | D | - | M30x2 | 40 | 84,6 | 35 | 10 | 25 | 70,4 | 8 | 4 | 120 |  | | on request | |
|
| Order No. | Form | D1 | D2 | H | H1 | H2 | L | suitable for slot width | Clamping force F (kN) | Hand force FH N | CAD | Acc. | Price | Order |
|---|
| 10500-41150706 | E | M15X1 | 25 | 39 | 14 | 7 | 35 | 6 | 1,5 | 90 |  | | on request | | | 10500-41200908 | E | M20X1 | 32 | 50 | 18 | 9 | 52 | 8 | 2,5 | 100 |  | | on request | |
|
Other items in this category |
|
|