|
|
|
12021-15Swivel flanges for ISO 15552 / 21287 |
go back |
|
Item description/product images |
|
|
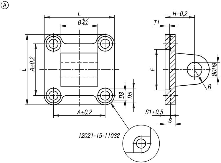
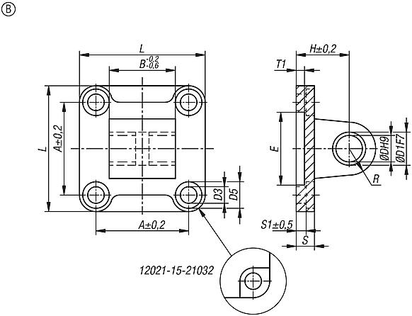
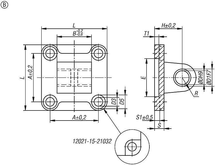
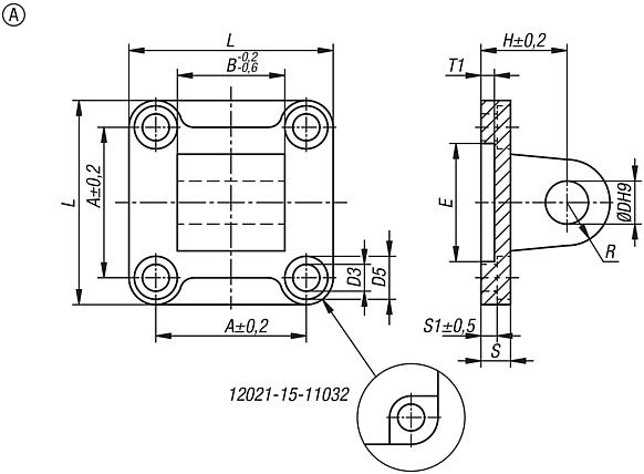
DescriptionMaterial:Hinge brackets aluminium. Plain bearing sintered steel with Teflon. Screws steel.Version:Hinge bracket bright. Screws electro zinc-plated.Note:Swivel flange for DIN ISO 15552 and DIN ISO 21287 standard and compact cylinders. This swivel flange is used for pivot mounting of pneumatic cylinders.
Mounted on the bottom (end cover).
Form A: Standard. Form B: With sintered bronze plain bearing.Supplied with1 swivel flange. 4 cap screws.Special features: DownloadHere is all the information as a PDF datasheet:
Are you looking for CAD data? These can be found directly in the product table.
|
Drawings (total overview) |
Other items in this category |
|
|