norelem uses cookies to optimally design and continually improve the website. By continuing to use this website, you agree to the use of cookies. You can find more information about cookies in our Data protection declaration.okay

Item description/product images

DescriptionMaterial:Body and flange plate EN AW-5754.
Guide shafts steel
Version:Body, hard-coated
Flange plates, anodised.
Guide shaft, hardened.
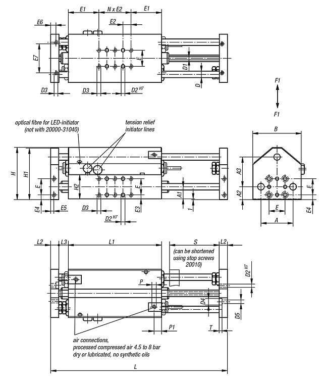
Note:Maintenance-free pneumatic linear modules with three precision steel shafts and ball guide bushing with wipers. Double acting cylinder drive. All fastening threads have threaded inserts. The as accessory available shock absorbers and proximity switches can be integrated (no protruding edges). Positive fit construction for hundred per cent reproducibility. Combinations in all sizes and stroke variants are feasible without adapter plates.
Repeat accuracies of ±0.01 mm are possible.
Specified loads apply by centred carriages.
Temperature range:+5 °C up to +80 °COn request:Available with locking cartridge as stroke deviation safeguard.Special features:
RoHS
DownloadHere is all the information as a PDF datasheet:

Are you looking for CAD data? These can be found directly in the product table.
 Datasheet 20000 Linear modules pneumatic with three round guides 288 kB
 Technical information for pneumatic linear modules with round guides 1,7 MB

Drawings

Linear modules pneumatic with three round guides

Overview of items (compressed)

Item selection/filter
Order No.SizeAA1A2A3BDD1D2D3D4D5EE1E2E3E4E5E6E7Travel
S
CADAcc.PriceOrder
20000-3104014015163760844M484,520381056493640  on request
20000-3106014015163760844M484,520381056493660  on request
20000-3108014015163760844M484,520381056493680  on request
20000-3110014015163760844M484,5203810564936100  on request
20000-32060255202150821265M5105,5304515565115060  on request
20000-32090255202150821265M5105,5304515565115090  on request
20000-32120255202150821265M5105,53045155651150120  on request
20000-32150255202150821265M5105,53045155651150150  on request
20000-331003702526621001686M6116,6405020566147080  on request
20000-331203702526621001686M6116,64050205661470120  on request
20000-331603702526621001686M6116,64050205661470160  on request
20000-332003702526621001686M6116,64050205661470200  on request
20000-351205104383993150251210M1018116072308981796120  on request
20000-351805104383993150251210M1018116072308981796180  on request
20000-352405104383993150251210M1018116072308981796240  on request
20000-353005104383993150251210M1018116072308981796300  on request
Order No.SizeHH1H2LL1L2L3N
(number)
PP1TF1 max.
kN
Piston
force at
6 bar (N)
Cylinder
Ø
Air consumption
per cycle at
6 bar (ccm)
CADAcc.PriceOrder
20000-3104016564301809612102M59,330,381001611,3  on request
20000-31060165643022011612104M59,330,261001617  on request
20000-31080165643026013612106M59,330,181001622,6  on request
20000-31100165643030015612108M59,330,1251001628,3  on request
20000-32060286854025412016212G1/89,95,70,612502556  on request
20000-32090286854031415016214G1/89,95,70,352502584  on request
20000-32120286854037418016216G1/89,95,70,2425025112  on request
20000-32150286854043421016218G1/89,95,70,1625025140  on request
20000-3310031071065030014020202G1/89,550,8440732118  on request
20000-3312031071065038018020204G1/89,550,5240732178  on request
20000-3316031071065046022020206G1/89,550,3240732236  on request
20000-3320031071065054026020208G1/89,550,240732295  on request
20000-3512051591587642020425232G1/41471,0866040354,6  on request
20000-3518051591587654026425234G1/41470,766040531,8  on request
20000-3524051591587666032425236G1/41470,4866040709,1  on request
20000-3530051591587678038425238G1/41470,3666040886,4  on request
My norelemE-mailPassword
Shopping cart
Number of items: 0
Amount: 0.00  
shopping cart
欢迎扫描二维码
咨询诺瑞朗官方客服微信
China
苏ICP备20011289号-1  苏公网安备32058502011222 Sitemap Print Recommended Top
Copyright © 2025 norelem. All rights reserved. Tel. +49 71 45/206-44 to 45 · Fax +49 71 45/206-83