norelem uses cookies to optimally design and continually improve the website. By continuing to use this website, you agree to the use of cookies. You can find more information about cookies in our Data protection declaration.okay

Item description/product images

Show/filter all items
DescriptionMaterial:Housing plastic
Raceways ball bearing steel.
Balls steel.
Note:The linear ball bearings correspond to the self-aligning series 3 of ISO 10285. With double-sided seal. These bearings consist of high precision injection moulded plastic housings in which ball bearing steel raceway segments are clipped in. The plastic housing serves simultaneously for recycling and as seal retainer. The seal consists of a special polyamide material with a low coefficient of friction. The bearing is secured with DIN 471/472 circlips.

Recommended tolerances:
Shaft: h6
Housing: H7

Linear ball bearings with double-sided seal should be greased before installation.

The specified load ratings apply with the use of hardened and ground shafts.
Special features:
RoHS
DownloadHere is all the information as a PDF datasheet:

Are you looking for CAD data? These can be found directly in the product table.
 Datasheet 21510 Linear ball bearingsself-aligning 203 kB

Drawings (total overview)

Linear ball bearingsself-aligning

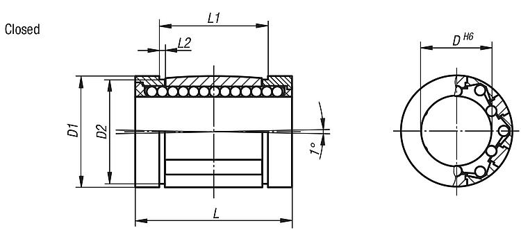
Linear ball bearings with angle error adjustment, closed

More information

Drawings

Linear ball bearings with angle error adjustment, closed

Item selection/filter

Order No.Version

DD1D2LL1L2Dynamic
load rating
N
Static
load rating
N
CADAcc.PriceOrder
21510-1602closed162624,93624,61,310201120 on request
21510-2002closed203230,34531,21,620202220 on request
21510-1202closed1222213222,61,3830910 on request
21510-2502closed254037,55843,71,8539504350 on request
21510-3002closed304744,56851,71,8548005280 on request
21510-4002closed4062598060,32,1582409060 on request
21510-5002closed50757210077,32,651206013270 on request

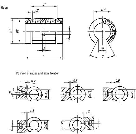
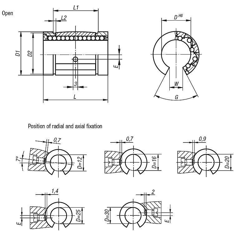
Linear ball bearings with angle error adjustment, open

More information

Drawings

Linear ball bearings with angle error adjustment, open

Item selection/filter

Order No.Version

DD1D2EGLL1L2WDynamic
load rating
N
Static
load rating
N
CADAcc.PriceOrder
21510-1612open162624,9068°3624,61,39,810201120 on request
21510-2012open203230,3055°4531,21,610,520202220 on request
21510-3012open304744,5257°6851,71,8515,348005280 on request
21510-1212open1222211,3566°3222,61,37830910 on request
21510-2512open254037,51,557°5843,71,851339504350 on request
21510-4012open406259058°8060,32,1521,482409060 on request
21510-5012open507572055°10077,32,65241206013270 on request
My norelemE-mailPassword
Shopping cart
Number of items: 0
Amount: 0.00  
shopping cart
欢迎扫描二维码
咨询诺瑞朗官方客服微信
China
苏ICP备20011289号-1  苏公网安备32058502011222 Sitemap Print Recommended Top
Copyright © 2025 norelem. All rights reserved. Tel. +49 71 45/206-44 to 45 · Fax +49 71 45/206-83