|
Item description/product images |
|
|
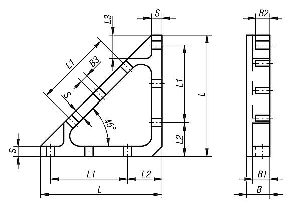
DescriptionMaterial:Aluminium alloy.Version:Milled and anodisedNote:Suitable for 21100, 21102, 21120, 21122, 21150, 21160, 21162 and 21180 in the respective size.Special features: DownloadHere is all the information as a PDF datasheet:
Are you looking for CAD data? These can be found directly in the product table.
|
| Order No. | B | B1 | B2 | B3 | L | L1 | L2 | L3 | S | CAD | Acc. | Price | Order |
|---|
| 21190-04 | 8 | 6 | 4,5 | 3,3 | 40 | 22 | 14,5 | 8 | 3 |  | | on request | | | 21190-08 | 12 | 10 | 8 | 4,5 | 58 | 36 | 17 | 11 | 4 |  | | on request | | | 21190-12 | 18 | 13,5 | 10,8 | 6,6 | 94 | 60 | 26,5 | 17,5 | 8 |  | | on request | | | 21190-25 | 25 | 20 | 15,5 | 11 | 180 | 130 | 35 | 31 | 15 |  | | on request | |
Other items in this category |
|
Swivel angle Pivot head on ball element at an angle of 30° and angle bracket |
|