|
|
|
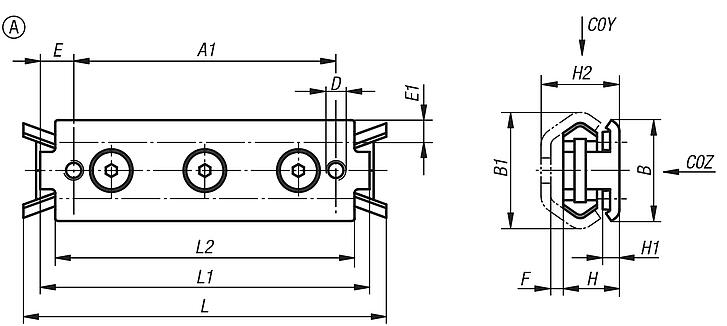
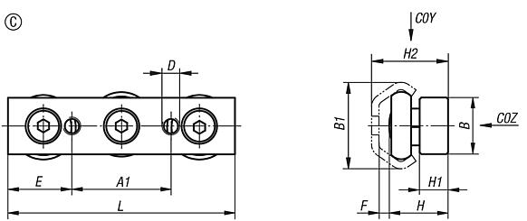
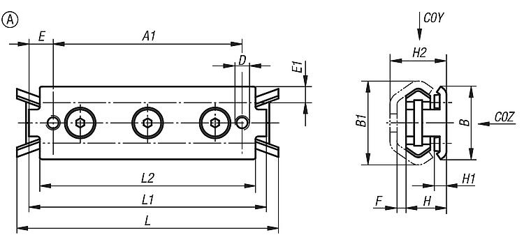
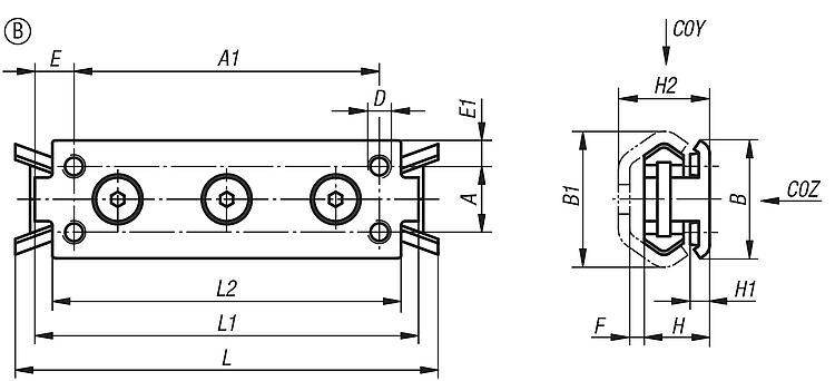
21320Roller carriages compact and heavy-duty version |
go back |
|
|
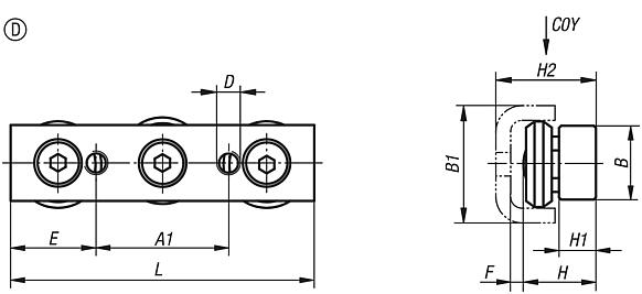
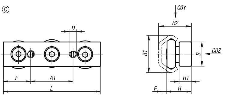
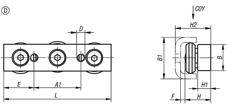
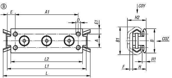
DescriptionMaterial:Steel.Version:Electro zinc-plated.Note:Roller carriage with low coefficient of friction, therefore very free-running. The roller journals are lifetime-lubricated and have a 2Z (dust cover) seal. By simply moving the centre cam roller, the roller carriage can adjusted to be play-free or under the desired initial tension in the rail. The compact version has a plastic stripper for cleaning the tracks.
Application temperature -30 °C to +120 °C.Special features: DownloadHere is all the information as a PDF datasheet:
Are you looking for CAD data? These can be found directly in the product table.
|
Drawings (total overview) |
| Order No. | Size | A1 | B | B1 | D | E | E1 | F | H | H1 | H2 | L | L1 | L2 | C0Y N | C0Z N | CAD | Acc. | Price | Order |
|---|
| 21320-120080 | 20 | 60 | 18 | 19,2 | M5 | 10 | 9 | 3 | 11,5 | 5,5 | 16 | 90 | 80 | 71 | 300 | 170 |  | | on request | |
|
| Order No. | Size | A | A1 | B | B1 | D | E | E1 | F | H | H1 | H2 | L | L1 | L2 | C0Y N | C0Z N | CAD | Acc. | Price | Order |
|---|
| 21320-130088 | 30 | 15 | 70 | 27 | 29,5 | M5 | 5 | 6 | 4 | 14,1 | 4,5 | 20,5 | 97 | 88 | 80 | 800 | 400 |  | | on request | | | 21320-145150 | 45 | 23 | 120 | 40 | 46,4 | M6 | 7,5 | 8,5 | 5 | 22 | 4 | 31 | 160 | 150 | 135 | 1600 | 860 |  | | on request | |
|
| Order No. | Size | A1 | B | B1 | D | E | F | H | H1 | H2 | L | C0Y N | C0Z N | CAD | Acc. | Price | Order |
|---|
| 21320-220060 | 20 | 20 | 10 | 19,2 | M5 | 20 | 2,6 | 13 | 6 | 17,8 | 60 | 326 | 185 |  | | on request | | | 21320-230080 | 30 | 35 | 20 | 29,5 | M6 | 22,5 | 3,3 | 20,7 | 10 | 26,5 | 80 | 870 | 435 |  | | on request | | | 21320-245120 | 45 | 55 | 25 | 46,4 | M8 | 32,5 | 5,1 | 28,9 | 12 | 38 | 120 | 1740 | 935 |  | | on request | |
|
| Order No. | Size | A1 | B | B1 | D | E | F | H | H1 | H2 | L | C0Y N | CAD | Acc. | Price | Order |
|---|
| 21320-330080 | 30 | 35 | 20 | 29,8 | M6 | 22,5 | 3,5 | 19,2 | 10 | 27,95 ±1,0 | 80 | 800 |  | | on request | | | 21320-345120 | 45 | 55 | 25 | 43,8 | M8 | 32,5 | 5 | 25,5 | 12 | 37,25 ±1,75 | 120 | 1600 |  | | on request | |
|
Other items in this category |
|
Roller guide rail Guide carriages and rails with rollers with low friction coefficient |
|