norelem uses cookies to optimally design and continually improve the website. By continuing to use this website, you agree to the use of cookies. You can find more information about cookies in our Data protection declaration.okay
Sprockets single 5/8“ x 3/8“ DIN ISO 606, ready to install
22250

Sprockets single 5/8“ x 3/8“ DIN ISO 606, ready to install

go back

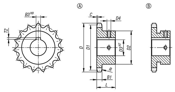
Item description/product images

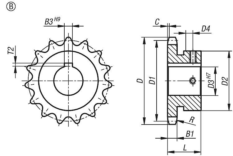
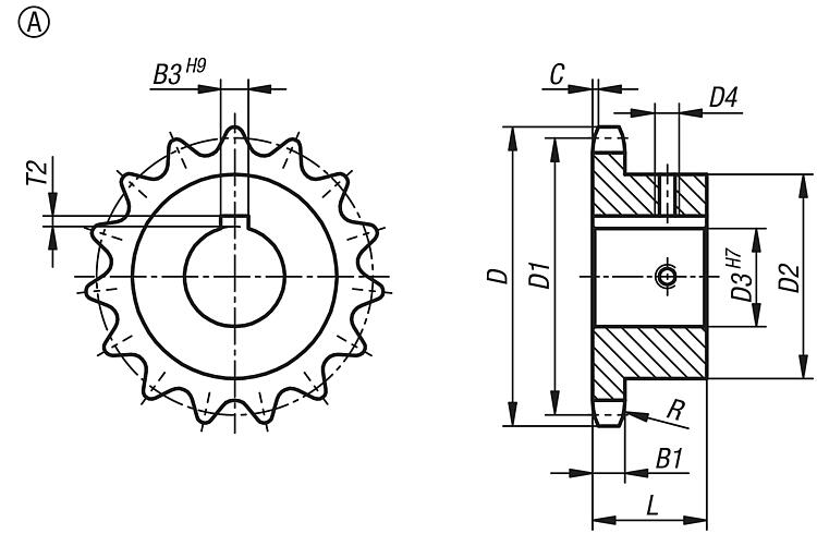
DescriptionMaterial:Steel C45.Version:Bright.
Teeth inductively hardened ~HRC 50.
Note:Ready to install sprockets with hub on one side for DIN ISO 606 roller chains. Teeth are milled and inductively hardened.
Keyway acc. to DIN 6885 / BS 4235. The keyway is aligned with the tooth tip.
With two grub screws. One tapped hole aligned with the keyway centre, the other offset by 90°.
Special features:
RoHS
DownloadHere is all the information as a PDF datasheet:

Are you looking for CAD data? These can be found directly in the product table.
 Datasheet 22250 Sprockets single 5/8“ x 3/8“ DIN ISO 606, ready to install 338 kB

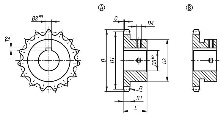
Drawings (total overview)

Sprockets single 5/8“ x 3/8“ DIN ISO 606, ready to install

Sprockets single 5/8" x 3/8" DIN ISO 606, ready to install Form A

More information

Drawings

Sprockets single 5/8" x 3/8" DIN ISO 606, ready to install Form A

Item selection/filter

Order No.

Form

ISO No.Pitch
inch
Pitch
mm
No. of
teeth
DD1D2D3D4B1B3LCRT2CADAcc.PriceOrder
22250-1058030801015A10 B-15/8 x 3/815,875 x 9,651058,351,373515M49,15251,6162,3 on request
22250-1058030801016A10 B-15/8 x 3/815,875 x 9,651058,351,373516M49,15251,6162,3 on request
22250-1058030801018A10 B-15/8 x 3/815,875 x 9,651058,351,373518M59,16251,6162,8 on request
22250-1058030801019A10 B-15/8 x 3/815,875 x 9,651058,351,373519M59,16251,6162,8 on request
22250-1058030801020A10 B-15/8 x 3/815,875 x 9,651058,351,373520M59,16251,6162,8 on request
22250-1058030801116A10 B-15/8 x 3/815,875 x 9,651163,256,343716M49,15301,6162,3 on request
22250-1058030801118A10 B-15/8 x 3/815,875 x 9,651163,256,343718M59,16301,6162,8 on request
22250-1058030801115A10 B-15/8 x 3/815,875 x 9,651163,256,343715M49,15301,6162,3 on request
22250-1058030801119A10 B-15/8 x 3/815,875 x 9,651163,256,343719M59,16301,6162,8 on request
22250-1058030801120A10 B-15/8 x 3/815,875 x 9,651163,256,343720M59,16301,6162,8 on request
22250-1058030801216A10 B-15/8 x 3/815,875 x 9,651268,261,344216M49,15301,6162,3 on request
22250-1058030801218A10 B-15/8 x 3/815,875 x 9,651268,261,344218M59,16301,6162,8 on request
22250-1058030801215A10 B-15/8 x 3/815,875 x 9,651268,261,344215M49,15301,6162,3 on request
22250-1058030801219A10 B-15/8 x 3/815,875 x 9,651268,261,344219M59,16301,6162,8 on request
22250-1058030801225A10 B-15/8 x 3/815,875 x 9,651268,261,344225M69,18301,6163,3 on request
22250-1058030801220A10 B-15/8 x 3/815,875 x 9,651268,261,344220M59,16301,6162,8 on request
22250-1058030801222A10 B-15/8 x 3/815,875 x 9,651268,261,344222M59,16301,6162,8 on request
22250-1058030801224A10 B-15/8 x 3/815,875 x 9,651268,261,344224M69,18301,6163,3 on request
22250-1058030801316A10 B-15/8 x 3/815,875 x 9,651373,266,324716M49,15301,6162,3 on request
22250-1058030801320A10 B-15/8 x 3/815,875 x 9,651373,266,324720M59,16301,6162,8 on request
22250-1058030801322A10 B-15/8 x 3/815,875 x 9,651373,266,324722M59,16301,6162,8 on request
22250-1058030801324A10 B-15/8 x 3/815,875 x 9,651373,266,324724M69,18301,6163,3 on request
22250-1058030801325A10 B-15/8 x 3/815,875 x 9,651373,266,324725M69,18301,6163,3 on request
22250-1058030801315A10 B-15/8 x 3/815,875 x 9,651373,266,324715M49,15301,6162,3 on request
22250-1058030801328A10 B-15/8 x 3/815,875 x 9,651373,266,324728M69,18301,6163,3 on request
22250-1058030801330A10 B-15/8 x 3/815,875 x 9,651373,266,324730M69,18301,6163,3 on request
22250-1058030801416A10 B-15/8 x 3/815,875 x 9,651478,271,345216M49,15301,6162,3 on request
22250-1058030801418A10 B-15/8 x 3/815,875 x 9,651478,271,345218M59,16301,6162,8 on request
22250-1058030801415A10 B-15/8 x 3/815,875 x 9,651478,271,345215M49,15301,6162,3 on request
22250-1058030801420A10 B-15/8 x 3/815,875 x 9,651478,271,345220M59,16301,6162,8 on request
22250-1058030801432A10 B-15/8 x 3/815,875 x 9,651478,271,345232M89,110301,6163,3 on request
22250-1058030801425A10 B-15/8 x 3/815,875 x 9,651478,271,345225M69,18301,6163,3 on request
22250-1058030801428A10 B-15/8 x 3/815,875 x 9,651478,271,345228M69,18301,6163,3 on request
22250-1058030801430A10 B-15/8 x 3/815,875 x 9,651478,271,345230M69,18301,6163,3 on request
22250-1058030801520A10 B-15/8 x 3/815,875 x 9,651583,276,365720M59,16301,6162,8 on request
22250-1058030801522A10 B-15/8 x 3/815,875 x 9,651583,276,365722M59,16301,6162,8 on request
22250-1058030801519A10 B-15/8 x 3/815,875 x 9,651583,276,365719M59,16301,6162,8 on request
22250-1058030801525A10 B-15/8 x 3/815,875 x 9,651583,276,365725M69,18301,6163,3 on request
22250-1058030801535A10 B-15/8 x 3/815,875 x 9,651583,276,365735M89,110301,6163,3 on request
22250-1058030801528A10 B-15/8 x 3/815,875 x 9,651583,276,365728M69,18301,6163,3 on request
22250-1058030801530A10 B-15/8 x 3/815,875 x 9,651583,276,365730M69,18301,6163,3 on request
22250-1058030801532A10 B-15/8 x 3/815,875 x 9,651583,276,365732M89,110301,6163,3 on request
22250-1058030801620A10 B-15/8 x 3/815,875 x 9,651688,381,376020M59,16301,6162,8 on request
22250-1058030801625A10 B-15/8 x 3/815,875 x 9,651688,381,376025M69,18301,6163,3 on request
22250-1058030801619A10 B-15/8 x 3/815,875 x 9,651688,381,376019M59,16301,6162,8 on request
22250-1058030801628A10 B-15/8 x 3/815,875 x 9,651688,381,376028M69,18301,6163,3 on request
22250-1058030801638A10 B-15/8 x 3/815,875 x 9,651688,381,376038M89,110301,6163,3 on request
22250-1058030801630A10 B-15/8 x 3/815,875 x 9,651688,381,376030M69,18301,6163,3 on request
22250-1058030801632A10 B-15/8 x 3/815,875 x 9,651688,381,376032M89,110301,6163,3 on request
22250-1058030801635A10 B-15/8 x 3/815,875 x 9,651688,381,376035M89,110301,6163,3 on request
22250-1058030801722A10 B-15/8 x 3/815,875 x 9,651793,386,396022M59,16301,6162,8 on request
22250-1058030801724A10 B-15/8 x 3/815,875 x 9,651793,386,396024M69,18301,6163,3 on request
22250-1058030801725A10 B-15/8 x 3/815,875 x 9,651793,386,396025M69,18301,6163,3 on request
22250-1058030801720A10 B-15/8 x 3/815,875 x 9,651793,386,396020M59,16301,6162,8 on request
22250-1058030801728A10 B-15/8 x 3/815,875 x 9,651793,386,396028M69,18301,6163,3 on request
22250-1058030801735A10 B-15/8 x 3/815,875 x 9,651793,386,396035M89,110301,6163,3 on request
22250-1058030801730A10 B-15/8 x 3/815,875 x 9,651793,386,396030M69,18301,6163,3 on request
22250-1058030801820A10 B-15/8 x 3/815,875 x 9,651898,391,426020M59,16301,6162,8 on request
22250-1058030801825A10 B-15/8 x 3/815,875 x 9,651898,391,427025M69,18301,6163,3 on request
22250-1058030801828A10 B-15/8 x 3/815,875 x 9,651898,391,427028M69,18301,6163,3 on request
22250-1058030801824A10 B-15/8 x 3/815,875 x 9,651898,391,427024M69,18301,6163,3 on request
22250-1058030801830A10 B-15/8 x 3/815,875 x 9,651898,391,427030M69,18301,6163,3 on request
22250-1058030801840A10 B-15/8 x 3/815,875 x 9,651898,391,427040M109,112301,6163,3 on request
22250-1058030801835A10 B-15/8 x 3/815,875 x 9,651898,391,427035M89,110301,6163,3 on request
22250-1058030801919A10 B-15/8 x 3/815,875 x 9,6519103,396,456019M59,16301,6162,8 on request
22250-1058030801920A10 B-15/8 x 3/815,875 x 9,6519103,396,456020M59,16301,6162,8 on request
22250-1058030801928A10 B-15/8 x 3/815,875 x 9,6519103,396,457028M69,18301,6163,3 on request
22250-1058030801930A10 B-15/8 x 3/815,875 x 9,6519103,396,457030M69,18301,6163,3 on request
22250-1058030801925A10 B-15/8 x 3/815,875 x 9,6519103,396,457025M69,18301,6163,3 on request
22250-1058030801935A10 B-15/8 x 3/815,875 x 9,6519103,396,457035M89,110301,6163,3 on request
22250-1058030801940A10 B-15/8 x 3/815,875 x 9,6519103,396,457040M109,112301,6163,3 on request
22250-1058030802019A10 B-15/8 x 3/815,875 x 9,6520108,4101,496519M59,16301,6162,8 on request
22250-1058030802020A10 B-15/8 x 3/815,875 x 9,6520108,4101,496520M59,16301,6162,8 on request
22250-1058030802022A10 B-15/8 x 3/815,875 x 9,6520108,4101,496522M59,16301,6162,8 on request
22250-1058030802024A10 B-15/8 x 3/815,875 x 9,6520108,4101,497024M69,18301,6163,3 on request
22250-1058030802025A10 B-15/8 x 3/815,875 x 9,6520108,4101,497025M69,18301,6163,3 on request
22250-1058030802030A10 B-15/8 x 3/815,875 x 9,6520108,4101,497530M69,18301,6163,3 on request
22250-1058030802042A10 B-15/8 x 3/815,875 x 9,6520108,4101,497542M109,112301,6163,3 on request
22250-1058030802035A10 B-15/8 x 3/815,875 x 9,6520108,4101,497535M89,110301,6163,3 on request
22250-1058030802040A10 B-15/8 x 3/815,875 x 9,6520108,4101,497540M109,112301,6163,3 on request
22250-1058030802120A10 B-15/8 x 3/815,875 x 9,6521113,4106,526520M59,16301,6162,8 on request
22250-1058030802125A10 B-15/8 x 3/815,875 x 9,6521113,4106,527025M69,18301,6163,3 on request
22250-1058030802130A10 B-15/8 x 3/815,875 x 9,6521113,4106,527530M69,18301,6163,3 on request
22250-1058030802140A10 B-15/8 x 3/815,875 x 9,6521113,4106,527540M109,112301,6163,3 on request
22250-1058030802220A10 B-15/8 x 3/815,875 x 9,6522118,4111,556520M59,16301,6162,8 on request
22250-1058030802225A10 B-15/8 x 3/815,875 x 9,6522118,4111,557025M69,18301,6163,3 on request
22250-1058030802235A10 B-15/8 x 3/815,875 x 9,6522118,4111,558035M89,110301,6163,3 on request
22250-1058030802240A10 B-15/8 x 3/815,875 x 9,6522118,4111,558040M109,112301,6163,3 on request
22250-1058030802230A10 B-15/8 x 3/815,875 x 9,6522118,4111,558030M69,18301,6163,3 on request
22250-1058030802242A10 B-15/8 x 3/815,875 x 9,6522118,4111,558042M109,112301,6163,3 on request
22250-1058030802320A10 B-15/8 x 3/815,875 x 9,6523123,5116,586520M59,16301,6162,8 on request
22250-1058030802322A10 B-15/8 x 3/815,875 x 9,6523123,5116,586522M59,16301,6162,8 on request
22250-1058030802325A10 B-15/8 x 3/815,875 x 9,6523123,5116,587025M69,18301,6163,3 on request
22250-1058030802330A10 B-15/8 x 3/815,875 x 9,6523123,5116,588030M69,18301,6163,3 on request
22250-1058030802335A10 B-15/8 x 3/815,875 x 9,6523123,5116,588035M89,110301,6163,3 on request
22250-1058030802340A10 B-15/8 x 3/815,875 x 9,6523123,5116,588040M109,112301,6163,3 on request
22250-1058030802420A10 B-15/8 x 3/815,875 x 9,6524128,5121,626520M59,16301,6162,8 on request
22250-1058030802422A10 B-15/8 x 3/815,875 x 9,6524128,5121,626522M59,16301,6162,8 on request
22250-1058030802424A10 B-15/8 x 3/815,875 x 9,6524128,5121,627024M69,18301,6163,3 on request
22250-1058030802425A10 B-15/8 x 3/815,875 x 9,6524128,5121,627025M69,18301,6163,3 on request
22250-1058030802430A10 B-15/8 x 3/815,875 x 9,6524128,5121,628030M69,18301,6163,3 on request
22250-1058030802435A10 B-15/8 x 3/815,875 x 9,6524128,5121,628035M89,110301,6163,3 on request
22250-1058030802440A10 B-15/8 x 3/815,875 x 9,6524128,5121,628040M109,112301,6163,3 on request
22250-1058030802519A10 B-15/8 x 3/815,875 x 9,6525133,6126,666519M59,16301,6162,8 on request
22250-1058030802522A10 B-15/8 x 3/815,875 x 9,6525133,6126,666522M59,16301,6162,8 on request
22250-1058030802520A10 B-15/8 x 3/815,875 x 9,6525133,6126,666520M59,16301,6162,8 on request
22250-1058030802525A10 B-15/8 x 3/815,875 x 9,6525133,6126,667025M69,18301,6163,3 on request
22250-1058030802528A10 B-15/8 x 3/815,875 x 9,6525133,6126,668028M69,18301,6163,3 on request
22250-1058030802530A10 B-15/8 x 3/815,875 x 9,6525133,6126,668030M69,18301,6163,3 on request
22250-1058030802540A10 B-15/8 x 3/815,875 x 9,6525133,6126,668040M109,112301,6163,3 on request

Sprockets single 5/8" x 3/8" DIN ISO 606, ready to install Form B

More information

Drawings

Sprockets single 5/8" x 3/8" DIN ISO 606, ready to install Form B

Item selection/filter

Order No.

Form

ISO No.Pitch
inch
Pitch
mm
No. of
teeth
DD1D2D3D4B1B3LCRT2CADAcc.PriceOrder
22250-1058030801024B10 B-15/8 x 3/815,875 x 9,651058,351,374224M69,18251,6163,3 on request
22250-1058030801125B10 B-15/8 x 3/815,875 x 9,651163,256,344725M69,18301,6163,3 on request
22250-1058030801124B10 B-15/8 x 3/815,875 x 9,651163,256,344724M69,18301,6163,3 on request
22250-1058030801128B10 B-15/8 x 3/815,875 x 9,651163,256,344728M69,18301,6163,3 on request
22250-1058030801228B10 B-15/8 x 3/815,875 x 9,651268,261,345128M69,18301,6163,3 on request
22250-1058030801230B10 B-15/8 x 3/815,875 x 9,651268,261,345130M69,18301,6163,3 on request
22250-1058030801232B10 B-15/8 x 3/815,875 x 9,651268,261,345532M89,110301,6163,3 on request
22250-1058030801332B10 B-15/8 x 3/815,875 x 9,651373,266,325732M89,110301,6163,3 on request
My norelemE-mailPassword
Shopping cart
Number of items: 0
Amount: 0.00  
shopping cart
欢迎扫描二维码
咨询诺瑞朗官方客服微信
China
苏ICP备20011289号-1  苏公网安备32058502011222 Sitemap Print Recommended Top
Copyright © 2025 norelem. All rights reserved. Tel. +49 71 45/206-44 to 45 · Fax +49 71 45/206-83