norelem uses cookies to optimally design and continually improve the website. By continuing to use this website, you agree to the use of cookies. You can find more information about cookies in our Data protection declaration.okay
Chain tensioner size 1, stainless steel 
with arched profile
22281-59

Chain tensioner size 1, stainless steel with arched profile

go back

Item description/product images

Show/filter all items
DescriptionMaterial:Outer housing and C-profile stainless steel.
Inner housing plastic.
Chain tensioner, ultra-high molecular polyethylene PE-UHMW.
Springs stainless steel.
Version:Outer housing bright.Note:Ready-to-install chain tensioner for low-noise, low-wear operation of ISO 606 roller chains. The robust stainless steel housing offers high durability, reliable operation and corrosion resistance.

Available with one tensioning force version and two models:
Type with strong spring force: 396 - 60 N.

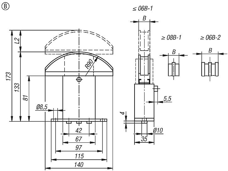
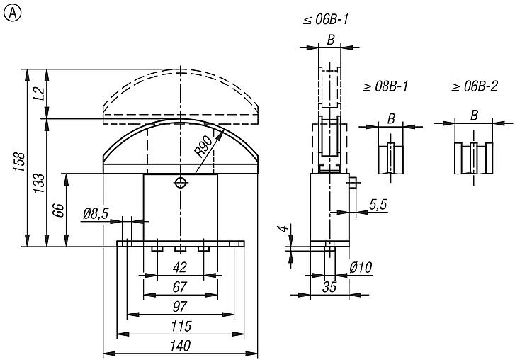
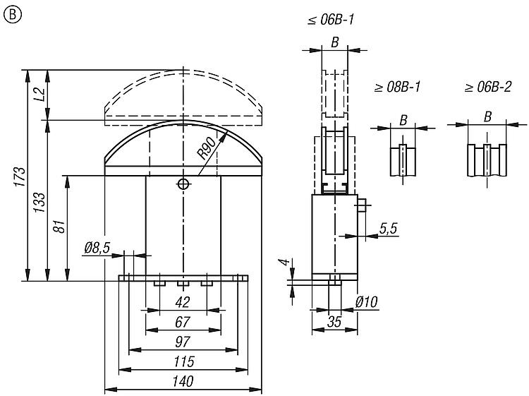
Form A: Short housing.
Form B: Long housing.
For applications with frequent direction changes, we recommend the chain tensioner with the long housing. We supply these exclusively with strong spring force.

Simple wear control with the three-colour wear indicator
green: ok
yellow: still ok
red: insufficient spring travel. The chain tensioner needs to be readjusted. The chain must be replaced when the range of all adjustment options no longer ensures sufficient readjustment.
Temperature range:-20 °C to +60 °C (briefly up to +80 °C).Assembly:The ideal mounting location is directly behind the drive sprocket, so that the length of the slack side being tensioned is kept as short as possible. Several chain links should be in contact to minimise wear.
The size 1 chain tensioner is supplied in a locked state. Only after installation are the locking screws on the springs of the clamping core released. The middle of the three locking screws is loosened with approx. four turns. The other two springs are only released if required.
Accessory:Angle brackets 22281-90.Special features:
Stainless steelRoHS
DownloadHere is all the information as a PDF datasheet:

Are you looking for CAD data? These can be found directly in the product table.
 Datasheet 22281-59 Chain tensioner size 1, stainless steel with arched profile 257 kB

Drawings (total overview)

Chain tensioner size 1, stainless steel 
with arched profile

Chain tensioner size 1, stainless steel with arched profile, Form A

More information

Drawings

Chain tensioner size 1, stainless steel with arched profile, Form A

Item selection/filter

Order No.FormForm definitionSizeB

ISO No.Clamping force
1 spring released
(N)

Clamping force
2 spring released
(N)

Clamping force
3 spring released
(N)

Clamping
travel
L2
Division inchesMatching
angle bracket

CADAcc.PriceOrder
22281-59-10612AShort housing12006 B-1132-60264-120396-180403/8X7/3222281-90-20167 on request
22281-59-10812AShort housing12008 B-1132-60264-120396-180401/2X5/1622281-90-20167 on request
22281-59-11012AShort housing12010 B-1132-60264-120396-180405/8X3/822281-90-20167 on request
22281-59-11212AShort housing12012 B-1132-60264-120396-180403/4X7/1622281-90-20167 on request
22281-59-11612AShort housing12016 B-1132-60264-120396-180401X17mm22281-90-20167 on request
22281-59-12012AShort housing12020 B-1132-60264-120396-180401 1/4X3/422281-90-20167 on request
22281-59-10622AShort housing12006 B-2132-60264-120396-180403/8X7/3222281-90-20167 on request
22281-59-10822AShort housing12008 B-2132-60264-120396-180401/2X5/1622281-90-20167 on request
22281-59-11022AShort housing12510 B-2132-60264-120396-180405/8X3/822281-90-20167 on request
22281-59-11222AShort housing13012 B-2132-60264-120396-180403/4X7/1622281-90-20167 on request
22281-59-11622AShort housing14516 B-2132-60264-120396-180401X17mm22281-90-20167 on request
22281-59-10632AShort housing12506 B-3132-60264-120396-180403/8X7/3222281-90-20167 on request
22281-59-10832AShort housing13008 B-3132-60264-120396-180401/2X5/1622281-90-20167 on request
22281-59-11032AShort housing14010 B-3132-60264-120396-180405/8X3/822281-90-20167 on request
22281-59-11232AShort housing14512 B-3132-60264-120396-180403/4X7/1622281-90-20167 on request

Chain tensioner size 1, stainless steel with arched profile, Form B

More information

Drawings

Chain tensioner size 1, stainless steel with arched profile, Form B

Item selection/filter

Order No.FormForm definitionSizeB

ISO No.Clamping force
1 spring released
(N)

Clamping force
2 spring released
(N)

Clamping force
3 spring released
(N)

Clamping
travel
L2
Division inchesMatching
angle bracket

CADAcc.PriceOrder
22281-59-20612BLong housing12006 B-1132-60264-120396-180403/8X7/3222281-90-20167 on request
22281-59-20812BLong housing12008 B-1132-60264-120396-180401/2X5/1622281-90-20167 on request
22281-59-21012BLong housing12010 B-1132-60264-120396-180405/8X3/822281-90-20167 on request
22281-59-21212BLong housing12012 B-1132-60264-120396-180403/4X7/1622281-90-20167 on request
22281-59-21612BLong housing12016 B-1132-60264-120396-180401X17mm22281-90-20167 on request
22281-59-22012BLong housing12020 B-1132-60264-120396-180401 1/4X3/422281-90-20167 on request
22281-59-20622BLong housing12006 B-2132-60264-120396-180403/8X7/3222281-90-20167 on request
22281-59-20822BLong housing12008 B-2132-60264-120396-180401/2X5/1622281-90-20167 on request
22281-59-21022BLong housing12510 B-2132-60264-120396-180405/8X3/822281-90-20167 on request
22281-59-21222BLong housing13012 B-2132-60264-120396-180403/4X7/1622281-90-20167 on request
22281-59-21622BLong housing14516 B-2132-60264-120396-180401X17mm22281-90-20167 on request
22281-59-20632BLong housing12506 B-3132-60264-120396-180403/8X7/3222281-90-20167 on request
22281-59-20832BLong housing13008 B-3132-60264-120396-180401/2X5/1622281-90-20167 on request
22281-59-21032BLong housing14010 B-3132-60264-120396-180405/8X3/822281-90-20167 on request
22281-59-21232BLong housing14512 B-3132-60264-120396-180403/4X7/1622281-90-20167 on request
My norelemE-mailPassword
Shopping cart
Number of items: 0
Amount: 0.00  
shopping cart
欢迎扫描二维码
咨询诺瑞朗官方客服微信
China
苏ICP备20011289号-1  苏公网安备32058502011222 Sitemap Print Recommended Top
Copyright © 2025 norelem. All rights reserved. Tel. +49 71 45/206-44 to 45 · Fax +49 71 45/206-83