norelem uses cookies to optimally design and continually improve the website. By continuing to use this website, you agree to the use of cookies. You can find more information about cookies in our Data protection declaration.okay

Item description/product images

Show/filter all items
DescriptionMaterial:

Steel or stainless steel 1.4301.

Version:Steel powder coated.
Stainless steel bright.
Note:Angle bracket for easy mounting of the chain tensioner It offers additional flexibility for alignment and adjustment. The slotted holes enable easy readjustment when the usual tensioning range is exceeded. Misalignments can be compensated for by lateral adjustment.

Item number 22281-90-20000 is supplied with stainless steel fastening material (M6x40 cap screws, nuts and washers).
Special features:
RoHS
DownloadHere is all the information as a PDF datasheet:

Are you looking for CAD data? These can be found directly in the product table.
 Datasheet 22281-90 Angle brackets for chain tensioner 269 kB

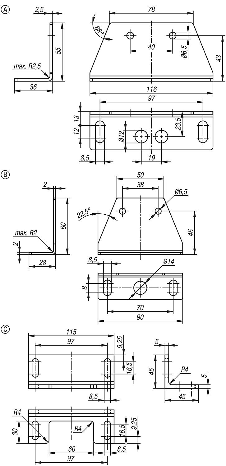
Drawings (total overview)

Angle brackets for chain tensioner

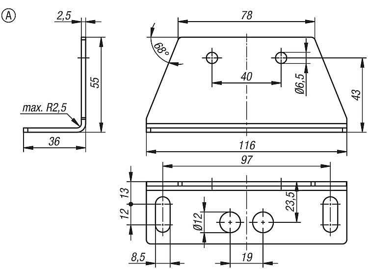
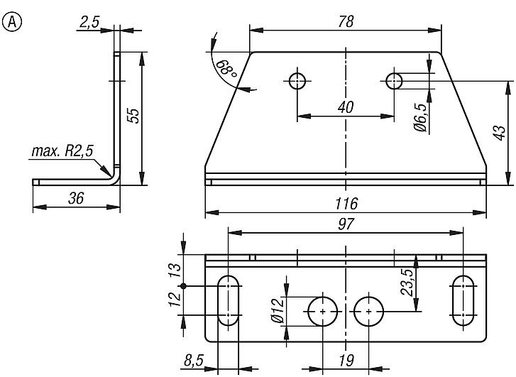
Angle brackets for chain tensioner, Form A

More information

Drawings

Angle brackets for chain tensioner, Form A

Item selection/filter

Order No.FormMain
material
Suitable for

CADAcc.PriceOrder
22281-90-29900Astainless steelKettenspanner TS on request

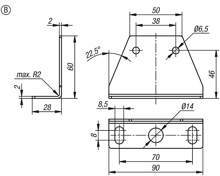
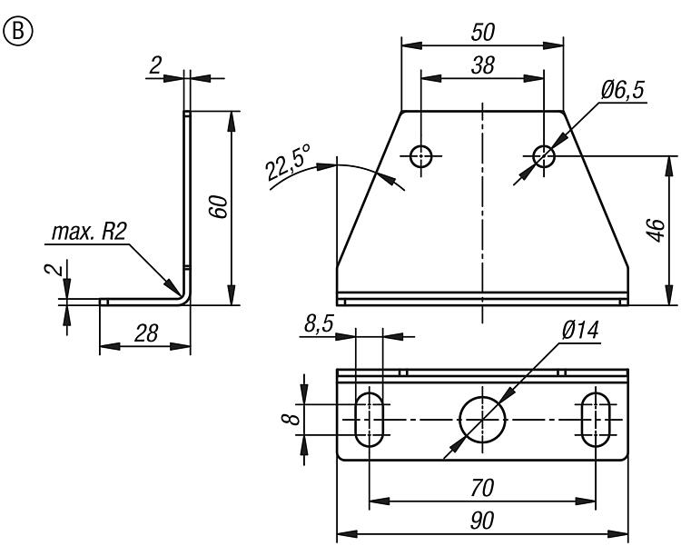
Angle brackets for chain tensioner, Form B

More information

Drawings

Angle brackets for chain tensioner, Form B

Item selection/filter

Order No.FormMain
material
Suitable for

CADAcc.PriceOrder
22281-90-20000Bstainless steelKettenspanner Gr. 0 on request

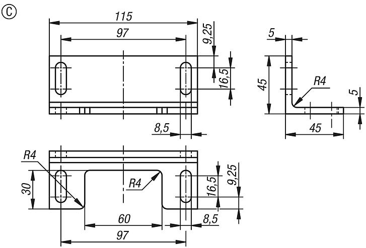
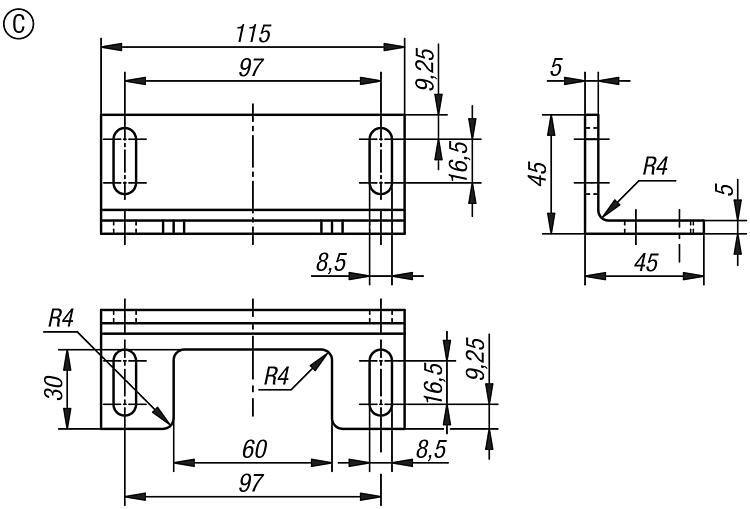
Angle brackets for chain tensioner, Form C

More information

Drawings

Angle brackets for chain tensioner, Form C

Item selection/filter

Order No.FormMain
material
Adjustment rangeSuitable for

CADAcc.PriceOrder
22281-90-10167Csteel67Kettenspanner Gr. 1 on request
22281-90-20167Cstainless steel67Kettenspanner Gr. 1 on request
My norelemE-mailPassword
Shopping cart
Number of items: 0
Amount: 0.00  
shopping cart
欢迎扫描二维码
咨询诺瑞朗官方客服微信
China
苏ICP备20011289号-1  苏公网安备32058502011222 Sitemap Print Recommended Top
Copyright © 2025 norelem. All rights reserved. Tel. +49 71 45/206-44 to 45 · Fax +49 71 45/206-83