norelem uses cookies to optimally design and continually improve the website. By continuing to use this website, you agree to the use of cookies. You can find more information about cookies in our Data protection declaration.okay
Glide rails PE-UHMW for roller chains DIN ISO 606 for C profiles
22282-05

Glide rails PE-UHMW for roller chains DIN ISO 606 for C profiles

go back

Item description/product images

DescriptionMaterial:Polyethylene PE-UHMW (ultra-high molecular weight polyethylene).Version:Green.Note:Glide rails for roller chains as defined in DIN ISO 606. These support and guide the roller chains on the return side, thus extending useful life by significantly reducing wear on the roller chains. They reduce vibrations and noise in the chain drive.

These glide rails have high abrasion and wear resistance. They are maintenance-free, acid-proof and have high chemical resistance.

The additional C profiles are used for fastening to the system substructure and they protect the glide rails from lateral forces and torsion.
Temperature range:-200 °C to +60 °C (briefly up to +80 °C).Assembly:The glide rails are pushed into the C profiles fastened to the system.

The glide rails must be mounted so that the material is allowed to expand. A property of thermoplastic materials is that they expand or contract more than metals when there are temperature variations.
Special features:
RoHS
DownloadHere is all the information as a PDF datasheet:

Are you looking for CAD data? These can be found directly in the product table.
 Datasheet 22282-05 Glide rails PE-UHMW for roller chains DIN ISO 606 for C profiles 400 kB

Drawings

Glide rails PE-UHMW for roller chains DIN ISO 606 for C profiles

Item selection/filter

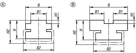
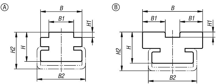
Order No.FormISO No.Division inchesB

B1B2HH1H2Lmatching
C-profile
CADAcc.PriceOrder
22282-05-0812010X2000A08 B-11/2X5/16207,424102,2112000C1 on request
22282-05-0811714X2000A08 B-11/2X5/16177,420142,2172000C3 on request
22282-05-1011714X2000A10 B-15/8X3/8179,320142,6172000C3 on request
22282-05-1212014X2000A12 B-13/4X7/162011,320142,4172000C3 on request
22282-05-1212414X2000A12 B-13/4X7/162411,328142,4182000C5 on request
22282-05-1612414X2000A16 B-11X17mm241628143,5182000C5 on request
22282-05-2012814X2000A20 B-11 1/4X3/4281828144,2182000C5 on request
22282-05-2413323X2000A24 B-11 1/2X1332438235,5302000C9 on request
22282-05-0822114X2000B08 B-21/2X5/1621,27,420142,2172000C3 on request
22282-05-1022514X2000B10 B-25/8X3/825,79,320142,6172000C3 on request
22282-05-1223015X2000B12 B-23/4X7/1630,711,328152,4202000C5 on request
22282-05-1624820X2000B16 B-21X17mm481638203,5272000C9 on request
22282-05-2025522X2000B20 B-21 1/4X3/4551860224,2302000C12 on request
22282-05-2427225X2000B24 B-21 1/2X1722460255,5352000C12 on request
My norelemE-mailPassword
Shopping cart
Number of items: 0
Amount: 0.00  
shopping cart
欢迎扫描二维码
咨询诺瑞朗官方客服微信
China
苏ICP备20011289号-1  苏公网安备32058502011222 Sitemap Print Recommended Top
Copyright © 2025 norelem. All rights reserved. Tel. +49 71 45/206-44 to 45 · Fax +49 71 45/206-83