|
|
|
23681-05Guide bushes with collar bronze, maintenance-free |
go back |
|
|
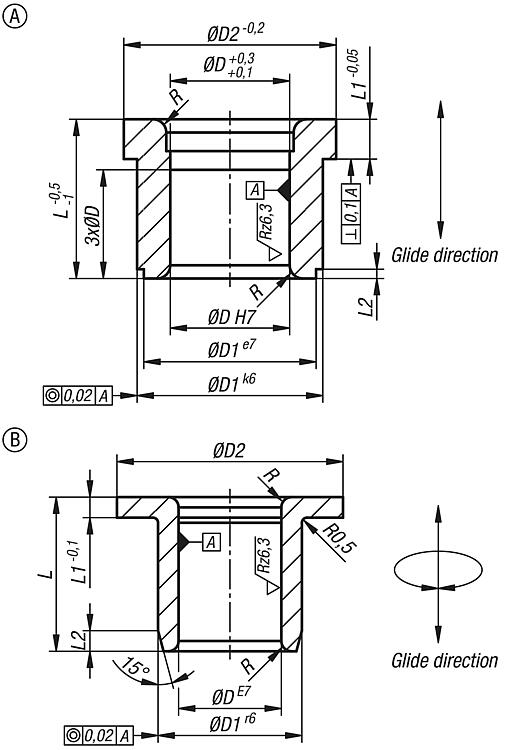
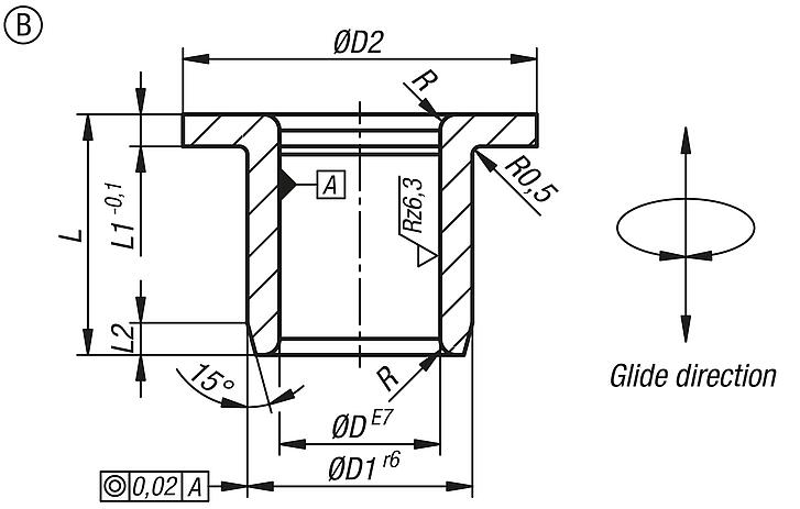
DescriptionMaterial:Bronze with graphite inserts.Version:Self-lubricating. Hardness 190-220 HBW.Note:The guide bushes can be used radially and axially. The slide elements are maintenance-free and wear-resistant. The graphite inserts provide lifetime lubrication.Technical data:Material properties: Base alloys: CuZn25Al5Mn4Fe3-C.
Density: 8.2 kg/dm³. Flexural fatigue strength: +/- 150 MPa. Modulus of elasticity: 120,000 N/mm². Coefficient of friction: 0.05 - 0.12. Max. speed: 0.5 m/s. Thermal conductivity: 50 W/(mK). Coefficient of thermal expansion: 18x10-6 K-1. Electrically conductive: 7-8 m/(Ω·m-1). Solid lubricant content: 20-25%. Static surface pressure: 50 N/mm². Dynamic surface pressure: 35 N/mm².Temperature range:Up to 230 °C.Accessory:Retaining clips.23682.Tolerances:The bore for the bearings should correspond to ISO tolerance H7.
The tolerance h6 to h7 is recommended for the shaft. DownloadHere is all the information as a PDF datasheet:
Are you looking for CAD data? These can be found directly in the product table.
|
Drawings (total overview) |
| Order No. | Form | D | D1 | D2 | L | L1 | L2 | R | CAD | Acc. | Price | Order |
|---|
| 23681-05-009014012 | A | 9 | 14 | 16 | 12 | 3 | 2 | 1 |  | | on request | | | 23681-05-009014017 | A | 9 | 14 | 16 | 17 | 3 | 2 | 1 |  | | on request | | | 23681-05-009014022 | A | 9 | 14 | 16 | 22 | 3 | 2 | 1 |  | | on request | | | 23681-05-009014027 | A | 9 | 14 | 16 | 27 | 3 | 2 | 1 |  | | on request | | | 23681-05-009014036 | A | 9 | 14 | 16 | 36 | 3 | 2 | 1 |  | | on request | | | 23681-05-010014012 | A | 10 | 14 | 16 | 12 | 3 | 2 | 1 |  | | on request | | | 23681-05-010014017 | A | 10 | 14 | 16 | 17 | 3 | 2 | 1 |  | | on request | | | 23681-05-010014022 | A | 10 | 14 | 16 | 22 | 3 | 2 | 1 |  | | on request | | | 23681-05-010014027 | A | 10 | 14 | 16 | 27 | 3 | 2 | 1 |  | | on request | | | 23681-05-010014036 | A | 10 | 14 | 16 | 36 | 3 | 2 | 1 |  | | on request | | | 23681-05-012018017 | A | 12 | 18 | 23 | 17 | 6 | 3 | 1,5 |  | | on request | | | 23681-05-012018022 | A | 12 | 18 | 23 | 22 | 6 | 3 | 1,5 |  | | on request | | | 23681-05-012018027 | A | 12 | 18 | 23 | 27 | 6 | 3 | 1,5 |  | | on request | | | 23681-05-012018036 | A | 12 | 18 | 23 | 36 | 6 | 3 | 1,5 |  | | on request | | | 23681-05-014020017 | A | 14 | 20 | 25 | 17 | 6 | 3 | 1,5 |  | | on request | | | 23681-05-014020022 | A | 14 | 20 | 25 | 22 | 6 | 3 | 1,5 |  | | on request | | | 23681-05-014020027 | A | 14 | 20 | 25 | 27 | 6 | 3 | 1,5 |  | | on request | | | 23681-05-014020036 | A | 14 | 20 | 25 | 36 | 6 | 3 | 1,5 |  | | on request | | | 23681-05-014020046 | A | 14 | 20 | 25 | 46 | 6 | 3 | 1,5 |  | | on request | | | 23681-05-014020056 | A | 14 | 20 | 25 | 56 | 6 | 3 | 1,5 |  | | on request | | | 23681-05-015020017 | A | 15 | 20 | 25 | 17 | 6 | 3 | 1,5 |  | | on request | | | 23681-05-015020022 | A | 15 | 20 | 25 | 22 | 6 | 3 | 1,5 |  | | on request | | | 23681-05-015020027 | A | 15 | 20 | 25 | 27 | 6 | 3 | 1,5 |  | | on request | | | 23681-05-015020036 | A | 15 | 20 | 25 | 36 | 6 | 3 | 1,5 |  | | on request | | | 23681-05-015020046 | A | 15 | 20 | 25 | 46 | 6 | 3 | 1,5 |  | | on request | | | 23681-05-015020056 | A | 15 | 20 | 25 | 56 | 6 | 3 | 1,5 |  | | on request | | | 23681-05-016022017 | A | 16 | 22 | 27 | 17 | 6 | 3 | 1,5 |  | | on request | | | 23681-05-016022022 | A | 16 | 22 | 27 | 22 | 6 | 3 | 1,5 |  | | on request | | | 23681-05-016022027 | A | 16 | 22 | 27 | 27 | 6 | 3 | 1,5 |  | | on request | | | 23681-05-016022036 | A | 16 | 22 | 27 | 36 | 6 | 3 | 1,5 |  | | on request | | | 23681-05-016022046 | A | 16 | 22 | 27 | 46 | 6 | 3 | 1,5 |  | | on request | | | 23681-05-016022056 | A | 16 | 22 | 27 | 56 | 6 | 3 | 1,5 |  | | on request | | | 23681-05-018026017 | A | 18 | 26 | 31 | 17 | 6 | 3 | 1,5 |  | | on request | | | 23681-05-018026022 | A | 18 | 26 | 31 | 22 | 6 | 3 | 1,5 |  | | on request | | | 23681-05-018026027 | A | 18 | 26 | 31 | 27 | 6 | 3 | 1,5 |  | | on request | | | 23681-05-018026036 | A | 18 | 26 | 31 | 36 | 6 | 3 | 1,5 |  | | on request | | | 23681-05-018026046 | A | 18 | 26 | 31 | 46 | 6 | 3 | 1,5 |  | | on request | | | 23681-05-018026056 | A | 18 | 26 | 31 | 56 | 6 | 3 | 1,5 |  | | on request | | | 23681-05-018026066 | A | 18 | 26 | 31 | 66 | 6 | 3 | 1,5 |  | | on request | | | 23681-05-020026017 | A | 20 | 26 | 31 | 17 | 6 | 3 | 1,5 |  | | on request | | | 23681-05-020026022 | A | 20 | 26 | 31 | 22 | 6 | 3 | 1,5 |  | | on request | | | 23681-05-020026027 | A | 20 | 26 | 31 | 27 | 6 | 3 | 1,5 |  | | on request | | | 23681-05-020026036 | A | 20 | 26 | 31 | 36 | 6 | 3 | 1,5 |  | | on request | | | 23681-05-020026046 | A | 20 | 26 | 31 | 46 | 6 | 3 | 1,5 |  | | on request | | | 23681-05-020026056 | A | 20 | 26 | 31 | 56 | 6 | 3 | 1,5 |  | | on request | | | 23681-05-020026066 | A | 20 | 26 | 31 | 66 | 6 | 3 | 1,5 |  | | on request | | | 23681-05-022030017 | A | 22 | 30 | 35 | 17 | 6 | 3 | 2 |  | | on request | | | 23681-05-022030022 | A | 22 | 30 | 35 | 22 | 6 | 3 | 2 |  | | on request | | | 23681-05-022030027 | A | 22 | 30 | 35 | 27 | 6 | 3 | 2 |  | | on request | | | 23681-05-022030036 | A | 22 | 30 | 35 | 36 | 6 | 3 | 2 |  | | on request | | | 23681-05-022030046 | A | 22 | 30 | 35 | 46 | 6 | 3 | 2 |  | | on request | | | 23681-05-022030056 | A | 22 | 30 | 35 | 56 | 6 | 3 | 2 |  | | on request | | | 23681-05-022030066 | A | 22 | 30 | 35 | 66 | 6 | 3 | 2 |  | | on request | | | 23681-05-022030076 | A | 22 | 30 | 35 | 76 | 6 | 3 | 2 |  | | on request | | | 23681-05-022030086 | A | 22 | 30 | 35 | 86 | 6 | 3 | 2 |  | | on request | | | 23681-05-024030017 | A | 24 | 30 | 35 | 17 | 6 | 3 | 2 |  | | on request | | | 23681-05-024030022 | A | 24 | 30 | 35 | 22 | 6 | 3 | 2 |  | | on request | | | 23681-05-024030027 | A | 24 | 30 | 35 | 27 | 6 | 3 | 2 |  | | on request | | | 23681-05-024030036 | A | 24 | 30 | 35 | 36 | 6 | 3 | 2 |  | | on request | | | 23681-05-024030046 | A | 24 | 30 | 35 | 46 | 6 | 3 | 2 |  | | on request | | | 23681-05-024030056 | A | 24 | 30 | 35 | 56 | 6 | 3 | 2 |  | | on request | | | 23681-05-024030066 | A | 24 | 30 | 35 | 66 | 6 | 3 | 2 |  | | on request | | | 23681-05-024030076 | A | 24 | 30 | 35 | 76 | 6 | 3 | 2 |  | | on request | | | 23681-05-024030086 | A | 24 | 30 | 35 | 86 | 6 | 3 | 2 |  | | on request | | | 23681-05-030042027 | A | 30 | 42 | 47 | 27 | 6 | 3 | 2 |  | | on request | | | 23681-05-030042036 | A | 30 | 42 | 47 | 36 | 6 | 3 | 2 |  | | on request | | | 23681-05-030042046 | A | 30 | 42 | 47 | 46 | 6 | 3 | 2 |  | | on request | | | 23681-05-030042056 | A | 30 | 42 | 47 | 56 | 6 | 3 | 2 |  | | on request | | | 23681-05-030042066 | A | 30 | 42 | 47 | 66 | 6 | 3 | 2 |  | | on request | | | 23681-05-030042076 | A | 30 | 42 | 47 | 76 | 6 | 3 | 2 |  | | on request | | | 23681-05-030042086 | A | 30 | 42 | 47 | 86 | 6 | 3 | 2 |  | | on request | | | 23681-05-030042096 | A | 30 | 42 | 47 | 96 | 6 | 3 | 2 |  | | on request | | | 23681-05-030042116 | A | 30 | 42 | 47 | 116 | 6 | 3 | 2 |  | | on request | | | 23681-05-032042027 | A | 32 | 42 | 47 | 27 | 6 | 3 | 2 |  | | on request | | | 23681-05-032042036 | A | 32 | 42 | 47 | 36 | 6 | 3 | 2 |  | | on request | | | 23681-05-032042046 | A | 32 | 42 | 47 | 46 | 6 | 3 | 2 |  | | on request | | | 23681-05-032042056 | A | 32 | 42 | 47 | 56 | 6 | 3 | 2 |  | | on request | | | 23681-05-032042066 | A | 32 | 42 | 47 | 66 | 6 | 3 | 2 |  | | on request | | | 23681-05-032042076 | A | 32 | 42 | 47 | 76 | 6 | 3 | 2 |  | | on request | | | 23681-05-032042086 | A | 32 | 42 | 47 | 86 | 6 | 3 | 2 |  | | on request | | | 23681-05-032042096 | A | 32 | 42 | 47 | 96 | 6 | 3 | 2 |  | | on request | | | 23681-05-032042116 | A | 32 | 42 | 47 | 116 | 6 | 3 | 2 |  | | on request | | | 23681-05-040054056 | A | 40 | 54 | 60 | 56 | 10 | 4 | 3 |  | | on request | | | 23681-05-040054066 | A | 40 | 54 | 60 | 66 | 10 | 4 | 3 |  | | on request | | | 23681-05-040054076 | A | 40 | 54 | 60 | 76 | 10 | 4 | 3 |  | | on request | | | 23681-05-040054086 | A | 40 | 54 | 60 | 86 | 10 | 4 | 3 |  | | on request | | | 23681-05-040054096 | A | 40 | 54 | 60 | 96 | 10 | 4 | 3 |  | | on request | | | 23681-05-040054116 | A | 40 | 54 | 60 | 116 | 10 | 4 | 3 |  | | on request | | | 23681-05-040054136 | A | 40 | 54 | 60 | 136 | 10 | 4 | 3 |  | | on request | | | 23681-05-040054156 | A | 40 | 54 | 60 | 156 | 10 | 4 | 3 |  | | on request | | | 23681-05-042054056 | A | 42 | 54 | 60 | 56 | 10 | 4 | 3 |  | | on request | | | 23681-05-042054066 | A | 42 | 54 | 60 | 66 | 10 | 4 | 3 |  | | on request | | | 23681-05-042054076 | A | 42 | 54 | 60 | 76 | 10 | 4 | 3 |  | | on request | | | 23681-05-042054086 | A | 42 | 54 | 60 | 86 | 10 | 4 | 3 |  | | on request | | | 23681-05-042054096 | A | 42 | 54 | 60 | 96 | 10 | 4 | 3 |  | | on request | | | 23681-05-042054116 | A | 42 | 54 | 60 | 116 | 10 | 4 | 3 |  | | on request | | | 23681-05-042054136 | A | 42 | 54 | 60 | 136 | 10 | 4 | 3 |  | | on request | | | 23681-05-042054156 | A | 42 | 54 | 60 | 156 | 10 | 4 | 3 |  | | on request | | | 23681-05-050066076 | A | 50 | 66 | 72 | 76 | 10 | 4 | 3 |  | | on request | | | 23681-05-050066086 | A | 50 | 66 | 72 | 86 | 10 | 4 | 3 |  | | on request | | | 23681-05-050066096 | A | 50 | 66 | 72 | 96 | 10 | 4 | 3 |  | | on request | | | 23681-05-050066116 | A | 50 | 66 | 72 | 116 | 10 | 4 | 3 |  | | on request | | | 23681-05-050066136 | A | 50 | 66 | 72 | 136 | 10 | 4 | 3 |  | | on request | | | 23681-05-050066156 | A | 50 | 66 | 72 | 156 | 10 | 4 | 3 |  | | on request | | | 23681-05-050066196 | A | 50 | 66 | 72 | 196 | 10 | 4 | 3 |  | | on request | | | 23681-05-060080096 | A | 60 | 80 | 86 | 96 | 20 | 4 | 3 |  | | on request | | | 23681-05-060080116 | A | 60 | 80 | 86 | 116 | 20 | 4 | 3 |  | | on request | | | 23681-05-060080136 | A | 60 | 80 | 86 | 136 | 20 | 4 | 3 |  | | on request | | | 23681-05-060080156 | A | 60 | 80 | 86 | 156 | 20 | 4 | 3 |  | | on request | | | 23681-05-060080196 | A | 60 | 80 | 86 | 196 | 20 | 4 | 3 |  | | on request | |
|
| Order No. | Form | D | D1 | D2 | L | L1 | L2 | R | CAD | Acc. | Price | Order |
|---|
| 23681-05-010014015 | B | 10 | 14 | 22 | 15 | 2 | 2 | 1 |  | | on request | | | 23681-05-010014020 | B | 10 | 14 | 22 | 20 | 2 | 2 | 1 |  | | on request | | | 23681-05-012018015 | B | 12 | 18 | 25 | 15 | 3 | 3 | 1 |  | | on request | | | 23681-05-012018020 | B | 12 | 18 | 25 | 20 | 3 | 3 | 1 |  | | on request | | | 23681-05-013019015 | B | 13 | 19 | 26 | 15 | 3 | 3 | 1,5 |  | | on request | | | 23681-05-013019020 | B | 13 | 19 | 26 | 20 | 3 | 3 | 1,5 |  | | on request | | | 23681-05-014020015 | B | 14 | 20 | 27 | 15 | 3 | 3 | 1,5 |  | | on request | | | 23681-05-014020020 | B | 14 | 20 | 27 | 20 | 3 | 3 | 1,5 |  | | on request | | | 23681-05-015021015 | B | 15 | 21 | 28 | 15 | 3 | 3 | 1,5 |  | | on request | | | 23681-05-015021020 | B | 15 | 21 | 28 | 20 | 3 | 3 | 1,5 |  | | on request | | | 23681-05-015021025 | B | 15 | 21 | 28 | 25 | 3 | 3 | 1,5 |  | | on request | | | 23681-05-016022015 | B | 16 | 22 | 29 | 15 | 3 | 3 | 1,5 |  | | on request | | | 23681-05-016022020 | B | 16 | 22 | 29 | 20 | 3 | 3 | 1,5 |  | | on request | | | 23681-05-016022025 | B | 16 | 22 | 29 | 25 | 3 | 3 | 1,5 |  | | on request | | | 23681-05-016022030 | B | 16 | 22 | 29 | 30 | 3 | 3 | 1,5 |  | | on request | | | 23681-05-020030015 | B | 20 | 30 | 40 | 15 | 5 | 3 | 1,5 |  | | on request | | | 23681-05-020030020 | B | 20 | 30 | 40 | 20 | 5 | 3 | 1,5 |  | | on request | | | 23681-05-020030030 | B | 20 | 30 | 40 | 30 | 5 | 3 | 1,5 |  | | on request | | | 23681-05-020030040 | B | 20 | 30 | 40 | 40 | 5 | 3 | 1,5 |  | | on request | | | 23681-05-025035020 | B | 25 | 35 | 45 | 20 | 5 | 3 | 2 |  | | on request | | | 23681-05-025035025 | B | 25 | 35 | 45 | 25 | 5 | 3 | 2 |  | | on request | | | 23681-05-025035030 | B | 25 | 35 | 45 | 30 | 5 | 3 | 2 |  | | on request | | | 23681-05-025035035 | B | 25 | 35 | 45 | 35 | 5 | 3 | 2 |  | | on request | | | 23681-05-025035040 | B | 25 | 35 | 45 | 40 | 5 | 3 | 2 |  | | on request | | | 23681-05-030040020 | B | 30 | 40 | 50 | 20 | 5 | 3 | 2 |  | | on request | | | 23681-05-030040025 | B | 30 | 40 | 50 | 25 | 5 | 3 | 2 |  | | on request | | | 23681-05-030040030 | B | 30 | 40 | 50 | 30 | 5 | 3 | 2 |  | | on request | | | 23681-05-030040035 | B | 30 | 40 | 50 | 35 | 5 | 3 | 2 |  | | on request | | | 23681-05-030040040 | B | 30 | 40 | 50 | 40 | 5 | 3 | 2 |  | | on request | | | 23681-05-030040050 | B | 30 | 40 | 50 | 50 | 5 | 3 | 2 |  | | on request | | | 23681-05-031040035 | B | 31,5 | 40 | 50 | 35 | 5 | 3 | 2 |  | | on request | | | 23681-05-035045025 | B | 35 | 45 | 60 | 25 | 5 | 4 | 2 |  | | on request | | | 23681-05-035045030 | B | 35 | 45 | 60 | 30 | 5 | 4 | 2 |  | | on request | | | 23681-05-035045040 | B | 35 | 45 | 60 | 40 | 5 | 4 | 2 |  | | on request | | | 23681-05-035045050 | B | 35 | 45 | 60 | 50 | 5 | 4 | 2 |  | | on request | | | 23681-05-040050030 | B | 40 | 50 | 65 | 30 | 5 | 4 | 2 |  | | on request | | | 23681-05-040050040 | B | 40 | 50 | 65 | 40 | 5 | 4 | 2 |  | | on request | | | 23681-05-040050050 | B | 40 | 50 | 65 | 50 | 5 | 4 | 2 |  | | on request | | | 23681-05-045055030 | B | 45 | 55 | 70 | 30 | 5 | 4 | 2 |  | | on request | | | 23681-05-045055040 | B | 45 | 55 | 70 | 40 | 5 | 4 | 2 |  | | on request | | | 23681-05-045055050 | B | 45 | 55 | 70 | 50 | 5 | 4 | 2 |  | | on request | | | 23681-05-045055060 | B | 45 | 55 | 70 | 60 | 5 | 4 | 2 |  | | on request | | | 23681-05-050060030 | B | 50 | 60 | 75 | 30 | 5 | 4 | 2 |  | | on request | | | 23681-05-050060040 | B | 50 | 60 | 75 | 40 | 5 | 4 | 2 |  | | on request | | | 23681-05-050060060 | B | 50 | 60 | 75 | 60 | 5 | 4 | 2 |  | | on request | | | 23681-05-055065040 | B | 55 | 65 | 80 | 40 | 5 | 4 | 2 |  | | on request | | | 23681-05-055065060 | B | 55 | 65 | 80 | 60 | 5 | 4 | 2 |  | | on request | | | 23681-05-060075040 | B | 60 | 75 | 90 | 40 | 7,5 | 4 | 3 |  | | on request | | | 23681-05-060075050 | B | 60 | 75 | 90 | 50 | 7,5 | 4 | 3 |  | | on request | | | 23681-05-060075080 | B | 60 | 75 | 90 | 80 | 7,5 | 4 | 3 |  | | on request | | | 23681-05-063075067 | B | 63 | 75 | 85 | 67,5 | 7,5 | 4 | 3 |  | | on request | | | 23681-05-070085050 | B | 70 | 85 | 105 | 50 | 7,5 | 4 | 3 |  | | on request | | | 23681-05-070085080 | B | 70 | 85 | 105 | 80 | 7,5 | 4 | 3 |  | | on request | | | 23681-05-075090060 | B | 75 | 90 | 110 | 60 | 7,5 | 4 | 3 |  | | on request | | | 23681-05-080100060 | B | 80 | 100 | 120 | 60 | 10 | 5 | 3 |  | | on request | | | 23681-05-080100080 | B | 80 | 100 | 120 | 80 | 10 | 5 | 3 |  | | on request | | | 23681-05-080100100 | B | 80 | 100 | 120 | 100 | 10 | 5 | 3 |  | | on request | | | 23681-05-090110060 | B | 90 | 110 | 130 | 60 | 10 | 5 | 3 |  | | on request | | | 23681-05-090110080 | B | 90 | 110 | 130 | 80 | 10 | 5 | 3 |  | | on request | | | 23681-05-100120080 | B | 100 | 120 | 150 | 80 | 10 | 5 | 3 |  | | on request | | | 23681-05-100120100 | B | 100 | 120 | 150 | 100 | 10 | 5 | 3 |  | | on request | | | 23681-05-120140080 | B | 120 | 140 | 170 | 80 | 10 | 5 | 3 |  | | on request | | | 23681-05-120140100 | B | 120 | 140 | 170 | 100 | 10 | 5 | 3 |  | | on request | |
|
Other items in this category |
|
|