norelem uses cookies to optimally design and continually improve the website. By continuing to use this website, you agree to the use of cookies. You can find more information about cookies in our Data protection declaration.okay

Item description/product images

DescriptionMaterial:Coupling part and claw in steel.
Nut (DIN 439) in steel, grade 8.8.
Version:Coupling part and flange tempered and phosphated.
Nut black oxidised.
Note:

Quick-fit couplings with radial offset compensation for multiple applications, e.g. as a link between a piston rod and a linear-movement unit. Assembly and disassembly of this simple, solid and two-part coupling is carried out by means of a T-slot; a manual re-adjustment is not necessary. The quick-fit coupling can be linked to all commonly used pneumatic and hydraulic cylinders via the connecting thread.

The quick-fit coupling does not transmit any torque.

Special features:
RoHS
DownloadHere is all the information as a PDF datasheet:

Are you looking for CAD data? These can be found directly in the product table.
 Datasheet 23450 Quick-fit couplings with radial offset compensation 238 kB

Drawings

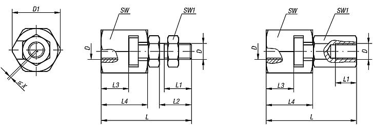
Quick-fit couplings with radial offset compensation

Item selection/filter

Order No.

Version

DD1LL1
min.
L2L3
min.
L4SWSW1radial offset
compensation
X max.
Max. permissible tensile
and compressive stress
kN
CADAcc.PriceOrder
23450-06internal threadM62137,511-91819100,62,5 on request
23450-08internal threadM8264513,5-11,522,524130,74,5 on request
23450-10internal threadM103056,215-162927170,76,5 on request
23450-101internal threadM10x1,253056,215-162927170,76,5 on request
23450-12internal threadM1232,566,717,5-173430190,810 on request
23450-121internal threadM12x1,2532,566,717,5-173430190,810 on request
23450-16internal threadM16398322-23423624118 on request
23450-161internal threadM16x1,5398322-23423624118 on request
23450-20internal threadM204493,525-23,545,54130130 on request
23450-201internal threadM20x1,54493,525-23,545,54130130 on request
23450-0614external threadM62137,5111491819100,62,5 on request
23450-0817external threadM8264513,51711,522,524130,74,5 on request
23450-1020external threadM103056,21620162927170,76,5 on request
23450-10201external threadM10x1,253056,21620162927170,76,5 on request
23450-1225external threadM1232,566,72125173430190,810 on request
23450-12251external threadM12x1,2532,566,72125173430190,810 on request
23450-1630external threadM163983253023423624118 on request
23450-16301external threadM16x1,53983253023423624118 on request
23450-2035external threadM204493,5293523,545,54130130 on request
23450-20351external threadM20x1,54493,5293523,545,54130130 on request
My norelemE-mailPassword
Shopping cart
Number of items: 0
Amount: 0.00  
shopping cart
欢迎扫描二维码
咨询诺瑞朗官方客服微信
China
苏ICP备20011289号-1  苏公网安备32058502011222 Sitemap Print Recommended Top
Copyright © 2025 norelem. All rights reserved. Tel. +49 71 45/206-44 to 45 · Fax +49 71 45/206-83