norelem uses cookies to optimally design and continually improve the website. By continuing to use this website, you agree to the use of cookies. You can find more information about cookies in our Data protection declaration.okay

Item description/product images

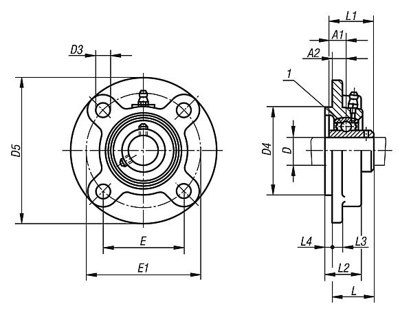
DescriptionMaterial:Housing, grey cast iron.
Bearing, ball-bearing steel 100Cr6.
Seal, rubber NBR.
Version:Housing, painted.Note:Pillow block bearings consist of a sealed single-row ball bearing with a spherical outer ring which is mounted in a housing. Because of the spherical outer surface of the bearing, shaft misalignment can be compensated for. The bearings are manufactured with a plus tolerance. This results in transition or press fits when using shafts with h-tolerances. The shaft is secured by grub screws on the inner ring.

In normal applications, pillow block bearings are maintenance-free due to the lifetime lubrication. In difficult environmental conditions re-lubrication can be carried out over the grease nipple.

All housing dimensions are nominal dimensions for which the usual casting tolerances must be taken into consideration.
Temperature range:-15 °C to +100 °C.Drawing reference:
1) ball bearing
Special features:
RoHS
DownloadHere is all the information as a PDF datasheet:

Are you looking for CAD data? These can be found directly in the product table.
 Datasheet 24212 Pillow block bearing flange type UCFC with centring hub 280 kB

Drawings

Pillow block bearing flange type UCFC with centring hub

Item selection/filter

Order No.BearingHousingD

A1A2D3D4D5EE1LL1L2L3L4αFastening
screw
CADAcc.PriceOrder
24212-20204UC 204FC 2042012,710126210055,17828,33120,57510°M10 on request
24212-25205UC 205FC 2052514,310127011563,69029,834217610°M10 on request
24212-30206UC 206FC 2063015,910128012570,710032,238,1238810°M10 on request
24212-35207UC 207FC 2073517,511149013577,811036,442,9269810°M12 on request
24212-40208UC 208FC 2084019111410014584,812041,249,22691010°M12 on request
24212-45209UC 209FC 2094519101610516093,313240,249,226141210°M14 on request
24212-50210UC 210FC 2105019101611016597,613842,651,628141210°M14 on request
24212-55211UC 211FC 2115522,21319125185106,115046,455,631151210°M16 on request
24212-60212UC 212FC 2126025,41719135195113,116056,765,136151210°M16 on request
My norelemE-mailPassword
Shopping cart
Number of items: 0
Amount: 0.00  
shopping cart
欢迎扫描二维码
咨询诺瑞朗官方客服微信
China
苏ICP备20011289号-1  苏公网安备32058502011222 Sitemap Print Recommended Top
Copyright © 2025 norelem. All rights reserved. Tel. +49 71 45/206-44 to 45 · Fax +49 71 45/206-83