|
|
|
26132Rubber-metal overhead element |
go back |
|
|
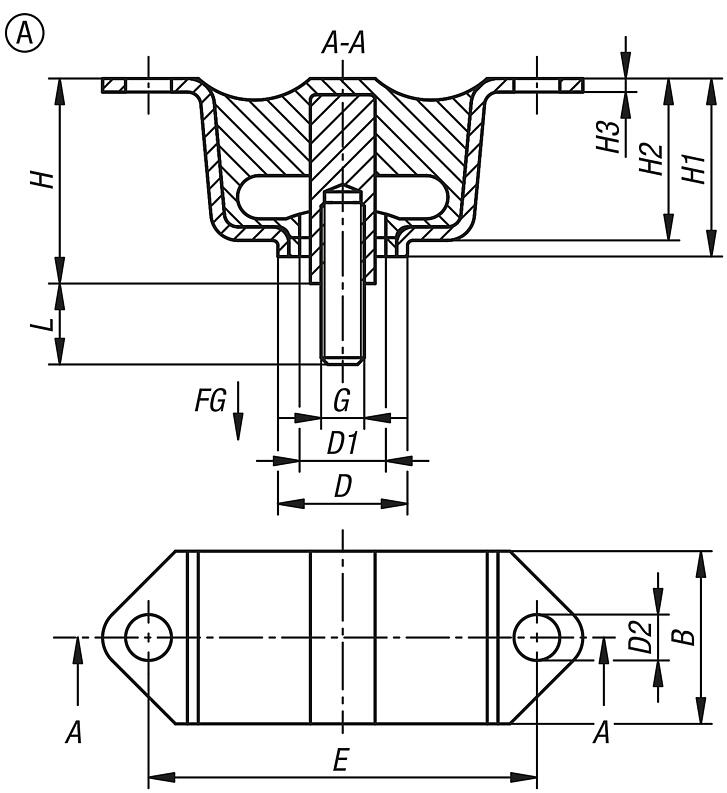
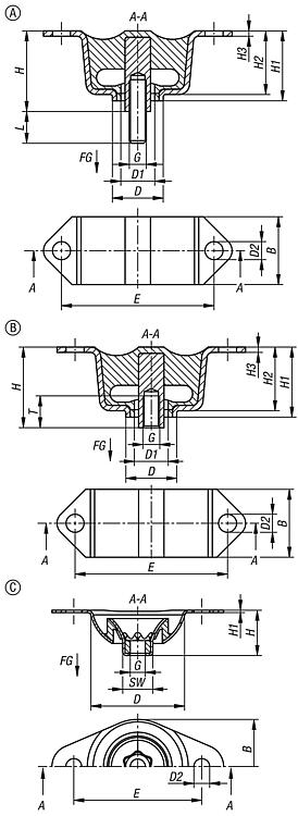
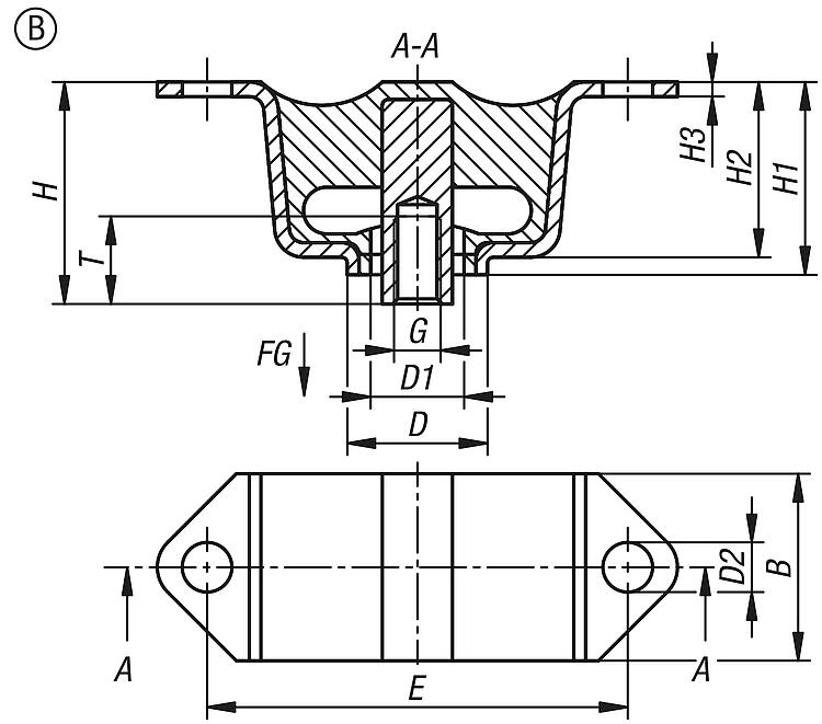
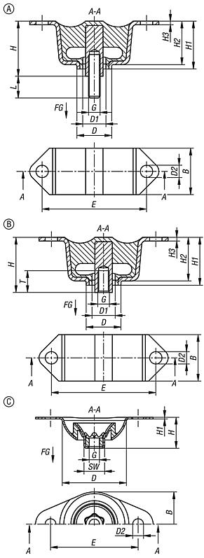
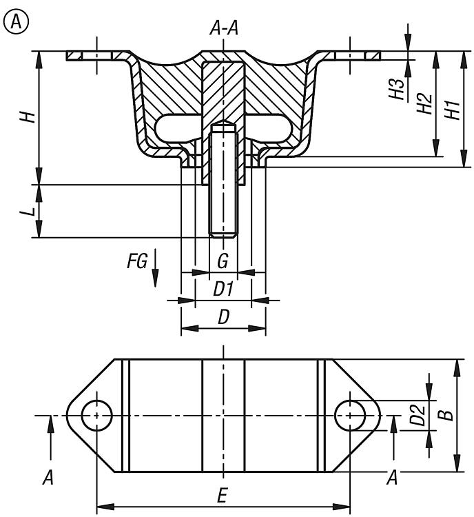
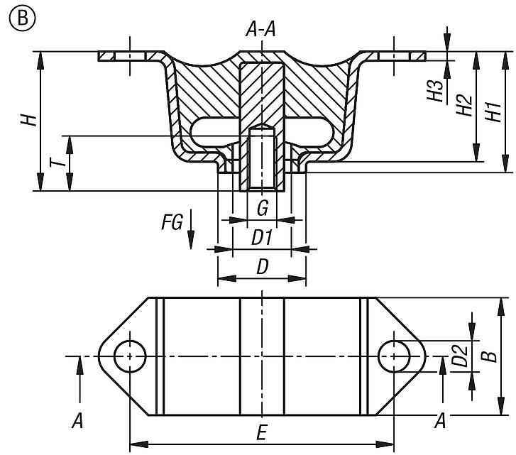
DescriptionMaterial:Steel. Natural rubber soft (Shore 45A), medium (Shore 60A), hard (Shore 70A).Version:Steel electro zinc-plated.Note:The rubber-metal overhead elements are suspension elements with built-in shear protection and are suitable for suspending lighting fixtures, apparatus and pipelines. These overhead elements can be subjected to tensile loads and smoothly absorb both impact and acceleration forces.Special features: DownloadHere is all the information as a PDF datasheet:
Are you looking for CAD data? These can be found directly in the product table.
|
Drawings (total overview) |
|
|
| Order No. | Form | Version 1 | B | D | D2 | E | G | H | H3 | SW | Shore grade | Load N | CAD | Acc. | Price | Order |
|---|
| 26132-01040 | C | internal thread | 62,5 | 63 | 10,5 | 85 | M10 | 30 | 1,5 | 21 | 40 | 250 |  | | on request | | | 26132-01060 | C | internal thread | 62,5 | 63 | 10,5 | 85 | M10 | 30 | 1,5 | 21 | 60 | 700 |  | | on request | |
|
Other items in this category |
|
|