norelem uses cookies to optimally design and continually improve the website. By continuing to use this website, you agree to the use of cookies. You can find more information about cookies in our Data protection declaration.okay

Item description/product images

Show/filter all items
DescriptionMaterial:

Plate die-cast zinc or stainless steel 1.4305.
Anti-slip plate thermoplastic elastomer.

Version:Die-cast zinc plate, black powder-coated.
Stainless steel plate, bright.
Note:

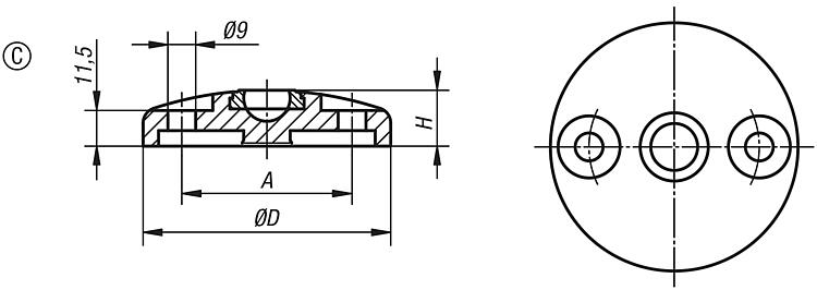
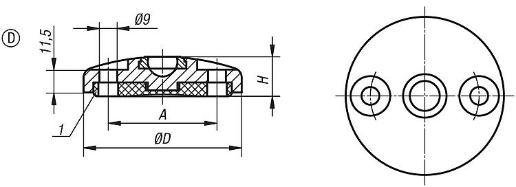
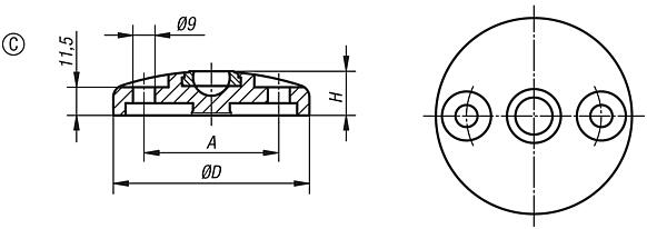
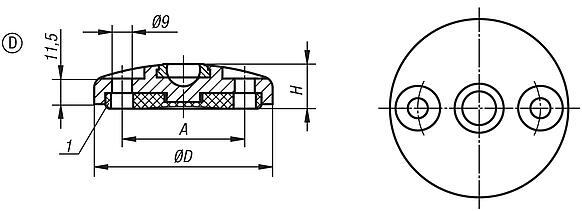
Swivel feet consist of a plate and a threaded spindle or ball joint. Any plate can be combined with any threaded spindle or ball joint. The anti-slip plate absorbs vibrations and prevents the swivel foot slipping.
For matching threaded spindles see 27810.
For matching ball joints see 27811.

Drawing reference:
Form A without screw-on hole, without anti-slip plate
Form B without screw-on hole, with anti-slip plate
Form C with screw-on hole (open), without anti-slip plate
Form D with screw-on hole (open), with anti-slip plate

1) From plate Ø 80
Special features:
 RoHS
DownloadHere is all the information as a PDF datasheet:

Are you looking for CAD data? These can be found directly in the product table.
 Datasheet 27801 Swivel feet plates die-cast zinc or stainless steel 182 kB
 Technical Information for swivel feet 141 kB

Drawings (total overview)

Swivel feet plates die-cast zinc or stainless steel

Swivel feet plates, Form A

More information

Drawings

Swivel feet plates, Form A

Item selection/filter

Order No.FormMain
material
D

AHLoad rating
max. kN
CADAcc.PriceOrder
27801-10301Azinc30-1820  on request
27801-10401Azinc40-1830  on request
27801-10451Azinc45-1830  on request
27801-10501Azinc50-1830  on request
27801-10601Azinc60-1830  on request
27801-10801Azinc80-1830  on request
27801-11001Azinc100-1835  on request
27801-11201Azinc120-1835  on request
27801-10302Astainless steel30-1820  on request
27801-10402Astainless steel40-1830  on request
27801-10452Astainless steel45-1830  on request
27801-10502Astainless steel50-1835  on request
27801-10602Astainless steel60-1835  on request
27801-10802Astainless steel80-1835  on request
27801-11002Astainless steel100-1840  on request
27801-11202Astainless steel120-1840  on request

Swivel feet plates, Form B

More information

Drawings

Swivel feet plates, Form B

Item selection/filter

Order No.FormMain
material
D

AHLoad rating
max. kN
CADAcc.PriceOrder
27801-20301Bzinc30-2020  on request
27801-20401Bzinc40-2030  on request
27801-20451Bzinc45-2030  on request
27801-20501Bzinc50-2030  on request
27801-20601Bzinc60-2030  on request
27801-20801Bzinc80-2030  on request
27801-21001Bzinc100-2035  on request
27801-21201Bzinc120-2035  on request
27801-20302Bstainless steel30-2020  on request
27801-20402Bstainless steel40-2030  on request
27801-20452Bstainless steel45-2030  on request
27801-20502Bstainless steel50-2035  on request
27801-20602Bstainless steel60-2035  on request
27801-20802Bstainless steel80-2035  on request
27801-21002Bstainless steel100-2040  on request
27801-21202Bstainless steel120-2040  on request

Swivel feet plates, Form C

More information

Drawings

Swivel feet plates, Form C

Item selection/filter

Order No.FormMain
material
DAHLoad rating
max. kN
CADAcc.PriceOrder
27801-30801Czinc80551830  on request
27801-31001Czinc100741835  on request
27801-31201Czinc120941835  on request
27801-30802Cstainless steel80551835  on request
27801-31002Cstainless steel100741840  on request
27801-31202Cstainless steel120941840  on request

Swivel feet plates, Form D

More information

Drawings

Swivel feet plates, Form D

Item selection/filter

Order No.FormMain
material
DAHLoad rating
max. kN
CADAcc.PriceOrder
27801-40801Dzinc80552030  on request
27801-41001Dzinc100742035  on request
27801-41201Dzinc120942035  on request
27801-40802Dstainless steel80552035  on request
27801-41002Dstainless steel100742040  on request
27801-41202Dstainless steel120942040  on request
My norelemE-mailPassword
Shopping cart
Number of items: 0
Amount: 0.00  
shopping cart
欢迎扫描二维码
咨询诺瑞朗官方客服微信
China
苏ICP备20011289号-1  苏公网安备32058502011222 Sitemap Print Recommended Top
Copyright © 2025 norelem. All rights reserved. Tel. +49 71 45/206-44 to 45 · Fax +49 71 45/206-83