|
|
|
27878-02Concealed hinges steel or stainless steel, folded edge 23 mm |
go back |
|
Item description/product images |
|
|
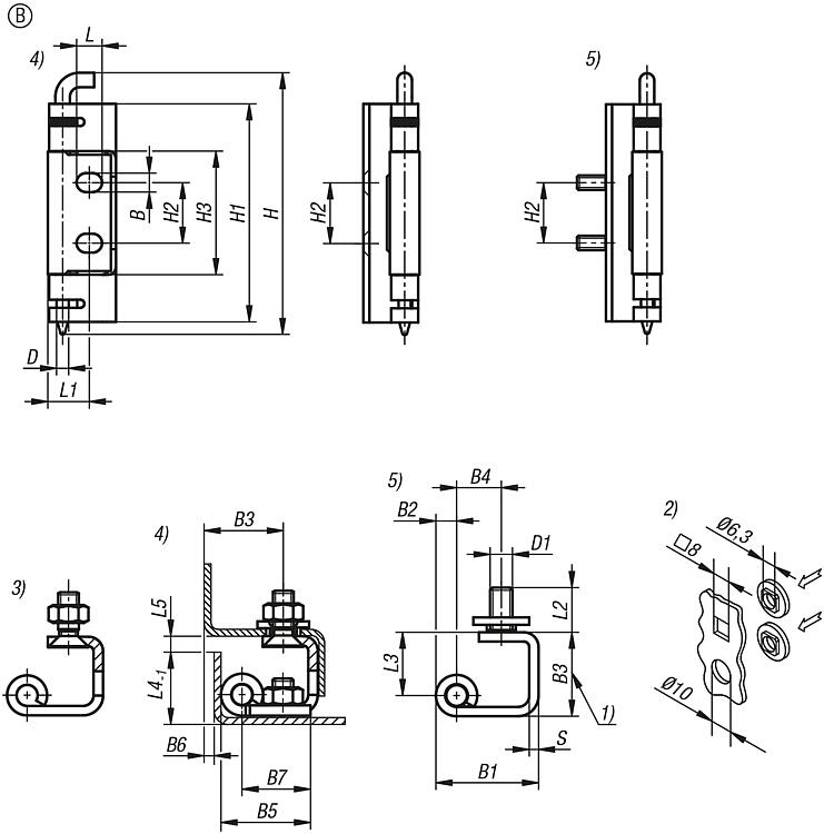
DescriptionProduct description:Concealed hinges are usually employed for functional or visual reasons. The hinge is mounted on the inside edge of the door and frame and is only visible when the door is open. Material:Version:Door part, frame part and pin steel, untreated or electro zinc-plated. Door part, frame part and pin bright stainless steel. Locking sleeve black.Note:For on-frame doors. Hinges not visible. Folded edge 23 mm. For right or left use. Opening angle 120°. Frame part for screwing on.
Form B: Captive pin with safety clip. Form B (stainless steel version): Fire safety tested with E60 rating as per DIN EN 45545-3.Application:- Machine and plant construction - Switchboxes and control housings - Medical and laboratory technology - Transport and conveyor systemsDrawing reference:1) Folded edge 2) Installation instructions for the retaining washer 3) With countersunk hole for M6 4) With countersunk hole for M6 + retaining washer 5) With M6 stud + locking washer 6) Pin version: without slot 7) Pin version: with slot incl. DIN 6799 retaining washer 8) Pin version: with slot incl. O-ring 9) Mounting of safety clip and hanging door section in frame section Special features: DownloadHere is all the information as a PDF datasheet:
Are you looking for CAD data? These can be found directly in the product table.
|
Drawings (total overview) |
Concealed hinges steel or stainless steel, folded edge 23 mm, Form A |
More information |
| Order No. | Form | Door part fastening | Pin version | Frame part version | Pin material | Version 2 | CAD | Acc. | Price | Order |
|---|
| 27878-02-01202112 | A | - | without slot | - | steel | without locking washer |  | | on request | | | 27878-02-01203112 | A | - | - | - | steel | without locking washer |  | | on request | | | 27878-02-01204112 | A | - | - | - | steel | without locking washer |  | | on request | | | 27878-02-01212112 | A | - | without slot | - | steel | with locking washer |  | | on request | | | 27878-02-01213112 | A | - | - | - | steel | with locking washer |  | | on request | | | 27878-02-01214112 | A | - | - | - | steel | with locking washer |  | | on request | | | 27878-02-01212122 | A | - | without slot | - | steel | with locking washer |  | | on request | | | 27878-02-01213122 | A | - | - | - | steel | with locking washer |  | | on request | | | 27878-02-01214122 | A | - | - | - | steel | with locking washer |  | | on request | | | 27878-02-01102111 | A | screw on | without slot | - | steel | without locking washer |  | | on request | | | 27878-02-01103111 | A | screw on | - | - | steel | without locking washer |  | | on request | | | 27878-02-01104111 | A | screw on | - | - | steel | without locking washer |  | | on request | | | 27878-02-01112111 | A | screw on | without slot | - | steel | with locking washer |  | | on request | | | 27878-02-01113111 | A | screw on | - | - | steel | with locking washer |  | | on request | | | 27878-02-01114111 | A | screw on | - | - | steel | with locking washer |  | | on request | | | 27878-02-01112121 | A | screw on | without slot | - | steel | with locking washer |  | | on request | | | 27878-02-01113121 | A | screw on | - | - | steel | with locking washer |  | | on request | | | 27878-02-01114121 | A | screw on | - | - | steel | with locking washer |  | | on request | | | 27878-02-11202313 | A | - | without slot | - | Stainless steel 1.4301 | without locking washer |  | | on request | | | 27878-02-11203213 | A | - | - | - | stainless steel 1.4305 | without locking washer |  | | on request | | | 27878-02-11204213 | A | - | - | - | stainless steel 1.4305 | without locking washer |  | | on request | | | 27878-02-11112313 | A | - | without slot | - | Stainless steel 1.4301 | with locking washer |  | | on request | | | 27878-02-11113213 | A | - | - | - | stainless steel 1.4305 | with locking washer |  | | on request | | | 27878-02-11114213 | A | - | - | - | stainless steel 1.4305 | with locking washer |  | | on request | | | 27878-02-11212323 | A | - | without slot | - | Stainless steel 1.4301 | with locking washer |  | | on request | | | 27878-02-11213223 | A | - | - | - | stainless steel 1.4305 | with locking washer |  | | on request | | | 27878-02-11214223 | A | - | - | - | stainless steel 1.4305 | with locking washer |  | | on request | |
| Order No. | Main material | Surface finish body | B | B1 | B2 | B3 | B4 | B5 | B6 | B7 | D | D1 | H | H1 | H2 | H3 | L | L1 | L2 | L3 | L4 | L5 | S | CAD | Acc. | Price | Order |
|---|
| 27878-02-01202112 | steel | untreated | 7,8 | 28 | 6 | 23 | 12 | 26 | 3 | 19,9 | 6 | - | 108 | 90 | 25 | 50,5 | 10,5 | 17,1 | - | 17 | 21 | 4 | 2,5-2,75 |  | | on request | | | 27878-02-01203112 | steel | untreated | 7,8 | 28 | 6 | 23 | 12 | 26 | 3 | 19,9 | 6 | - | 108 | 90 | 25 | 50,5 | 10,5 | 17,1 | - | 17 | 21 | 4 | 2,5-2,75 |  | | on request | | | 27878-02-01204112 | steel | untreated | 7,8 | 28 | 6 | 23 | 12 | 26 | 3 | 19,9 | 6 | - | 108 | 90 | 25 | 50,5 | 10,5 | 17,1 | - | 17 | 21 | 4 | 2,5-2,75 |  | | on request | | | 27878-02-01212112 | steel | untreated | 7,8 | 28 | 6 | 23 | 12 | 26 | 3 | 19,9 | 6 | - | 108 | 90 | 25 | 50,5 | 10,5 | 17,1 | - | 17 | 21 | 4 | 2,5-2,75 |  | | on request | | | 27878-02-01213112 | steel | untreated | 7,8 | 28 | 6 | 23 | 12 | 26 | 3 | 19,9 | 6 | - | 108 | 90 | 25 | 50,5 | 10,5 | 17,1 | - | 17 | 21 | 4 | 2,5-2,75 |  | | on request | | | 27878-02-01214112 | steel | untreated | 7,8 | 28 | 6 | 23 | 12 | 26 | 3 | 19,9 | 6 | - | 108 | 90 | 25 | 50,5 | 10,5 | 17,1 | - | 17 | 21 | 4 | 2,5-2,75 |  | | on request | | | 27878-02-01212122 | steel | untreated | 7,8 | 28 | 6 | 23 | 12 | 26 | 3 | 19,9 | 6 | M6 | 108 | 90 | 25 | 50,5 | 10,5 | 17,1 | 12 | 17 | 21 | 4 | 2,5-2,75 |  | | on request | | | 27878-02-01213122 | steel | untreated | 7,8 | 28 | 6 | 23 | 12 | 26 | 3 | 19,9 | 6 | M6 | 108 | 90 | 25 | 50,5 | 10,5 | 17,1 | 12 | 17 | 21 | 4 | 2,5-2,75 |  | | on request | | | 27878-02-01214122 | steel | untreated | 7,8 | 28 | 6 | 23 | 12 | 26 | 3 | 19,9 | 6 | M6 | 108 | 90 | 25 | 50,5 | 10,5 | 17,1 | 12 | 17 | 21 | 4 | 2,5-2,75 |  | | on request | | | 27878-02-01102111 | steel | electro zinc-plated | 7,8 | 28 | 6 | 23 | 12 | 26 | 3 | 19,9 | 6 | - | 108 | 90 | 25 | 50,5 | 10,5 | 17,1 | - | 17 | 21 | 4 | 2,5-2,75 |  | | on request | | | 27878-02-01103111 | steel | electro zinc-plated | 7,8 | 28 | 6 | 23 | 12 | 26 | 3 | 19,9 | 6 | - | 108 | 90 | 25 | 50,5 | 10,5 | 17,1 | - | 17 | 21 | 4 | 2,5-2,75 |  | | on request | | | 27878-02-01104111 | steel | electro zinc-plated | 7,8 | 28 | 6 | 23 | 12 | 26 | 3 | 19,9 | 6 | - | 108 | 90 | 25 | 50,5 | 10,5 | 17,1 | - | 17 | 21 | 4 | 2,5-2,75 |  | | on request | | | 27878-02-01112111 | steel | electro zinc-plated | 7,8 | 28 | 6 | 23 | 12 | 26 | 3 | 19,9 | 6 | - | 108 | 90 | 25 | 50,5 | 10,5 | 17,1 | - | 17 | 21 | 4 | 2,5-2,75 |  | | on request | | | 27878-02-01113111 | steel | electro zinc-plated | 7,8 | 28 | 6 | 23 | 12 | 26 | 3 | 19,9 | 6 | - | 108 | 90 | 25 | 50,5 | 10,5 | 17,1 | - | 17 | 21 | 4 | 2,5-2,75 |  | | on request | | | 27878-02-01114111 | steel | electro zinc-plated | 7,8 | 28 | 6 | 23 | 12 | 26 | 3 | 19,9 | 6 | - | 108 | 90 | 25 | 50,5 | 10,5 | 17,1 | - | 17 | 21 | 4 | 2,5-2,75 |  | | on request | | | 27878-02-01112121 | steel | electro zinc-plated | 7,8 | 28 | 6 | 23 | 12 | 26 | 3 | 19,9 | 6 | M6 | 108 | 90 | 25 | 50,5 | 10,5 | 17,1 | 12 | 17 | 21 | 4 | 2,5-2,75 |  | | on request | | | 27878-02-01113121 | steel | electro zinc-plated | 7,8 | 28 | 6 | 23 | 12 | 26 | 3 | 19,9 | 6 | M6 | 108 | 90 | 25 | 50,5 | 10,5 | 17,1 | 12 | 17 | 21 | 4 | 2,5-2,75 |  | | on request | | | 27878-02-01114121 | steel | electro zinc-plated | 7,8 | 28 | 6 | 23 | 12 | 26 | 3 | 19,9 | 6 | M6 | 108 | 90 | 25 | 50,5 | 10,5 | 17,1 | 12 | 17 | 21 | 4 | 2,5-2,75 |  | | on request | | | 27878-02-11202313 | stainless steel A2 | bright | 7,8 | 28 | 6 | 23 | 12 | 26 | 3 | 19,9 | 6 | - | 108 | 90 | 25 | 50,5 | 10,5 | 17,1 | - | 17 | 21 | 4 | 2,5-2,75 |  | | on request | | | 27878-02-11203213 | stainless steel A2 | bright | 7,8 | 28 | 6 | 23 | 12 | 26 | 3 | 19,9 | 6 | - | 108 | 90 | 25 | 50,5 | 10,5 | 17,1 | - | 17 | 21 | 4 | 2,5-2,75 |  | | on request | | | 27878-02-11204213 | stainless steel A2 | bright | 7,8 | 28 | 6 | 23 | 12 | 26 | 3 | 19,9 | 6 | - | 108 | 90 | 25 | 50,5 | 10,5 | 17,1 | - | 17 | 21 | 4 | 2,5-2,75 |  | | on request | | | 27878-02-11112313 | stainless steel A2 | bright | 7,8 | 28 | 6 | 23 | 12 | 26 | 3 | 19,9 | 6 | - | 108 | 90 | 25 | 50,5 | 10,5 | 17,1 | - | 17 | 21 | 4 | 2,5-2,75 |  | | on request | | | 27878-02-11113213 | stainless steel A2 | bright | 7,8 | 28 | 6 | 23 | 12 | 26 | 3 | 19,9 | 6 | - | 108 | 90 | 25 | 50,5 | 10,5 | 17,1 | - | 17 | 21 | 4 | 2,5-2,75 |  | | on request | | | 27878-02-11114213 | stainless steel A2 | bright | 7,8 | 28 | 6 | 23 | 12 | 26 | 3 | 19,9 | 6 | - | 108 | 90 | 25 | 50,5 | 10,5 | 17,1 | - | 17 | 21 | 4 | 2,5-2,75 |  | | on request | | | 27878-02-11212323 | stainless steel A2 | bright | 7,8 | 28 | 6 | 23 | 12 | 26 | 3 | 19,9 | 6 | M6 | 108 | 90 | 25 | 50,5 | 10,5 | 17,1 | 12 | 17 | 21 | 4 | 2,5-2,75 |  | | on request | | | 27878-02-11213223 | stainless steel A2 | bright | 7,8 | 28 | 6 | 23 | 12 | 26 | 3 | 19,9 | 6 | M6 | 108 | 90 | 25 | 50,5 | 10,5 | 17,1 | 12 | 17 | 21 | 4 | 2,5-2,75 |  | | on request | | | 27878-02-11214223 | stainless steel A2 | bright | 7,8 | 28 | 6 | 23 | 12 | 26 | 3 | 19,9 | 6 | M6 | 108 | 90 | 25 | 50,5 | 10,5 | 17,1 | 12 | 17 | 21 | 4 | 2,5-2,75 |  | | on request | |
|
Concealed hinges steel or stainless steel, folded edge 23 mm, Form B |
More information |
| Order No. | Form | Door part fastening | Pin version | Frame part version | Pin material | Version 2 | CAD | Acc. | Price | Order |
|---|
| 27878-02-02106112 | B | screw on | self-locking | - | steel | without locking washer |  | | on request | | | 27878-02-02106122 | B | screw on | self-locking | - | steel | without locking washer |  | | on request | | | 27878-02-02116112 | B | screw on | self-locking | - | steel | with locking washer |  | | on request | | | 27878-02-02116122 | B | screw on | self-locking | - | steel | with locking washer |  | | on request | | | 27878-02-02206113 | B | - | self-locking | - | steel | without locking washer |  | | on request | | | 27878-02-02206123 | B | - | self-locking | - | steel | without locking washer |  | | on request | | | 27878-02-02216113 | B | - | self-locking | - | steel | with locking washer |  | | on request | | | 27878-02-02216123 | B | - | self-locking | - | steel | with locking washer |  | | on request | | | 27878-02-12106313 | B | - | self-locking | - | Stainless steel 1.4301 | without locking washer |  | | on request | | | 27878-02-12116313 | B | - | self-locking | - | Stainless steel 1.4301 | with locking washer |  | | on request | | | 27878-02-12206323 | B | - | self-locking | - | Stainless steel 1.4301 | without locking washer |  | | on request | | | 27878-02-12216323 | B | - | self-locking | - | Stainless steel 1.4301 | with locking washer |  | | on request | |
| Order No. | Main material | Surface finish body | B | B1 | B2 | B3 | B4 | B5 | B6 | B7 | D | D1 | H | H1 | H2 | H3 | L | L1 | L2 | L3 | L4 | L5 | S | CAD | Acc. | Price | Order |
|---|
| 27878-02-02106112 | steel | electro zinc-plated | 7,8 | 28 | 6 | 23 | 12 | 26 | 3 | 19,9 | 5 | - | 108 | 90 | 25 | 51 | 10,5 | 17,1 | - | 17 | 21 | 4,1 | 2,5-2,75 |  | | on request | | | 27878-02-02106122 | steel | electro zinc-plated | 7,8 | 28 | 6 | 23 | 12 | 26 | 3 | 19,9 | 5 | M6 | 108 | 90 | 25 | 51 | 10,5 | 17,1 | 12 | 17 | 21 | 4,1 | 2,5-2,75 |  | | on request | | | 27878-02-02116112 | steel | electro zinc-plated | 7,8 | 28 | 6 | 23 | 12 | 26 | 3 | 19,9 | 5 | - | 108 | 90 | 25 | 51 | 10,5 | 17,1 | - | 17 | 21 | 4,1 | 2,5-2,75 |  | | on request | | | 27878-02-02116122 | steel | electro zinc-plated | 7,8 | 28 | 6 | 23 | 12 | 26 | 3 | 19,9 | 5 | M6 | 108 | 90 | 25 | 51 | 10,5 | 17,1 | 12 | 17 | 21 | 4,1 | 2,5-2,75 |  | | on request | | | 27878-02-02206113 | steel | untreated | 7,8 | 28 | 6 | 23 | 12 | 26 | 3 | 19,9 | 5 | - | 108 | 90 | 25 | 51 | 10,5 | 17,1 | - | 17 | 21 | 4,1 | 2,5-2,75 |  | | on request | | | 27878-02-02206123 | steel | untreated | 7,8 | 28 | 6 | 23 | 12 | 26 | 3 | 19,9 | 5 | M6 | 108 | 90 | 25 | 51 | 10,5 | 17,1 | 12 | 17 | 21 | 4,1 | 2,5-2,75 |  | | on request | | | 27878-02-02216113 | steel | untreated | 7,8 | 28 | 6 | 23 | 12 | 26 | 3 | 19,9 | 5 | - | 108 | 90 | 25 | 51 | 10,5 | 17,1 | - | 17 | 21 | 4,1 | 2,5-2,75 |  | | on request | | | 27878-02-02216123 | steel | untreated | 7,8 | 28 | 6 | 23 | 12 | 26 | 3 | 19,9 | 5 | M6 | 108 | 90 | 25 | 51 | 10,5 | 17,1 | 12 | 17 | 21 | 4,1 | 2,5-2,75 |  | | on request | | | 27878-02-12106313 | stainless steel A2 | bright | 7,8 | 28 | 6 | 23 | 12 | 26 | 3 | 19,9 | 5 | - | 108 | 90 | 25 | 51 | 10,5 | 17,1 | - | 17 | 21 | 4,1 | 2,5-2,75 |  | | on request | | | 27878-02-12116313 | stainless steel A2 | bright | 7,8 | 28 | 6 | 23 | 12 | 26 | 3 | 19,9 | 5 | - | 108 | 90 | 25 | 51 | 10,5 | 17,1 | - | 17 | 21 | 4,1 | 2,5-2,75 |  | | on request | | | 27878-02-12206323 | stainless steel A2 | bright | 7,8 | 28 | 6 | 23 | 12 | 26 | 3 | 19,9 | 5 | M6 | 108 | 90 | 25 | 51 | 10,5 | 17,1 | 12 | 17 | 21 | 4,1 | 2,5-2,75 |  | | on request | | | 27878-02-12216323 | stainless steel A2 | bright | 7,8 | 28 | 6 | 23 | 12 | 26 | 3 | 19,9 | 5 | M6 | 108 | 90 | 25 | 51 | 10,5 | 17,1 | 12 | 17 | 21 | 4,1 | 2,5-2,75 |  | | on request | |
|
Other items in this category |
|
|