|
|
|
27878-04Concealed hinges die-cast zinc, steel or stainless steel, folded... |
go back |
|
Item description/product images |
|
|
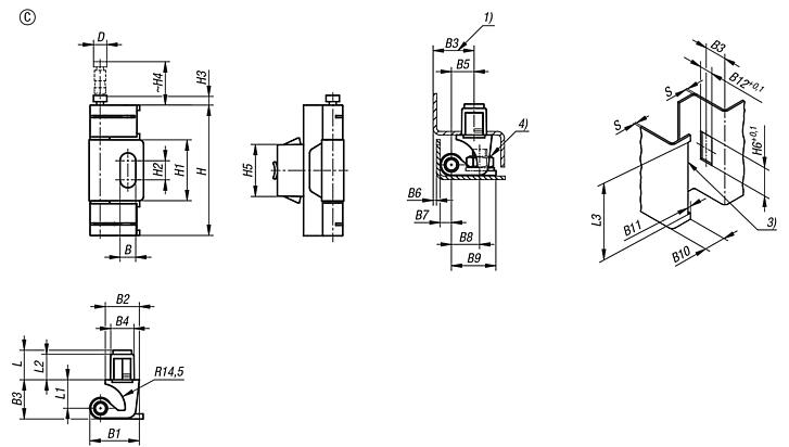
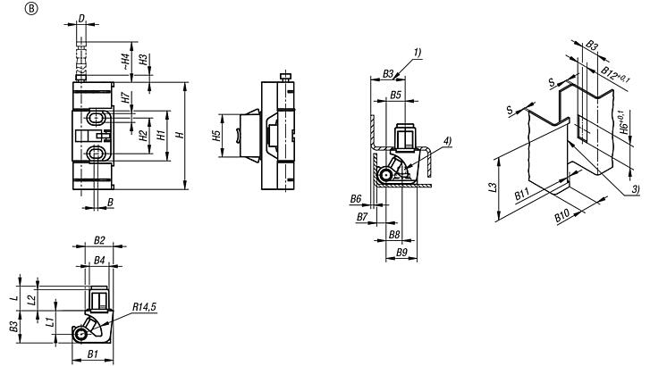
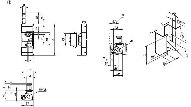
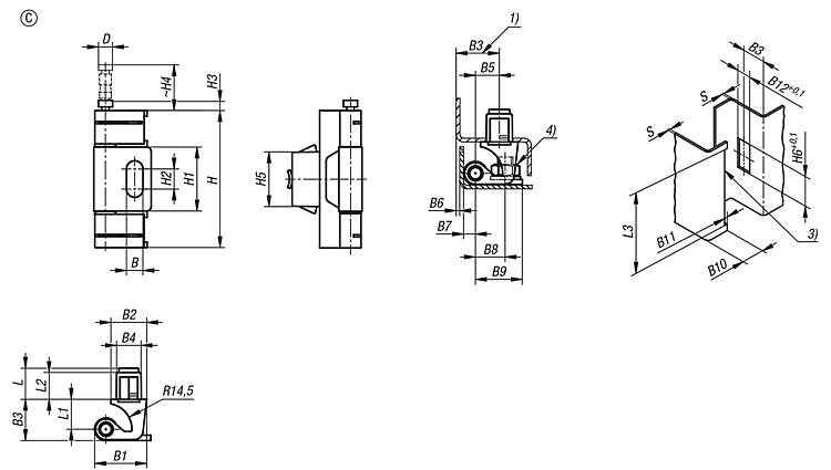
DescriptionProduct description:Concealed hinges are usually employed for functional or visual reasons. The hinge is mounted on the inside edge of the door and frame and is only visible when the door is open. Material:Version:Door part die-cast zinc and electro zinc-plated steel. Frame part die-cast zinc, untreated. Pin electro zinc-plated steel. Clip element sintered metal, coated. Door part, frame part, pin and clip element stainless steel, bright. O-ring black.Note:For on-frame doors. Hinges not visible. Folded edge 23 mm. For right or left use. Opening angle 130°. Door part for screwing-on. Tool-free mounting of the frame part. The pin is self-locking and captive mounted. The pin engages in the wire springs in the frame part and is therefore captive. Door part adjustable +/-5 mm. Can be lifted-off by pulling out the pin. IP65 as per DIN EN 60529.
Form B: Tool-free door installation by simply clipping it onto the frame part.
Product type: - Variant 1: left door - pin on top, right door - pin underneath - Variant 2: right door - pin on top, left door - pin underneathApplication:- Machine and plant construction - Switchboxes and control housings - Medical and laboratory technology - Transport and conveyor systemsDrawing reference:1) Folded edge 2) Bearing bushes 3) Notch in the door 4) Welding studs (Form A and Form C = M8x15, Form B = M6x12) Special features: DownloadHere is all the information as a PDF datasheet:
Are you looking for CAD data? These can be found directly in the product table.
|
Drawings (total overview) |
Concealed hinges die-cast zinc, steel or stainless steel, folded edge 23 mm, Form A |
More information |
| Order No. | Form | Product type | S=clamping range in mm | Pin material | Main material | B | B1 | B2 | B3 | CAD | Acc. | Price | Order |
|---|
| 27878-04-0111217 | A | variation 1 | 1,2 - 1,7 | steel | steel | 9 | 29 | 20 | 23 |  | | on request | | | 27878-04-0111722 | A | variation 1 | 1,7 - 2,2 | steel | steel | 9 | 29 | 20 | 23 |  | | on request | | | 27878-04-0112227 | A | variation 1 | 2,2 - 2,7 | steel | steel | 9 | 29 | 20 | 23 |  | | on request | | | 27878-04-0112732 | A | variation 1 | 2,7 - 3,2 | steel | steel | 9 | 29 | 20 | 23 |  | | on request | | | 27878-04-0113035 | A | variation 1 | 3 - 3,5 | steel | steel | 9 | 29 | 20 | 23 |  | | on request | | | 27878-04-0121217 | A | variation 2 | 1,2 - 1,7 | steel | steel | 9 | 29 | 20 | 23 |  | | on request | | | 27878-04-0121722 | A | variation 2 | 1,7 - 2,2 | steel | steel | 9 | 29 | 20 | 23 |  | | on request | | | 27878-04-0122227 | A | variation 2 | 2,2 - 2,7 | steel | steel | 9 | 29 | 20 | 23 |  | | on request | | | 27878-04-0122732 | A | variation 2 | 2,7 - 3,2 | steel | steel | 9 | 29 | 20 | 23 |  | | on request | | | 27878-04-0123035 | A | variation 2 | 3 - 3,5 | steel | steel | 9 | 29 | 20 | 23 |  | | on request | |
| Order No. | B4 | B5 | B6 | B7 | B8 | B9 | B10 | B11 | B12 | D | H | H1 | H2 | H3 | H4 | H5 | H6 | L | L1 | L2 | L3 | CAD | Acc. | Price | Order |
|---|
| 27878-04-0111217 | 13,95 | 12,75 | 1,9 | 6,3 | 16 | 25 | 22,5 | 3 | 14 | 6,5 | 75 | 35 | 11 | 5 | 65 | 29,9 | 30 | 17,4 | 16,75 | 15 | 77 |  | | on request | | | 27878-04-0111722 | 13,95 | 12,75 | 1,9 | 6,3 | 16 | 25 | 22,5 | 3 | 14 | 6,5 | 75 | 35 | 11 | 5 | 65 | 29,9 | 30 | 17,4 | 16,75 | 15 | 77 |  | | on request | | | 27878-04-0112227 | 13,95 | 12,75 | 1,9 | 6,3 | 16 | 25 | 22,5 | 3 | 14 | 6,5 | 75 | 35 | 11 | 5 | 65 | 29,9 | 30 | 17,4 | 16,75 | 15 | 77 |  | | on request | | | 27878-04-0112732 | 13,95 | 12,75 | 1,9 | 6,3 | 16 | 25 | 22,5 | 3 | 14 | 6,5 | 75 | 35 | 11 | 5 | 65 | 29,9 | 30 | 17,4 | 16,75 | 15 | 77 |  | | on request | | | 27878-04-0113035 | 13,95 | 12,75 | 1,9 | 6,3 | 16 | 25 | 22,5 | 3 | 14 | 6,5 | 75 | 35 | 11 | 5 | 65 | 29,9 | 30 | 17,4 | 16,75 | 15 | 77 |  | | on request | | | 27878-04-0121217 | 13,95 | 12,75 | 1,9 | 6,3 | 16 | 25 | 22,5 | 3 | 14 | 6,5 | 75 | 35 | 11 | 5 | 65 | 29,9 | 30 | 17,4 | 16,75 | 15 | 77 |  | | on request | | | 27878-04-0121722 | 13,95 | 12,75 | 1,9 | 6,3 | 16 | 25 | 22,5 | 3 | 14 | 6,5 | 75 | 35 | 11 | 5 | 65 | 29,9 | 30 | 17,4 | 16,75 | 15 | 77 |  | | on request | | | 27878-04-0122227 | 13,95 | 12,75 | 1,9 | 6,3 | 16 | 25 | 22,5 | 3 | 14 | 6,5 | 75 | 35 | 11 | 5 | 65 | 29,9 | 30 | 17,4 | 16,75 | 15 | 77 |  | | on request | | | 27878-04-0122732 | 13,95 | 12,75 | 1,9 | 6,3 | 16 | 25 | 22,5 | 3 | 14 | 6,5 | 75 | 35 | 11 | 5 | 65 | 29,9 | 30 | 17,4 | 16,75 | 15 | 77 |  | | on request | | | 27878-04-0123035 | 13,95 | 12,75 | 1,9 | 6,3 | 16 | 25 | 22,5 | 3 | 14 | 6,5 | 75 | 35 | 11 | 5 | 65 | 29,9 | 30 | 17,4 | 16,75 | 15 | 77 |  | | on request | |
|
Concealed hinges die-cast zinc, steel or stainless steel, folded edge 23 mm, Form B |
More information |
| Order No. | Form | Product type | Pin material | S=clamping range in mm | Main material | B | B1 | B2 | B3 | CAD | Acc. | Price | Order |
|---|
| 27878-04-3211217 | B | variation 1 | steel | 1,2 - 1,7 | zinc | 3 | 29 | 20 | 23 |  | | on request | | | 27878-04-3211722 | B | variation 1 | steel | 1,7 - 2,2 | zinc | 3 | 29 | 20 | 23 |  | | on request | | | 27878-04-3212227 | B | variation 1 | steel | 2,2 - 2,7 | zinc | 3 | 29 | 20 | 23 |  | | on request | | | 27878-04-3212732 | B | variation 1 | steel | 2,7 - 3,2 | zinc | 3 | 29 | 20 | 23 |  | | on request | | | 27878-04-3213035 | B | variation 1 | steel | 3 - 3,5 | zinc | 3 | 29 | 20 | 23 |  | | on request | | | 27878-04-3221217 | B | variation 2 | steel | 1,2 - 1,7 | zinc | 3 | 29 | 20 | 23 |  | | on request | | | 27878-04-3221722 | B | variation 2 | steel | 1,7 - 2,2 | zinc | 3 | 29 | 20 | 23 |  | | on request | | | 27878-04-3222227 | B | variation 2 | steel | 2,2 - 2,7 | zinc | 3 | 29 | 20 | 23 |  | | on request | | | 27878-04-3222732 | B | variation 2 | steel | 2,7 - 3,2 | zinc | 3 | 29 | 20 | 23 |  | | on request | | | 27878-04-3223035 | B | variation 2 | steel | 3 - 3,5 | zinc | 3 | 29 | 20 | 23 |  | | on request | |
| Order No. | B4 | B5 | B6 | B7 | B8 | B9 | B10 | B11 | B12 | D | H | H1 | H2 | H3 | H4 | H5 | H6 | H7 | L | L1 | L2 | L3 | CAD | Acc. | Price | Order |
|---|
| 27878-04-3211217 | 13,95 | 12,75 | 1,9 | 6,3 | 10,7 | 27 | 22,5 | 3 | 14 | 6,5 | 75 | 35 | 25 | 5 | 65 | 29,9 | 30 | 6,2 | 17,4 | 16,75 | 15 | 77 |  | | on request | | | 27878-04-3211722 | 13,95 | 12,75 | 1,9 | 6,3 | 10,7 | 27 | 22,5 | 3 | 14 | 6,5 | 75 | 35 | 25 | 5 | 65 | 29,9 | 30 | 6,2 | 17,4 | 16,75 | 15 | 77 |  | | on request | | | 27878-04-3212227 | 13,95 | 12,75 | 1,9 | 6,3 | 10,7 | 27 | 22,5 | 3 | 14 | 6,5 | 75 | 35 | 25 | 5 | 65 | 29,9 | 30 | 6,2 | 17,4 | 16,75 | 15 | 77 |  | | on request | | | 27878-04-3212732 | 13,95 | 12,75 | 1,9 | 6,3 | 10,7 | 27 | 22,5 | 3 | 14 | 6,5 | 75 | 35 | 25 | 5 | 65 | 29,9 | 30 | 6,2 | 17,4 | 16,75 | 15 | 77 |  | | on request | | | 27878-04-3213035 | 13,95 | 12,75 | 1,9 | 6,3 | 10,7 | 27 | 22,5 | 3 | 14 | 6,5 | 75 | 35 | 25 | 5 | 65 | 29,9 | 30 | 6,2 | 17,4 | 16,75 | 15 | 77 |  | | on request | | | 27878-04-3221217 | 13,95 | 12,75 | 1,9 | 6,3 | 10,7 | 27 | 22,5 | 3 | 14 | 6,5 | 75 | 35 | 25 | 5 | 65 | 29,9 | 30 | 6,2 | 17,4 | 16,75 | 15 | 77 |  | | on request | | | 27878-04-3221722 | 13,95 | 12,75 | 1,9 | 6,3 | 10,7 | 27 | 22,5 | 3 | 14 | 6,5 | 75 | 35 | 25 | 5 | 65 | 29,9 | 30 | 6,2 | 17,4 | 16,75 | 15 | 77 |  | | on request | | | 27878-04-3222227 | 13,95 | 12,75 | 1,9 | 6,3 | 10,7 | 27 | 22,5 | 3 | 14 | 6,5 | 75 | 35 | 25 | 5 | 65 | 29,9 | 30 | 6,2 | 17,4 | 16,75 | 15 | 77 |  | | on request | | | 27878-04-3222732 | 13,95 | 12,75 | 1,9 | 6,3 | 10,7 | 27 | 22,5 | 3 | 14 | 6,5 | 75 | 35 | 25 | 5 | 65 | 29,9 | 30 | 6,2 | 17,4 | 16,75 | 15 | 77 |  | | on request | | | 27878-04-3223035 | 13,95 | 12,75 | 1,9 | 6,3 | 10,7 | 27 | 22,5 | 3 | 14 | 6,5 | 75 | 35 | 25 | 5 | 65 | 29,9 | 30 | 6,2 | 17,4 | 16,75 | 15 | 77 |  | | on request | |
|
Concealed hinges die-cast zinc, steel or stainless steel, folded edge 23 mm, Form C |
More information |
| Order No. | Form | Product type | S=clamping range in mm | Pin material | Main material | B | B1 | B2 | B3 | CAD | Acc. | Price | Order |
|---|
| 27878-04-2311217 | C | variation 1 | 1,2 - 1,7 | stainless steel 1.4305 | stainless steel A4 | 9 | 29 | 20 | 23 |  | | on request | | | 27878-04-2311722 | C | variation 1 | 1,7 - 2,2 | stainless steel 1.4305 | stainless steel A4 | 9 | 29 | 20 | 23 |  | | on request | | | 27878-04-2312227 | C | variation 1 | 2,2 - 2,7 | stainless steel 1.4305 | stainless steel A4 | 9 | 29 | 20 | 23 |  | | on request | | | 27878-04-2312732 | C | variation 1 | 2,7 - 3,2 | stainless steel 1.4305 | stainless steel A4 | 9 | 29 | 20 | 23 |  | | on request | | | 27878-04-2321217 | C | variation 2 | 1,2 - 1,7 | stainless steel 1.4305 | stainless steel A4 | 9 | 29 | 20 | 23 |  | | on request | | | 27878-04-2321722 | C | variation 2 | 1,7 - 2,2 | stainless steel 1.4305 | stainless steel A4 | 9 | 29 | 20 | 23 |  | | on request | | | 27878-04-2322227 | C | variation 2 | 2,2 - 2,7 | stainless steel 1.4305 | stainless steel A4 | 9 | 29 | 20 | 23 |  | | on request | | | 27878-04-2322732 | C | variation 2 | 2,7 - 3,2 | stainless steel 1.4305 | stainless steel A4 | 9 | 29 | 20 | 23 |  | | on request | |
| Order No. | B4 | B5 | B6 | B7 | B8 | B9 | B10 | B11 | B12 | D | H | H1 | H2 | H3 | H4 | H5 | H6 | L | L1 | L2 | L3 | CAD | Acc. | Price | Order |
|---|
| 27878-04-2311217 | 13,95 | 12,75 | 1,9 | 6,3 | 15,75 | 25 | 22,5 | 3 | 14 | 6,5 | 75 | 35 | 11 | 5 | 65 | 29,9 | 30 | 17,4 | 16,75 | 15 | 77 |  | | on request | | | 27878-04-2311722 | 13,95 | 12,75 | 1,9 | 6,3 | 15,75 | 25 | 22,5 | 3 | 14 | 6,5 | 75 | 35 | 11 | 5 | 65 | 29,9 | 30 | 17,4 | 16,75 | 15 | 77 |  | | on request | | | 27878-04-2312227 | 13,95 | 12,75 | 1,9 | 6,3 | 15,75 | 25 | 22,5 | 3 | 14 | 6,5 | 75 | 35 | 11 | 5 | 65 | 29,9 | 30 | 17,4 | 16,75 | 15 | 77 |  | | on request | | | 27878-04-2312732 | 13,95 | 12,75 | 1,9 | 6,3 | 15,75 | 25 | 22,5 | 3 | 14 | 6,5 | 75 | 35 | 11 | 5 | 65 | 29,9 | 30 | 17,4 | 16,75 | 15 | 77 |  | | on request | | | 27878-04-2321217 | 13,95 | 12,75 | 1,9 | 6,3 | 15,75 | 25 | 22,5 | 3 | 14 | 6,5 | 75 | 35 | 11 | 5 | 65 | 29,9 | 30 | 17,4 | 16,75 | 15 | 77 |  | | on request | | | 27878-04-2321722 | 13,95 | 12,75 | 1,9 | 6,3 | 15,75 | 25 | 22,5 | 3 | 14 | 6,5 | 75 | 35 | 11 | 5 | 65 | 29,9 | 30 | 17,4 | 16,75 | 15 | 77 |  | | on request | | | 27878-04-2322227 | 13,95 | 12,75 | 1,9 | 6,3 | 15,75 | 25 | 22,5 | 3 | 14 | 6,5 | 75 | 35 | 11 | 5 | 65 | 29,9 | 30 | 17,4 | 16,75 | 15 | 77 |  | | on request | | | 27878-04-2322732 | 13,95 | 12,75 | 1,9 | 6,3 | 15,75 | 25 | 22,5 | 3 | 14 | 6,5 | 75 | 35 | 11 | 5 | 65 | 29,9 | 30 | 17,4 | 16,75 | 15 | 77 |  | | on request | |
|
Other items in this category |
|
|