norelem uses cookies to optimally design and continually improve the website. By continuing to use this website, you agree to the use of cookies. You can find more information about cookies in our Data protection declaration.okay

Item description/product images

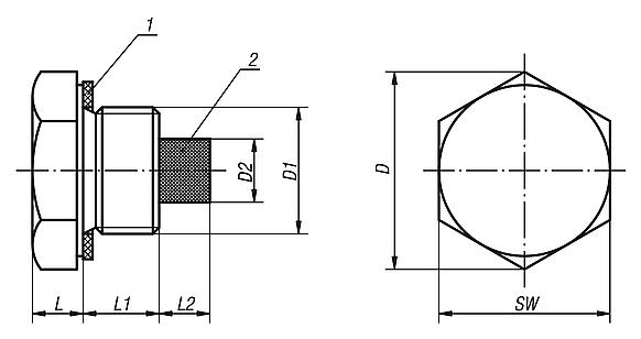
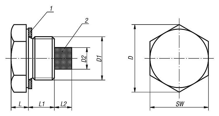
DescriptionMaterial:Aluminium. Ferrite permanent magnet.Version:Bright. Flat seal asbestos-free.Note:The magnetic effect of the screw plug attracts iron particles in the oil.
Screwing the plug into the drain outlet diminishes possible damage to mechanical components.
Drawing reference:
1) flat seal
2) magnet
DownloadHere is all the information as a PDF datasheet:

Are you looking for CAD data? These can be found directly in the product table.
 Datasheet 28026 Screw plugs aluminium with magnet 179 kB

Drawings

Screw plugs aluminium with magnet

Item selection/filter

Order No.D

D1D2LL1L2SWCADAcc.PriceOrder
28026-2101421G1/45710619 on request
28026-2403824,5G3/88710722 on request
28026-3001230G1/210810727 on request
28026-3603436,5G3/413810734 on request
28026-4210042,5G113814740 on request
My norelemE-mailPassword
Shopping cart
Number of items: 0
Amount: 0.00  
shopping cart
欢迎扫描二维码
咨询诺瑞朗官方客服微信
China
苏ICP备20011289号-1  苏公网安备32058502011222 Sitemap Print Recommended Top
Copyright © 2025 norelem. All rights reserved. Tel. +49 71 45/206-44 to 45 · Fax +49 71 45/206-83