|
|
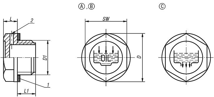
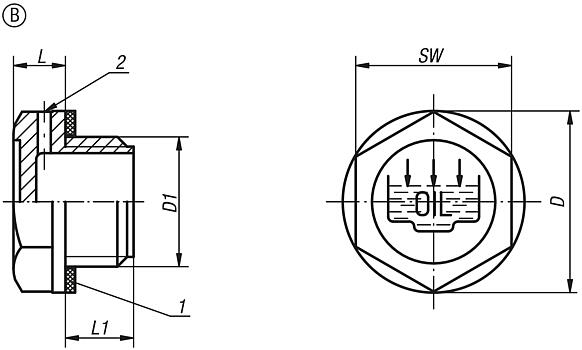
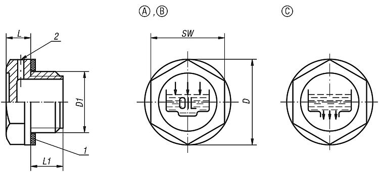
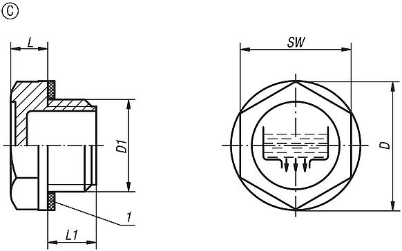
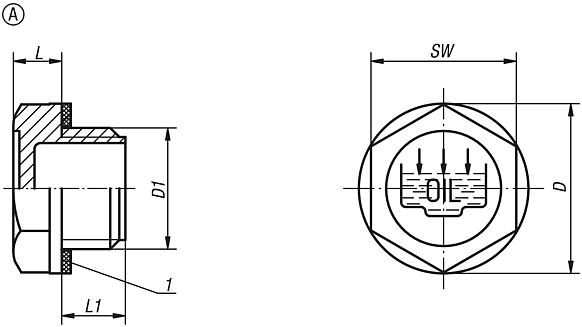
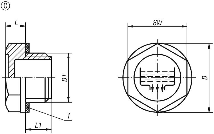
DescriptionMaterial:Thermoplastic polyamide 66Version:Black. Flat seal asbestos-freeNote:Temperature resistant to 100°C.Drawing reference:Form A: with fill symbol Form B: with fill symbol and vent hole Form C: with drain symbol
1) flat seal 2) vent hole Form B only DownloadHere is all the information as a PDF datasheet:
Are you looking for CAD data? These can be found directly in the product table.
|
Drawings (total overview) |
| Order No. | Form | D | D1 | L | L1 | SW | Tightening torque max. Nm | CAD | Acc. | Price | Order |
|---|
| 28028-119014 | A | 19,5 | G1/4 | 7 | 9 | 17 | 5 |  | | on request | | | 28028-122038 | A | 22 | G3/8 | 7,5 | 10 | 18 | 8 |  | | on request | | | 28028-128012 | A | 28 | G1/2 | 7,5 | 11 | 24 | 9 |  | | on request | | | 28028-134034 | A | 34 | G3/4 | 9 | 11 | 30 | 11 |  | | on request | | | 28028-142100 | A | 42 | G1 | 10,5 | 12 | 35 | - |  | | on request | | | 28028-151114 | A | 51 | G1 1/4 | 12 | 13,5 | 42 | - |  | | on request | | | 28028-158112 | A | 58 | G1 1/2 | 10 | 14,5 | 50 | - |  | | on request | | | 28028-174200 | A | 74 | G2 | 13,5 | 16 | 64 | - |  | | on request | | | 28028-1191415 | A | 19,5 | M14X1,5 | 7 | 8 | 17 | 5 |  | | on request | | | 28028-1211615 | A | 21 | M16X1,5 | 7,5 | 10 | 18 | 6 |  | | on request | | | 28028-1261815 | A | 26 | M18X1,5 | 7,5 | 10 | 21 | 7 |  | | on request | | | 28028-1282015 | A | 28 | M20X1,5 | 8 | 10 | 24 | 8 |  | | on request | | | 28028-1282215 | A | 28 | M22X1,5 | 8 | 11 | 24 | 10 |  | | on request | | | 28028-1524015 | A | 52 | M40X1,5 | 10 | 13 | 42 | - |  | | on request | |
|
| Order No. | Form | D | D1 | L | L1 | SW | Tightening torque max. Nm | CAD | Acc. | Price | Order |
|---|
| 28028-219014 | B | 19,5 | G1/4 | 7 | 9 | 17 | 5 |  | | on request | | | 28028-222038 | B | 22 | G3/8 | 7,5 | 10 | 18 | 8 |  | | on request | | | 28028-228012 | B | 28 | G1/2 | 7,5 | 11 | 24 | 9 |  | | on request | | | 28028-234034 | B | 34 | G3/4 | 9 | 11 | 30 | 11 |  | | on request | | | 28028-242100 | B | 42 | G1 | 10,5 | 12 | 35 | - |  | | on request | | | 28028-251114 | B | 51 | G1 1/4 | 12 | 13,5 | 42 | - |  | | on request | | | 28028-258112 | B | 58 | G1 1/2 | 10 | 14,5 | 50 | - |  | | on request | | | 28028-274200 | B | 74 | G2 | 13,5 | 16 | 64 | - |  | | on request | | | 28028-2191415 | B | 19,5 | M14X1,5 | 7 | 9 | 17 | 5 |  | | on request | | | 28028-2211615 | B | 21 | M16X1,5 | 7,5 | 10 | 18 | 6 |  | | on request | | | 28028-2261815 | B | 26 | M18X1,5 | 7,5 | 10 | 21 | 7 |  | | on request | | | 28028-2282015 | B | 28 | M20X1,5 | 8 | 10 | 24 | 8 |  | | on request | | | 28028-2282215 | B | 28 | M22X1,5 | 8 | 11 | 24 | 10 |  | | on request | | | 28028-2524015 | B | 52 | M40X1,5 | 10 | 13 | 42 | - |  | | on request | |
|
| Order No. | Form | D | D1 | L | L1 | SW | Tightening torque max. Nm | CAD | Acc. | Price | Order |
|---|
| 28028-319014 | C | 19,5 | G1/4 | 7 | 9 | 17 | 5 |  | | on request | | | 28028-322038 | C | 22 | G3/8 | 7,5 | 10 | 18 | 8 |  | | on request | | | 28028-328012 | C | 28 | G1/2 | 7,5 | 11 | 24 | 9 |  | | on request | | | 28028-334034 | C | 34 | G3/4 | 9 | 11 | 30 | 11 |  | | on request | | | 28028-342100 | C | 42 | G1 | 10,5 | 12 | 35 | - |  | | on request | | | 28028-351114 | C | 51 | G1 1/4 | 12 | 13,5 | 42 | - |  | | on request | | | 28028-358112 | C | 58 | G1 1/2 | 10 | 14,5 | 50 | - |  | | on request | | | 28028-374200 | C | 74 | G2 | 13,5 | 16 | 64 | - |  | | on request | | | 28028-3191415 | C | 19,5 | M14X1,5 | 7 | 9 | 17 | 5 |  | | on request | | | 28028-3211615 | C | 21 | M16X1,5 | 7,5 | 10 | 18 | 6 |  | | on request | | | 28028-3261815 | C | 26 | M18X1,5 | 7,5 | 10 | 21 | 7 |  | | on request | | | 28028-3282015 | C | 28 | M20X1,5 | 8 | 10 | 24 | 8 |  | | on request | | | 28028-3282215 | C | 28 | M22X1,5 | 8 | 11 | 24 | 10 |  | | on request | | | 28028-3524015 | C | 52 | M40X1,5 | 10 | 13 | 42 | - |  | | on request | |
|
Other items in this category |
|
|