norelem uses cookies to optimally design and continually improve the website. By continuing to use this website, you agree to the use of cookies. You can find more information about cookies in our Data protection declaration.okay

Item description/product images

Show/filter all items
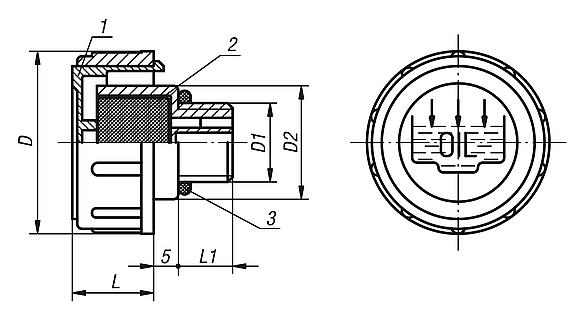
DescriptionMaterial:Housing, cap in thermoplastic polyamide 66.
Air filter (Form B only) in polyurethane (PU foam).
O-ring in rubber (NBR).
Version:Black housing. Red cap. Filter mesh 60 µm.Note:The removable cap allows easy cleaning of the air filter.

Form A: without air filter
Form B: with air filter
Temperature range:Temperature resistant with oil up to 100°C.Drawing reference:
1) cap
2) air filter Form B only
3) O-ring
Special features:
RoHS
DownloadHere is all the information as a PDF datasheet:

Are you looking for CAD data? These can be found directly in the product table.
 Datasheet 28034 Vent screws 199 kB

Drawings (total overview)

Vent screws

Vent screw Form A, without air filter

More information

Drawings

Vent screw Form A, without air filter

Item selection/filter

Order No.FormDD1D2LL1CADAcc.PriceOrder
28034-136038A36G3/8231711 on request
28034-141012A41G1/2281812 on request
28034-147034A47G3/4331712 on request
28034-152100A52G1382012 on request
28034-163114A63G1 1/4492313 on request
28034-163112A63G1 1/2552313,5 on request
28034-1361615A36M16x1,5231711 on request
28034-1411815A41M18x1,52817,512 on request
28034-1412015A41M20x1,52817,512 on request
28034-1412215A41M22x1,52817,512 on request

Vent screws Form B, with air filter

More information

Drawings

Vent screws Form B, with air filter

Item selection/filter

Order No.FormDD1D2LL1CADAcc.PriceOrder
28034-236038B36G3/8231711 on request
28034-241012B41G1/2281812 on request
28034-247034B47G3/4331712 on request
28034-252100B52G1382012 on request
28034-263114B63G1 1/4492313 on request
28034-263112B63G1 1/2552313,5 on request
28034-2361615B36M16x1,5231711 on request
28034-2411815B41M18x1,52817,512 on request
28034-2412015B41M20x1,52817,512 on request
28034-2412215B41M22x1,52817,512 on request
My norelemE-mailPassword
Shopping cart
Number of items: 0
Amount: 0.00  
shopping cart
欢迎扫描二维码
咨询诺瑞朗官方客服微信
China
苏ICP备20011289号-1  苏公网安备32058502011222 Sitemap Print Recommended Top
Copyright © 2025 norelem. All rights reserved. Tel. +49 71 45/206-44 to 45 · Fax +49 71 45/206-83