norelem uses cookies to optimally design and continually improve the website. By continuing to use this website, you agree to the use of cookies. You can find more information about cookies in our Data protection declaration.okay
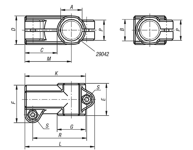
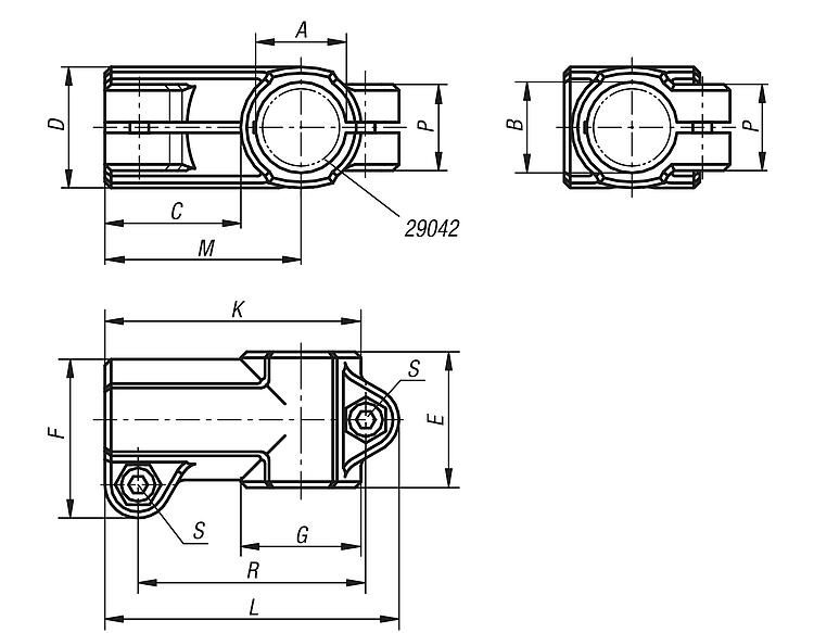
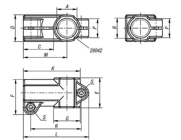
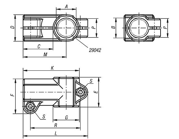
T-angle tube clamps, plastic, one-piece for round tubes
29006

T-angle tube clamps, plastic, one-piece for round tubes

go back

Item description/product images

DescriptionMaterial:Thermoplastic.
DIN 7984 screws and DIN 985 nuts steel.
Version:Black.
Screws and nuts electro zinc-plated.
Note:The standard size for round tubes is Ø18 mm or Ø30 mm. Use reducer sleeves 29042 if smaller tubes are to be clamped or a conversion from round to square tubes is required.On request:Plastic clamping levers for tightening.Accessory:- Reducing bushes 29042
- Round and square tubes 29050
Special features:
RoHS
DownloadHere is all the information as a PDF datasheet:

Are you looking for CAD data? These can be found directly in the product table.
 Datasheet 29006 Tube clamps T-angle, plastic 640 kB
 Technical information Thermoplastic tube clamping system 128 kB

Drawings

T-angle tube clamps, plastic, one-piece for round tubes

Item selection/filter

Order No.A

BCDEFGKLMPRSCADAcc.PriceOrder
29006-1818181830,52530342555,564,5432149,5M6x18  on request
29006-3030303045404552,5408597,56528,575,5M8x25  on request
My norelemE-mailPassword
Shopping cart
Number of items: 0
Amount: 0.00  
shopping cart
欢迎扫描二维码
咨询诺瑞朗官方客服微信
China
苏ICP备20011289号-1  苏公网安备32058502011222 Sitemap Print Recommended Top
Copyright © 2025 norelem. All rights reserved. Tel. +49 71 45/206-44 to 45 · Fax +49 71 45/206-83