|
|
|
03011 inchSpring plungers with slot and ball, stainless steel, with thread... |
go back |
|
|
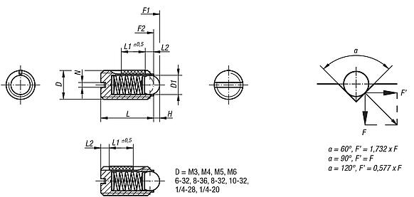
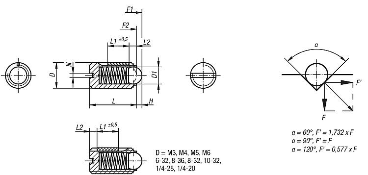
DescriptionMaterial:Sleeve 1.4305.
Ball 1.4034.
Spring 1.4310.
Thread lock nylon. Version:Bright. Ball hardened.Note:For the inch series, dimension D is in inches, all other dimensions are in mm.Drawing reference:L2 = approx. 2x thread pitch Special features: DownloadHere is all the information as a PDF datasheet:
Are you looking for CAD data? These can be found directly in the product table.
|
Drawings (total overview) |
Spring plungers with slot and ball, stainless steel, standard spring force, with thread lock - inch |
More information |
Order No. | D | D1 | H | L | L1 | N | Spring force initial pressure F1 approx. N | Spring force final pressure F2 approx. N | Tightening torque approx. Nm | Loosening torque approx. Nm | CAD | Acc. | Price | Order |
|---|
| 03011-AD | 6-32 | 1,5 | 0,4 | 7 | 4 | 0,4 | 1,5 | 3 | 0,1 | 0,07 |  | | on request | | | 03011-AE | 8-32 | 2,5 | 0,8 | 9 | 5 | 0,6 | 4 | 10 | 0,18 | 0,12 |  | | on request | | | 03011-AG | 8-36 | 2,5 | 0,8 | 9 | 5 | 0,6 | 4 | 10 | 0,18 | 0,12 |  | | on request | | | 03011-A1 | 10-32 | 3 | 0,9 | 12 | 6 | 0,8 | 6 | 11 | 0,12 | 0,08 |  | | on request | | | 03011-A2 | 1/4-20 | 3,5 | 1 | 14 | 7 | 1 | 9 | 13 | 0,43 | 0,21 |  | | on request | | | 03011-AJ | 1/4-28 | 3,5 | 1 | 14 | 7 | 1 | 9 | 13 | 0,43 | 0,21 |  | | on request | | | 03011-A3 | 5/16-18 | 5 | 1,5 | 16 | 8 | 1,2 | 15 | 30 | 1,09 | 0,37 |  | | on request | | | 03011-A4 | 3/8-16 | 6 | 2 | 19 | 9 | 1,6 | 20 | 35 | 1,36 | 0,62 |  | | on request | | | 03011-A5 | 1/2-13 | 8 | 2,5 | 22 | 10 | 2 | 30 | 55 | 2,03 | 1,36 |  | | on request | | | 03011-A6 | 5/8-11 | 10 | 3,5 | 24 | 14 | 2,5 | 65 | 125 | 3,95 | 2,95 |  | | on request | |
|
Spring plungers with slot and ball, stainless steel, strong spring force, with thread lock - inch |
More information |
Order No. | D | D1 | H | L | L1 | N | Spring force initial pressure F1 approx. N | Spring force final pressure F2 approx. N | Tightening torque approx. Nm | Loosening torque approx. Nm | CAD | Acc. | Price | Order |
|---|
| 03011-2A1 | 10-32 | 3 | 0,9 | 12 | 6 | 0,8 | 19 | 30 | 0,12 | 0,08 |  | | on request | | | 03011-2A2 | 1/4-20 | 3,5 | 1 | 14 | 7 | 1 | 28 | 40 | 0,43 | 0,21 |  | | on request | | | 03011-2AJ | 1/4-28 | 3,5 | 1 | 14 | 7 | 1 | 28 | 40 | 0,43 | 0,21 |  | | on request | | | 03011-2A3 | 5/16-18 | 5 | 1,5 | 16 | 8 | 1,2 | 47 | 73 | 1,09 | 0,37 |  | | on request | | | 03011-2A4 | 3/8-16 | 6 | 2 | 19 | 9 | 1,6 | 66 | 100 | 1,36 | 0,62 |  | | on request | | | 03011-2A5 | 1/2-13 | 8 | 2,5 | 22 | 10 | 2 | 66 | 120 | 2,03 | 1,36 |  | | on request | | | 03011-2A6 | 5/8-11 | 10 | 3,5 | 24 | 14 | 2,5 | 90 | 180 | 3,95 | 2,95 |  | | on request | |
|
Other items in this category |
|
|