|
|
|
29004 inchTube clamps cross aluminium - inch |
go back |
|
Item description/product images |
|
|
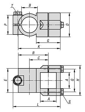
DescriptionMaterial:Cast aluminium. Screws and nuts steel.Version:Vibratory ground. Screws and nuts electro zinc-plated.Note:The dimensions for A and B are in inches, all other dimensions are in mm.On request:Clamping levers for tightening.Special features: DownloadHere is all the information as a PDF datasheet:
Are you looking for CAD data? These can be found directly in the product table.
|
Order No. | A | B | C | D | E | G | H | K | L | P | Q | R | S | T | CAD | Acc. | Price | Order |
|---|
| 29004-5CSCS | 1 | 1 | 33 | 45 | 45 | 40 | 62 | 76 | 86 | 33 | 46 | 55 | M8x35 | M8x35 |  | | on request | |
Other items in this category |
|
|