|
|
|
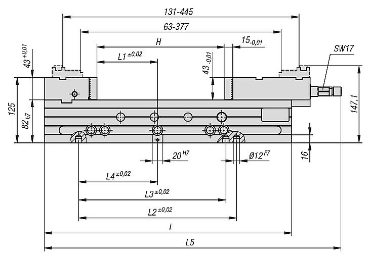
41091NC 夹具,钳口宽度 125 mm |
返回 |
|
|
产品说明材料:主体和夹钳支架材质为渗碳钢。规格:经硬化和打磨处理。特征:NC 夹具可灵活应用于各种夹紧任务: - 重复精度等于/小于 0.01 mm - 可牢固夹持在各个方向 (X,Y,Z) - 垂直用于机床工作台 - 通过阶梯卡爪增大了夹紧范围 - 侧面可调整位置,带 63 mm 和 100 mm 槽间距的固定孔 - 通过锁紧销钉可快速预设夹紧范围 - 基本配置带有两个转动螺丝压板和一个手摇柄特点: 下载此处为收集信息的 PDF:
查找 CAD 数据?请直接在产品列表中查找。
|
| 订货号 | B | L | L1 | L2 | L3 | L4 | L5 | H 夹紧范围 | 重量 kg | CAD | 配件 | 价格 | 订购 |
|---|
| 41091-125470 | 125 | 470 | 115 | 300 | 280 | 150 | 564 | 0-239 | 38 |  | | 根据要求 | |
|
|