|
|
|
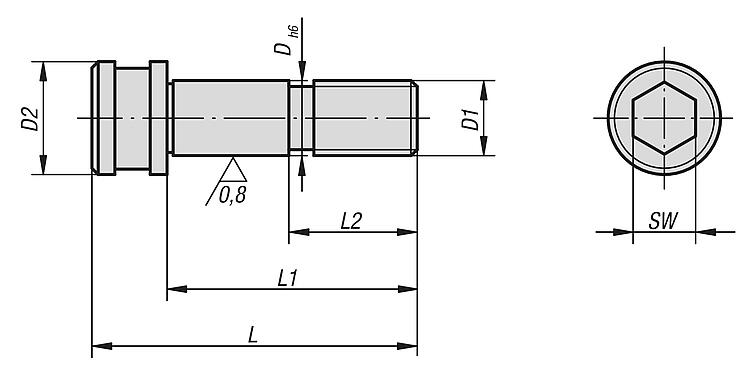
42212UNILOCK 5 轴轴肩螺栓,系统尺寸 80 mm |
返回 |
|
|
产品说明材料:调制钢。规格:表面经硬化处理。 精密尺寸磨削处理。提示:UNILOCK 5 轴轴肩螺栓适用于夹紧和定位用于固定工件的夹紧销。此外,还可用于定位和固定基本模块。 下载此处为收集信息的 PDF:
查找 CAD 数据?请直接在产品列表中查找。
|
订货号 | D
| D1 | D2 | L | L1 | L2 | SW | 锁紧扭矩 max. Nm | CAD | 配件 | 价格 | 订购 |
|---|
| 42212-12050 | 12 | M12 | 17,9 | 62 | 50 | 22 | 10 | 75 |  | | 根据要求 | | | 42212-16055 | 16 | M16 | 20,9 | 70 | 55 | 24 | 10 | 100 |  | | 根据要求 | |
|
|