norelem 使用 Cookies 以优化设计和持续改进网页。您通过继续使用网页,同意使用 Cookies。在我们的
数据保护声明
中可以找到有关 Cookies 主题的详细信息。
同意
全球分布
创意
AGB
版权说明
数据保护
产品
企业信息
服务
下载
新闻
联系方式
产品概览
固定
灵活的标准件系统
装配
装配系统
运动
用于机床和设备制造的系统/组件
检查
量具检具组件
夹紧
夹紧技术
控制和调节
电动机构
输送
输送和移动技术
technoshop
norelem inch
英制产品目录
01850
灰口铸铁四面弯板 带 T 型槽
返回
产品
产品概览
灵活的标准件系统
板件、 圆盘、 板材、 弯板、 四面弯板
四面弯板
灰口铸铁四面弯板 带 T 型槽
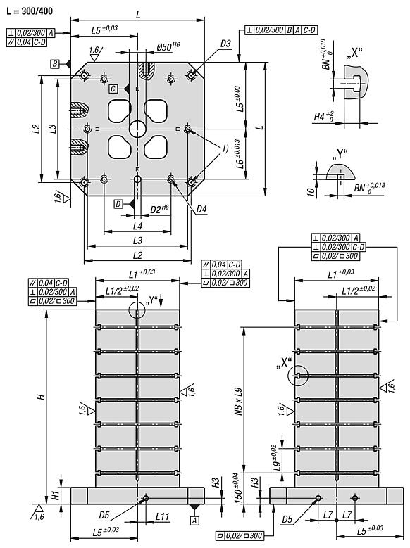
商品描述/产品说明
产品说明
材料:
GJL 300.
规格:
支撑面和夹紧面经高精度加工处理。
提示:
带 T 型槽的四面弯板用于在卧式机床上以模块化方式搭建夹具。
纵向与横向精确的凹槽间距确保了夹紧作业极高的重复精度。
四面弯板适配于 DIN55201 和 JIS6337-1980 标准机床的机台。
用于将工装板插在 DIN 55201 机台上的定位销,须另行订购。
供货清单包括用于吊装的环形螺栓。
应要求提供其他尺寸。
图纸提示:
1) 内六角螺栓的通孔 DIN 912 (D3/D4)
特点:
下载
此处为收集信息的 PDF:
查找 CAD 数据?请直接在产品列表中查找。
Datasheet 01850 灰口铸铁四面弯板 带 T 型槽
416 kB
定位基础元件的技术资料
1,6 MB
图纸
商品选择/筛选
订货号
L
H
H4
H1
D2
D3
D4
D5
H3
L1
L2
L3
L4
L5
L6
L7
L9
L11
BN=槽宽
NB=装配孔数量
CAD
配件
价格
订购
01850-314040050
400
500
23
50
20
M16
M12
M16
18
250
320
300
200
200
150
55
100
25
14
3
根据要求
01850-314040065
400
650
23
50
20
M16
M12
M16
18
250
320
300
200
200
150
55
100
25
14
4
根据要求
01850-314050060
500
600
23
50
20
M16
M12
M16
18
300
400
200
-
250
200
75
100
25
14
4
根据要求
01850-314050075
500
750
23
50
20
M16
M12
M16
18
300
400
200
-
250
200
75
100
25
14
5
根据要求
01850-314063070
630
700
30
50
25
M16
M16
M16
18
350
500
400
-
315
200
100
125
25
14
4
根据要求
01850-314063085
630
850
23
50
25
M16
M16
M16
18
350
500
400
-
315
200
100
125
25
14
5
根据要求
01850-314080080
800
800
23
50
25
M16
M16
M16
18
500
640
600
400
400
300
135
150
25
14
4
根据要求
01850-314080100
800
1000
23
50
25
M16
M16
M16
18
500
640
600
400
400
300
135
150
25
14
5
根据要求
01850-314100100
1000
1000
23
55
25
M20
M20
M16
18
600
800
200
-
500
400
165
160
25
14
5
根据要求
01850-314100125
1000
1250
23
55
25
M20
M20
M16
18
600
800
200
-
500
400
165
160
25
14
6
根据要求
01850-318040050
400
500
30
50
20
M16
M12
M16
18
250
320
300
200
200
150
55
100
25
18
3
根据要求
01850-318040065
400
650
30
50
20
M16
M12
M16
18
250
320
300
200
200
150
55
100
25
18
4
根据要求
01850-318050060
500
600
30
50
20
M16
M12
M16
18
300
400
200
-
250
200
75
100
25
18
4
根据要求
01850-318050075
500
750
30
50
20
M16
M12
M16
18
300
400
200
-
250
200
75
100
25
18
5
根据要求
01850-318063070
630
700
30
50
25
M16
M16
M16
18
350
500
400
-
315
200
100
125
25
18
4
根据要求
01850-318063085
630
850
30
50
25
M16
M16
M16
18
350
500
400
-
315
200
100
125
25
18
5
根据要求
01850-318080080
800
800
30
50
25
M16
M16
M16
18
500
640
600
400
400
300
135
150
25
18
4
根据要求
01850-318080100
800
1000
30
50
25
M16
M16
M16
18
500
640
600
400
400
300
135
150
25
18
5
根据要求
01850-318100100
1000
1000
30
55
25
M20
M20
M16
18
600
800
200
-
500
400
165
160
25
18
5
根据要求
01850-318100125
1000
1250
30
55
25
M20
M20
M16
18
600
800
200
-
500
400
165
160
25
18
6
根据要求
本类目的其他商品
<<
|
<
|
1-10
|
11-14
|
>
|
>>
01850
四面弯板
01850
灰口铸铁四面弯板
带预加工夹紧面
01850
灰口铸铁四面弯板
带栅格孔
01852
夹紧方形座,灰口铸铁
01854
灰口铸铁 4 面塔式夹具
带预加工夹紧面
01854
灰口铸铁 4 面塔式夹具
带栅格孔
01854-10
灰铸铁四面夹具塔式,带网格孔 用于多个夹紧系统
01855
灰口铸铁 6 面塔式夹具
带预加工夹紧面
01855
灰口铸铁 6 面塔式夹具
带栅格孔
01856
灰口铸铁 8 面塔式夹具
带预加工夹紧面
<<
|
<
|
1-10
|
11-14
|
>
|
>>
我的 norelem
E-Mail
密码
忘记密码
首次登陆
购物车
商品数量:
0
总数:
0.00
€
点击购物车
欢迎扫描二维码
咨询诺瑞朗官方客服微信
Algérie
Andorra
Argentina
Australia
België
Bolivia
Bosna i Hercegovina
Brasil
Canada
Česká republika
Chile
中国
Colombia
Costa Rica
Cuba
Danmark
Dem. Peop. Rep. of Korea
Deutschland
Ecuador
Eesti
España
Georgia
香港
Hrvatska
India
Ireland
Ísland
Italia
Jamaica
日本
Latvija
Liechtenstein
Lietuvos
Luxemburg
Magyarország
Malaysia
Malta
México
Nederland
New Zealand
Norge
Österreich
Pakistan
Paraguay
Perú
Polska
Portugal
Principauté de Monaco
台灣
Rep. di San Marino
대한민국
România
Schweiz
Singapore
Slovenija
Slovensko
South Africa
Suomi
Sverige
Türkiye
United Kingdom
United States of America
Uruguay
Venezuela
Việt Nam
Ελλάδα
Κύπρος
Беларусь
България
Република Србија
Россия
Србија и Црна Гора
Україна
ישראל
الامارات العربية المتحدة
السعودية
ايران
مصر
ประเทศไทย
Chinese
English
苏ICP备20011289号-1
苏公网安备32058502011222
网页地图
打印
推荐
Top
Copyright © 2025 norelem. 保留所有权利。
电话 +49 71 45/206-44 至 45 · 传真 +49 71 45/206-83