norelem 使用 Cookies 以优化设计和持续改进网页。您通过继续使用网页,同意使用 Cookies。在我们的
数据保护声明
中可以找到有关 Cookies 主题的详细信息。
同意
全球分布
创意
AGB
版权说明
数据保护
产品
企业信息
服务
下载
新闻
联系方式
产品概览
固定
灵活的标准件系统
装配
装配系统
运动
用于机床和设备制造的系统/组件
检查
量具检具组件
夹紧
夹紧技术
控制和调节
电动机构
输送
输送和移动技术
technoshop
norelem inch
英制产品目录
01640
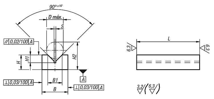
V形支座,灰口铸铁或铝制
返回
产品
产品概览
灵活的标准件系统
板件、 圆盘、 板材、 弯板、 四面弯板
板材
V形支座,灰口铸铁或铝制
商品描述/产品说明
产品说明
材料:
GJL 250 经退火处理,或者 EN AW-7075。
提示:
其长度 L 通过锯切进行加工,
并且提供一定的加工余量。
图纸提示:
加工面:±0.25 mm
长度公差:
≤200 mm:+3/+10
从 201 mm 至 590 mm:+8/+15
≥600 mm:+20/+50
特点:
下载
此处为收集信息的 PDF:
查找 CAD 数据?请直接在产品列表中查找。
Datasheet 01640 V形支座,灰口铸铁或铝制
187 kB
图纸
商品概述(精简)
商品选择/筛选
订货号
灰口铸铁
订货号
铝制
L = 长度
B
B1
H
H1
H2
D
max.
S
筛选
01640-01X
01640-201X
100/200
25
15,5
16
8,5
30
18
2
01640-02X
01640-202X
100/200
36
21,9
20
11
38
24
2
01640-03X
01640-203X
100/200
40
26
25
13,5
47
29
2,5
01640-04X
01640-204X
200/300/600
50
31,7
36
17
66
38
2,5
01640-05X
01640-205X
200/300/600
70
50
50
26
95
58
3
01640-06X
01640-206X
200/300/600
100
79,3
70
41
139
90
4
本类目的其他商品
<<
|
<
|
1-10
|
11-11
|
>
|
>>
01380
L 形型材,等腰,灰口铸铁或铝制
01440
L 形型材,不等腰,灰口铸铁或铝制
01520
L 形型材,带加强筋,灰口铸铁
01560
H 形型材,灰口铸铁或铝制
01580
T 形型材,灰口铸铁或铝制
01660
V形支座,超宽型,灰口铸铁
01680
U 形型材,灰口铸铁或铝制
01740
中空方形型材,灰口铸铁
01760
中空矩形型材,灰口铸铁
01780
60°角板材 ,灰口铸铁
<<
|
<
|
1-10
|
11-11
|
>
|
>>
我的 norelem
E-Mail
密码
忘记密码
首次登陆
购物车
商品数量:
0
总数:
0.00
€
点击购物车
欢迎扫描二维码
咨询诺瑞朗官方客服微信
Algérie
Andorra
Argentina
Australia
België
Bolivia
Bosna i Hercegovina
Brasil
Canada
Česká republika
Chile
中国
Colombia
Costa Rica
Cuba
Danmark
Dem. Peop. Rep. of Korea
Deutschland
Ecuador
Eesti
España
Georgia
香港
Hrvatska
India
Ireland
Ísland
Italia
Jamaica
日本
Latvija
Liechtenstein
Lietuvos
Luxemburg
Magyarország
Malaysia
Malta
México
Nederland
New Zealand
Norge
Österreich
Pakistan
Paraguay
Perú
Polska
Portugal
Principauté de Monaco
台灣
Rep. di San Marino
대한민국
România
Schweiz
Singapore
Slovenija
Slovensko
South Africa
Suomi
Sverige
Türkiye
United Kingdom
United States of America
Uruguay
Venezuela
Việt Nam
Ελλάδα
Κύπρος
Беларусь
България
Република Србија
Россия
Србија и Црна Гора
Україна
ישראל
الامارات العربية المتحدة
السعودية
ايران
مصر
ประเทศไทย
Chinese
English
苏ICP备20011289号-1
苏公网安备32058502011222
网页地图
打印
推荐
Top
Copyright © 2025 norelem. 保留所有权利。
电话 +49 71 45/206-44 至 45 · 传真 +49 71 45/206-83