norelem 使用 Cookies 以优化设计和持续改进网页。您通过继续使用网页,同意使用 Cookies。在我们的数据保护声明中可以找到有关 Cookies 主题的详细信息。同意
夹紧套, DIN 173-1
08926

夹紧套, DIN 173-1

返回

商品描述/产品说明

产品说明材料:弹簧夹头 1.0711。
内六角螺栓,钢制。
规格:黑色氧化弹簧夹头镀锌圆柱头螺丝。提示:随供了内六角螺栓 DIN 912。
08926-081X12 弹簧夹头光滑。
特点:
RoHS
下载此处为收集信息的 PDF:

查找 CAD 数据?请直接在产品列表中查找。
 Datasheet 08926 夹紧套, DIN 173-1 287 kB

图纸

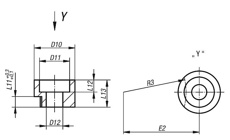
夹紧套, DIN 173-1

商品选择/筛选

订货号D12适用钻套
(D1)
D10D11L11L12L13E2R3圆柱头内六角
螺栓
DIN 912
CAD配件价格订购
08926-051X085,1至 6.0131034813,29,5M5x16 根据要求
08926-061X106,1从6.0到 12.01612451019,715M6x20 根据要求
08926-081X128,1从12.0到30.020155,551236,230M8x25 根据要求

关于本商品的说明

DIN 173 夹紧衬套 第 1 部分

如果您的工作中要使用插式钻套, 我们建议您购买 DIN 173 夹紧衬套。它们用于保护插式钻套,因此可简化工具工作。除了 1.0711 夹紧衬套,我们还提供不锈钢材料的 DIN 912 圆柱头螺钉,因此您无需单独购买这种圆柱头螺钉来实现夹紧衬套的功能性。我们提供 M5x16, M6x20 和 M8x25 几种尺寸供您选购。

借助这种夹紧衬套,可保护您的插式钻套,并确保机器使用时的安全性。它具有以下三种规格:内径不超过 6mm,6 至 12 mm,以及 12 至 30 mm。

我的 norelemE-Mail密码
购物车
商品数量: 0
总数: 0.00  
点击购物车
欢迎扫描二维码
咨询诺瑞朗官方客服微信
中国
苏ICP备20011289号-1  苏公网安备32058502011222 网页地图 打印 推荐 Top
Copyright © 2025 norelem. 保留所有权利。 电话 +49 71 45/206-44 至 45 · 传真 +49 71 45/206-83