norelem 使用 Cookies 以优化设计和持续改进网页。您通过继续使用网页,同意使用 Cookies。在我们的数据保护声明中可以找到有关 Cookies 主题的详细信息。同意
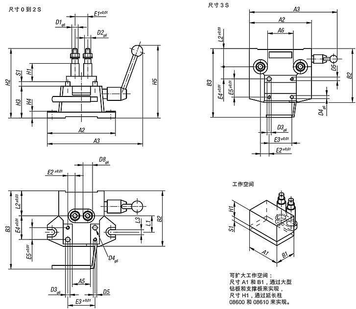
钻孔夹具,规格 0-3 S,DIN 6348,加强型
08550

钻孔夹具,规格 0-3 S,DIN 6348,加强型

返回

商品描述/产品说明

产品说明提示:配件请参见 08570 - 08610 和 08640 - 08710。
受力参数请参见钻孔夹具 DIN 6348 的技术资料。
特点:
RoHS
下载此处为收集信息的 PDF:

查找 CAD 数据?请直接在产品列表中查找。
 Datasheet 08550 钻孔夹具,规格 0-3 S,DIN 6348,加强型 220 kB
 钻孔夹具 DIN 6348 技术资料 276 kB

图纸

钻孔夹具,规格 0-3 S,DIN 6348,加强型

商品概述(精简)

商品选择/筛选
我的 norelemE-Mail密码
购物车
商品数量: 0
总数: 0.00  
点击购物车
欢迎扫描二维码
咨询诺瑞朗官方客服微信
中国
苏ICP备20011289号-1  苏公网安备32058502011222 网页地图 打印 推荐 Top
Copyright © 2025 norelem. 保留所有权利。 电话 +49 71 45/206-44 至 45 · 传真 +49 71 45/206-83