|
|
产品说明材料:钢制。规格:黑色氧化处理。图纸提示:特点: 下载此处为收集信息的 PDF:
查找 CAD 数据?请直接在产品列表中查找。
|
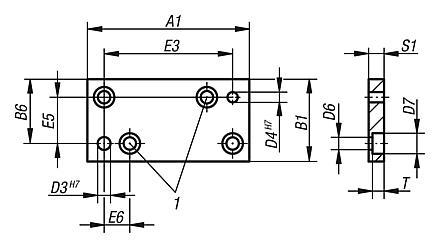
| 订货号 | 适用 钻模规格 | 钻模尺寸 | A1 | B1 | B6 | D3 | D4 | D6 | D7 | E3 | E5 | E6 | S1 | T | CAD | 配件 | 价格 | 订购 |
|---|
| 08580-00 | 0 | 60 x 32 | 63 | 32 | 25 | 4 | 5 | 4,5 | 8 | 50 ±0,01 | 18 ±0,01 | - | 6 | 4,6 |  | | 根据要求 | | | 08580-01 | 1 | 80 x 50 | 80 | 50 | 30 | 10 | 8 | 6,6 | 11 | 60 ±0,01 | 20 ±0,01 | - | 10 | 6,8 |  | | 根据要求 | | | 08580-02 | 2 2S | 100 x 60 100 x 60 x 115 | 100 | 60 | 50 | 10 | 8 | 6,6 | 11 | 80 ±0,01 | 40 ±0,01 | - | 10 | 6,8 |  | | 根据要求 | | | 08580-03 | 3 3S | 100 x 125 125 x 100 | 85 | 125 | 100 | 14 | 10 | 6,6 | 11 | 60 ±0,015 | 75 ±0,015 | - | 10 | 6,8 |  | | 根据要求 | | | 08580-04 | 4 | 200 x 160 | 188 | 160 | 130 | 14 | 10 | 9 | 15 | 150 ±0,015 | 100 ±0,015 | - | 15 | 9 |  | | 根据要求 | | | 08580-05 | 5 | 300 x 190 | 278 | 190 | 157,5 | 20 | - | 9 | 15 | 220 ±0,015 | 125 ±0,015 | - | 15 | 9 |  | | 根据要求 | |
|
|