norelem 使用 Cookies 以优化设计和持续改进网页。您通过继续使用网页,同意使用 Cookies。在我们的
数据保护声明
中可以找到有关 Cookies 主题的详细信息。
同意
全球分布
创意
AGB
版权说明
数据保护
产品
企业信息
服务
下载
新闻
联系方式
产品概览
固定
灵活的标准件系统
装配
装配系统
运动
用于机床和设备制造的系统/组件
检查
量具检具组件
夹紧
夹紧技术
控制和调节
电动机构
输送
输送和移动技术
technoshop
norelem inch
英制产品目录
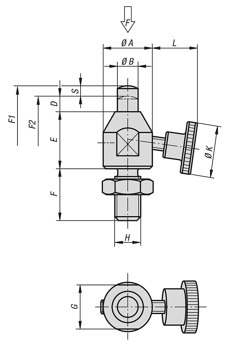
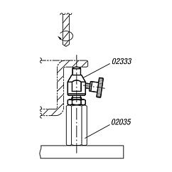
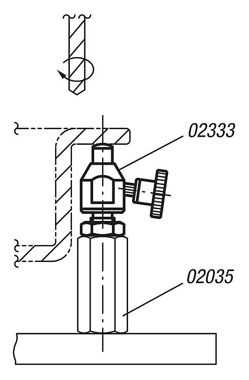
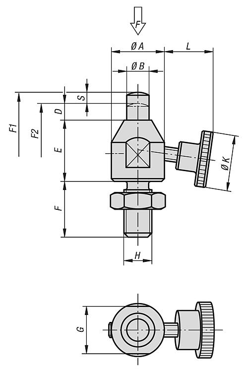
02333
支撑元件,可调节
返回
产品
产品概览
灵活的标准件系统
自适应球头端面、 支脚、 夹紧垫片、 支撑块
支撑块
支撑元件,可调节
商品描述/产品说明
产品说明
材料:
调制钢。
规格:
主体经黑色氧化处理。
定位销经硬化和黑色氧化处理。
特点:
下载
此处为收集信息的 PDF:
查找 CAD 数据?请直接在产品列表中查找。
Datasheet 02333 支撑元件,可调节
244 kB
图纸
商品选择/筛选
订货号
A
B
D
E
F
G
H
K
L
F
N
行程
S
初始位置
弹簧弹力
F1 约 N
终点位置
弹簧弹力
F2 约 N
CAD
配件
价格
订购
02333-08023
15
6
5
18
16
13
M8
20
13,2
200
3
1,5
3
根据要求
02333-10028
19
8
6
22
20
17
M10
25
16,3
300
4
1,8
3
根据要求
02333-12031
22
10
6
25
24
19
M12
28
22,3
400
4
1,8
3
根据要求
本类目的其他商品
<<
|
<
|
1-10
|
11-20
|
21-30
|
31-40
|
41-47
|
>
|
>>
02155
支撑件
02156
不锈钢支撑件
02156-02
锥形附件、棱柱附件、平面附件 用于不锈钢支撑件
02170
螺旋千斤顶,带平垫,钢制
02171
螺旋千斤顶,带平垫,不锈钢
02180
螺旋千斤顶,带平垫,铝制
02182
螺旋千斤顶,带平垫和磁性基座,铝制
02190
Atlas 螺旋千斤顶,带锁紧螺母
02210
球形嵌入件、定心板、棱柱型嵌入件
定位销、带可旋转的顶珠嵌入件
02270
通用型支撑块
<<
|
<
|
1-10
|
11-20
|
21-30
|
31-40
|
41-47
|
>
|
>>
我的 norelem
E-Mail
密码
忘记密码
首次登陆
购物车
商品数量:
0
总数:
0.00
€
点击购物车
欢迎扫描二维码
咨询诺瑞朗官方客服微信
Algérie
Andorra
Argentina
Australia
België
Bolivia
Bosna i Hercegovina
Brasil
Canada
Česká republika
Chile
中国
Colombia
Costa Rica
Cuba
Danmark
Dem. Peop. Rep. of Korea
Deutschland
Ecuador
Eesti
España
Georgia
香港
Hrvatska
India
Ireland
Ísland
Italia
Jamaica
日本
Latvija
Liechtenstein
Lietuvos
Luxemburg
Magyarország
Malaysia
Malta
México
Nederland
New Zealand
Norge
Österreich
Pakistan
Paraguay
Perú
Polska
Portugal
Principauté de Monaco
台灣
Rep. di San Marino
대한민국
România
Schweiz
Singapore
Slovenija
Slovensko
South Africa
Suomi
Sverige
Türkiye
United Kingdom
United States of America
Uruguay
Venezuela
Việt Nam
Ελλάδα
Κύπρος
Беларусь
България
Република Србија
Россия
Србија и Црна Гора
Україна
ישראל
الامارات العربية المتحدة
السعودية
ايران
مصر
ประเทศไทย
Chinese
English
苏ICP备20011289号-1
苏公网安备32058502011222
网页地图
打印
推荐
Top
Copyright © 2025 norelem. 保留所有权利。
电话 +49 71 45/206-44 至 45 · 传真 +49 71 45/206-83