|
|
|
02341支撑元件通过液压方式拧入 单作用,带有弹簧复位 |
返回 |
|
|
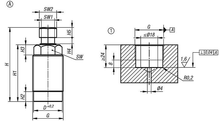
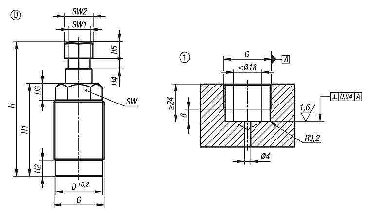
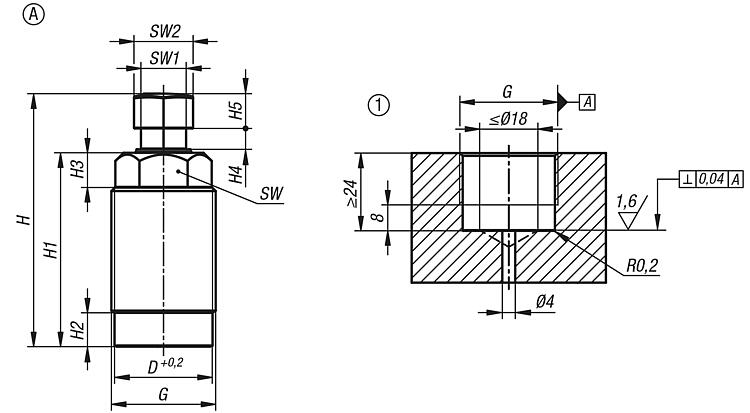
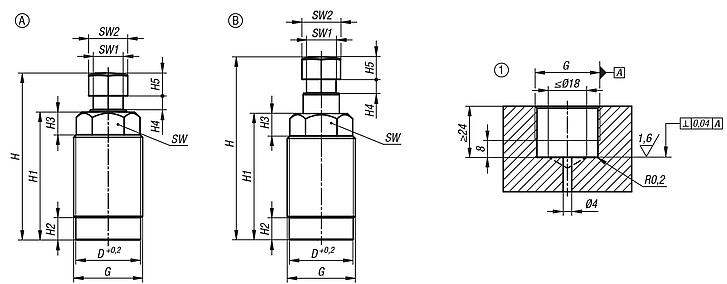
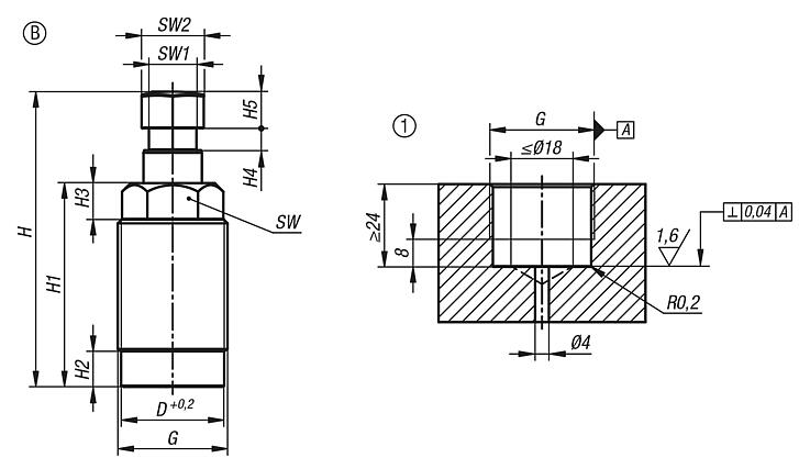
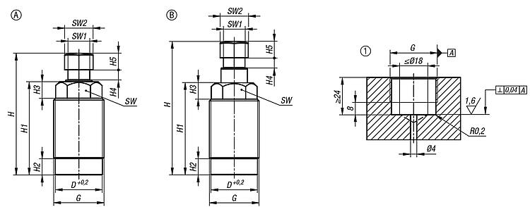
产品说明产品描述:在工件加工过程中,支撑元件可防止工件的振动和偏移。旋入式支撑元件可水平或垂直安装。使用这两种安装方式,可以在夹紧装置中节省空间。 液压夹紧可与液压张紧组合或独立使用。材料:钢制外壳和活塞。规格:外壳经氧化处理。 活塞经硬化处理。提示:A 型,采用液压方式: 在初始位置收缩夹紧螺栓。通过液压系统延伸螺栓,并通过弹簧力放置螺栓。 B 型,采用弹簧方式: 在初始位置延伸夹紧螺栓。采用弹簧方式。
必须遵守允许的负载力。
遵守安全说明。使用说明:钻孔通道。技术参数:- 最大工作压力:500 bar。 - 500 bar 时的允许载荷:9 kN。 - 最小油压:100 bar。 - 最大拧紧扭矩:60 Nm。装配:参见安装轮廓。优点:- 集成的金属刮刀。 - 设备始终由弹簧力驱动。 - 较小的安装尺寸。 - 水平/垂直的安装方式。 - 带有张紧功能的独立/组合夹紧。 - 内置 Kantseal 密封件。供货范围包括 1 个 Kantseal 密封件。图纸提示:特点: 下载此处为收集信息的 PDF:
查找 CAD 数据?请直接在产品列表中查找。
|
支撑元件通过液压方式拧入,A 型,采用液压方式 |
更多信息 |
| 订货号 | 类型 | 活塞直径 | 行程 | 连接方式 | D | G | H | H1 | H2 | H3 | H4 | H5 | SW | SW1 | SW2 | 弹簧力 最小值 (N) | 弹簧弹力 F max. (N) | 体积流量 最大值 (cm³/s) | CAD | 配件 | 价格 | 订购 |
|---|
| 02341-160823061 | A | 16 | 8 | 钻孔通道 | 28,2 | M30x1,5 | 72,5 | 55,5 | 9,5 | 10 | 6 | 10 | 24 | 13 | 17 | 10 | 23 | 25 |  | | 根据要求 | |
|
支撑元件通过液压方式拧入,B 型,采用弹簧方式 |
更多信息 |
| 订货号 | 类型 | 活塞直径 | 行程 | 连接方式 | D | G | H | H1 | H2 | H3 | H4 | H5 | SW | SW1 | SW2 | 弹簧力 最小值 (N) | 弹簧弹力 F max. (N) | CAD | 配件 | 价格 | 订购 |
|---|
| 02341-160823062 | B | 16 | 8 | 钻孔通道 | 28,2 | M30x1,5 | 80,5 | 55,5 | 9,5 | 10 | 6 | 10 | 24 | 13 | 17 | 8 | 13 |  | | 根据要求 | |
|
|
|