norelem 使用 Cookies 以优化设计和持续改进网页。您通过继续使用网页,同意使用 Cookies。在我们的
数据保护声明
中可以找到有关 Cookies 主题的详细信息。
同意
全球分布
创意
AGB
版权说明
数据保护
产品
企业信息
服务
下载
新闻
联系方式
产品概览
固定
灵活的标准件系统
装配
装配系统
运动
用于机床和设备制造的系统/组件
检查
量具检具组件
夹紧
夹紧技术
控制和调节
电动机构
输送
输送和移动技术
technoshop
norelem inch
英制产品目录
02390
偏心支撑柱
返回
产品
产品概览
灵活的标准件系统
自适应球头端面、 支脚、 夹紧垫片、 支撑块
支撑块
偏心支撑柱
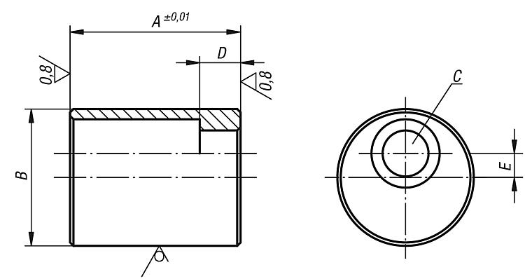
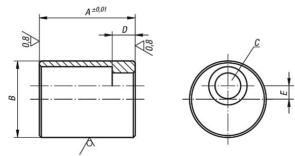
商品描述/产品说明
产品说明
材料:
易切削钢。
规格:
热处理及黑色氧化处理。
支撑面加工处理。
特点:
下载
此处为收集信息的 PDF:
查找 CAD 数据?请直接在产品列表中查找。
Datasheet 02390 偏心支撑柱
144 kB
图纸
商品选择/筛选
订货号
A
B
C
圆柱头螺栓的通孔
DIN 912
D
E
CAD
配件
价格
订购
02390-08016
16
25
M8
7
3,5
根据要求
02390-08020
20
25
M8
7
3,5
根据要求
02390-08025
25
25
M8
7
3,5
根据要求
02390-08032
32
25
M8
7
3,5
根据要求
02390-08040
40
25
M8
7
3,5
根据要求
02390-08050
50
25
M8
7
3,5
根据要求
02390-10020
20
32
M10
9
5
根据要求
02390-10025
25
32
M10
9
5
根据要求
02390-10032
32
32
M10
9
5
根据要求
02390-10040
40
32
M10
9
5
根据要求
02390-10050
50
32
M10
9
5
根据要求
02390-10063
63
32
M10
9
5
根据要求
02390-12020
20
40
M12
7
7
根据要求
02390-12025
25
40
M12
12
7
根据要求
02390-12032
32
40
M12
12
7
根据要求
02390-12040
40
40
M12
12
7
根据要求
02390-12050
50
40
M12
12
7
根据要求
02390-12063
63
40
M12
12
7
根据要求
02390-12080
80
40
M12
22
7
根据要求
02390-12100
100
40
M12
22
7
根据要求
02390-12125
125
40
M12
22
7
根据要求
02390-16025
25
50
M16
8
10
根据要求
02390-16032
32
50
M16
15
10
根据要求
02390-16040
40
50
M16
15
10
根据要求
02390-16050
50
50
M16
15
10
根据要求
02390-16063
63
50
M16
15
10
根据要求
02390-16080
80
50
M16
35
10
根据要求
02390-16100
100
50
M16
35
10
根据要求
02390-16125
125
50
M16
35
10
根据要求
本类目的其他商品
<<
|
<
|
1-10
|
11-20
|
21-30
|
31-40
|
41-47
|
>
|
>>
02155
支撑件
02156
不锈钢支撑件
02156-02
锥形附件、棱柱附件、平面附件 用于不锈钢支撑件
02170
螺旋千斤顶,带平垫,钢制
02171
螺旋千斤顶,带平垫,不锈钢
02180
螺旋千斤顶,带平垫,铝制
02182
螺旋千斤顶,带平垫和磁性基座,铝制
02190
Atlas 螺旋千斤顶,带锁紧螺母
02210
球形嵌入件、定心板、棱柱型嵌入件
定位销、带可旋转的顶珠嵌入件
02270
通用型支撑块
<<
|
<
|
1-10
|
11-20
|
21-30
|
31-40
|
41-47
|
>
|
>>
我的 norelem
E-Mail
密码
忘记密码
首次登陆
购物车
商品数量:
0
总数:
0.00
€
点击购物车
欢迎扫描二维码
咨询诺瑞朗官方客服微信
Algérie
Andorra
Argentina
Australia
België
Bolivia
Bosna i Hercegovina
Brasil
Canada
Česká republika
Chile
中国
Colombia
Costa Rica
Cuba
Danmark
Dem. Peop. Rep. of Korea
Deutschland
Ecuador
Eesti
España
Georgia
香港
Hrvatska
India
Ireland
Ísland
Italia
Jamaica
日本
Latvija
Liechtenstein
Lietuvos
Luxemburg
Magyarország
Malaysia
Malta
México
Nederland
New Zealand
Norge
Österreich
Pakistan
Paraguay
Perú
Polska
Portugal
Principauté de Monaco
台灣
Rep. di San Marino
대한민국
România
Schweiz
Singapore
Slovenija
Slovensko
South Africa
Suomi
Sverige
Türkiye
United Kingdom
United States of America
Uruguay
Venezuela
Việt Nam
Ελλάδα
Κύπρος
Беларусь
България
Република Србија
Россия
Србија и Црна Гора
Україна
ישראל
الامارات العربية المتحدة
السعودية
ايران
مصر
ประเทศไทย
Chinese
English
苏ICP备20011289号-1
苏公网安备32058502011222
网页地图
打印
推荐
Top
Copyright © 2025 norelem. 保留所有权利。
电话 +49 71 45/206-44 至 45 · 传真 +49 71 45/206-83