|
|
|
02395-10用于 T 型槽和栅格系统的转接板 |
返回 |
|
|
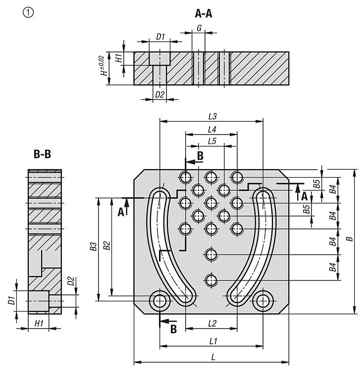
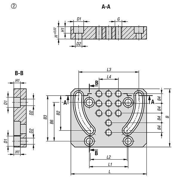
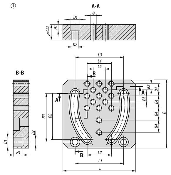
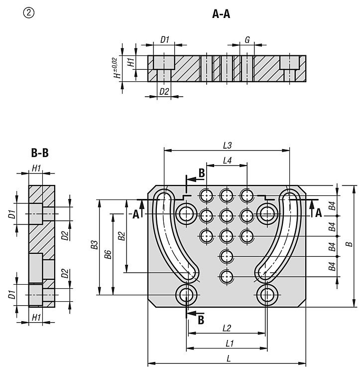
产品说明产品描述:转接板用于通过螺纹孔连接夹具元件。转接板可通过凹槽灵活地安装在机床工作台上或底座上。 材料:渗碳钢。规格:烧制、硬化和研磨。提示:带 M12 螺纹孔的转接板可用于间距为 63、80 和 100 毫米的 T 型槽。
带 M16 螺纹孔的转接板可用于间距为 100 毫米和 125 毫米的 T 型槽。装配:安装方式: 为将转接板安装到 T 型槽上,规定使用带有圆柱头螺丝和 T 型槽螺母的椭圆孔。优点:- 转接板的通用紧固。 - 夹紧装置的灵活定位。附件:圆柱头螺丝 07160. 用于 T 型槽 07060 的螺母。图纸提示:特点: 下载此处为收集信息的 PDF:
查找 CAD 数据?请直接在产品列表中查找。
|
| 订货号 | L | B | H | G | B2 | B3 | B4 | B5 | B6 | D1 | D2 | H1 | L1 | L2 | L3 | L4 | L5 | CAD | 配件 | 价格 | 订购 |
|---|
| 02395-10-1214015032 | 150 | 140 | 32 | M12 | 95 | 100 | 25 | 12,5 | - | 20 | 13 | 13 | 100 | 50 | 100 | 50 | 25 |  | | 根据要求 | | | 02395-10-1615019532 | 195 | 150 | 32 | M16 | 90 | 117,5 | 25 | - | 100 | 26 | 17 | 17 | 100 | 95 | 155 | 50 | - | | | 根据要求 | |
|
|