norelem 使用 Cookies 以优化设计和持续改进网页。您通过继续使用网页,同意使用 Cookies。在我们的数据保护声明中可以找到有关 Cookies 主题的详细信息。同意

商品描述/产品说明

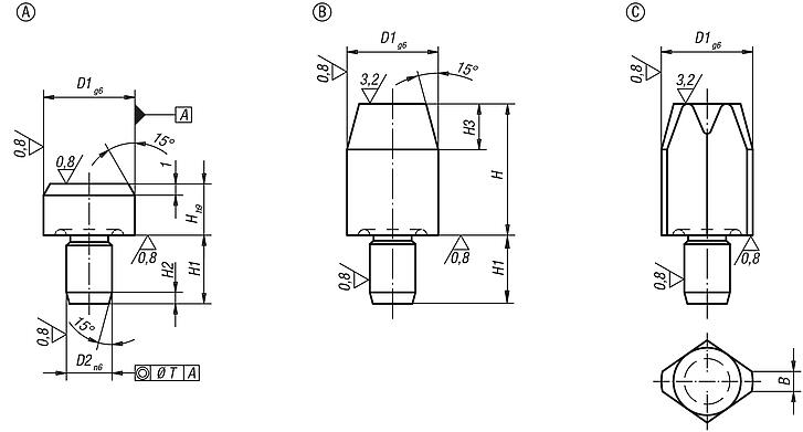
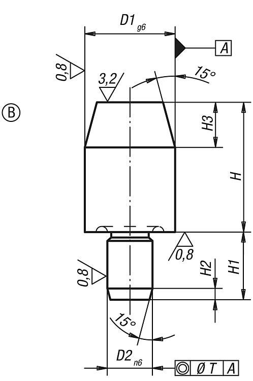
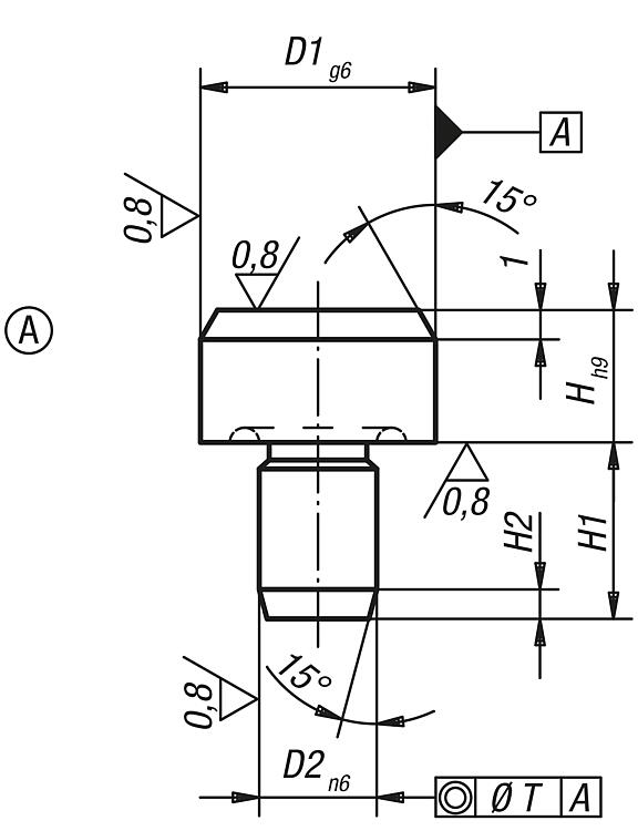
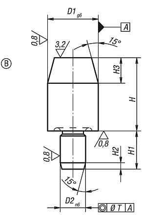
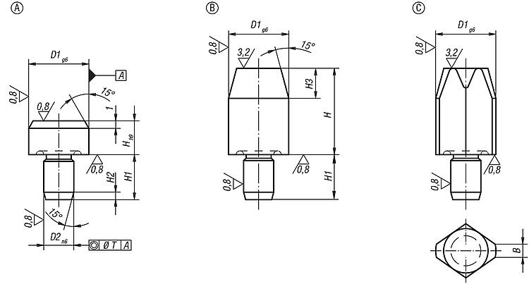
产品说明材料:工具钢。规格:硬化和抛光处理。提示:A 型止动销还用作对工件和夹具的支撑。B 型定位销安装到沉孔用于工件和夹具零件的定位。
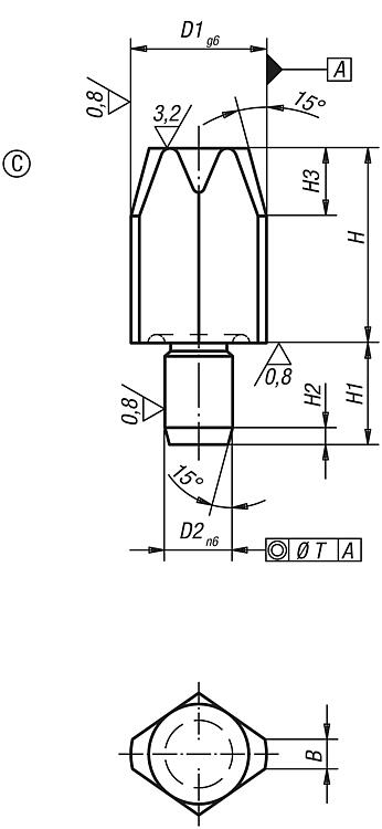
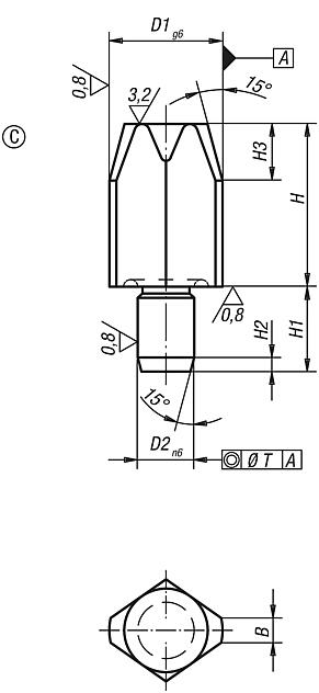
平头的 C 型,则可以用来消除定位孔在距离尺寸方面的偏差,或者仅在一个方向上指定待定位的零件。
A 和 B 型还可以用作经硬化处理的挡块和夹具的支脚。
类似请参见 03120、03130、03140 和 03150。
图纸提示:
A 型:定位销
B 型:圆柱形定位销
C 型:平头定位销

其他尺寸和说明同 A 型。
下载此处为收集信息的 PDF:

查找 CAD 数据?请直接在产品列表中查找。
 Datasheet 02020 定位销和止动销 DIN 6321 292 kB

图片(总概述)

定位销和止动销 DIN 6321

止动销,A 型

更多信息

图纸

止动销,A 型

商品选择/筛选

订货号类型类型 1D1

D2HH1H2TCAD配件价格订购
02020-106A无定心孔64561,20,02 根据要求
02020-110A无定心孔106691,60,02 根据要求
02020-116A无定心孔16881220,04 根据要求
02020-125A无定心孔251210182,50,04 根据要求

圆柱形定位销,B 型

更多信息

图纸

圆柱形定位销,B 型

商品选择/筛选

订货号类型类型 1D1D2HH1H2H3TCAD配件价格订购
02020-206B短型64761,240,02 根据要求
02020-208B短型861091,660,02 根据要求
02020-210B短型1061091,660,02 根据要求
02020-212B短型1261091,660,02 根据要求
02020-216B短型1681312280,04 根据要求
02020-220B短型20121518290,04 根据要求
02020-225B短型251215182,590,04 根据要求
02020-306B加长型641261,240,02 根据要求
02020-308B加长型861691,660,02 根据要求
02020-310B加长型1061891,660,02 根据要求
02020-312B加长型1261891,660,02 根据要求
02020-316B加长型1682212280,04 根据要求
02020-320B加长型20122518290,04 根据要求
02020-325B加长型251225182,590,04 根据要求

平头定位销,C 型

更多信息

图纸

平头定位销,C 型

商品选择/筛选

订货号类型类型 1BD1D2HH1H2H3TCAD配件价格订购
02020-410C短型2,51061091,660,02 根据要求
02020-412C短型2,51261091,660,02 根据要求
02020-416C短型3,51681312280,04 根据要求
02020-420C短型520121518290,04 根据要求
02020-425C短型5251215182,590,04 根据要求
02020-406C短型164761,240,02 根据要求
02020-408C短型1,6861091,660,02 根据要求
02020-510C加长型2,51061891,660,02 根据要求
02020-512C加长型2,51261891,660,02 根据要求
02020-516C加长型3,51682212280,04 根据要求
02020-520C加长型520122518290,04 根据要求
02020-525C加长型5251225182,590,04 根据要求
02020-506C加长型1641261,240,02 根据要求
02020-508C加长型1,6861691,660,02 根据要求
我的 norelemE-Mail密码
购物车
商品数量: 0
总数: 0.00  
点击购物车
欢迎扫描二维码
咨询诺瑞朗官方客服微信
中国
苏ICP备20011289号-1  苏公网安备32058502011222 网页地图 打印 推荐 Top
Copyright © 2025 norelem. 保留所有权利。 电话 +49 71 45/206-44 至 45 · 传真 +49 71 45/206-83