|
|
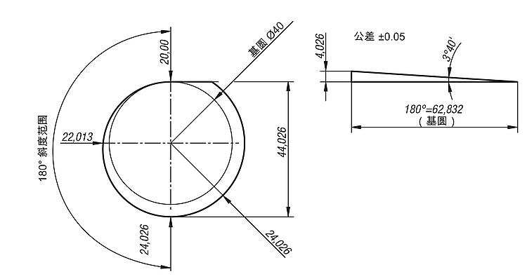
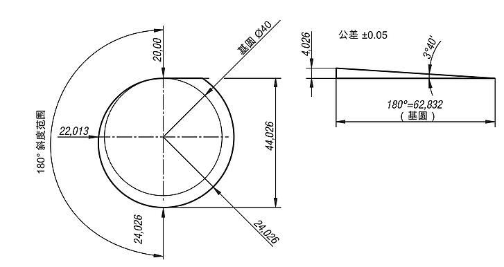
产品说明材料:渗碳钢 1.7131(型钢)。规格:锯切经去毛边处理, 对中心进行了样冲标记, 对螺旋起点和终点进行了标记。提示:螺旋偏心轮用于自锁型夹紧或固定。 可实现机械、气动或液压方式的操作中心轴或者侧面固定的摇杆进行操作。如果压力下降,则会有自锁作用。这样,在进行气动和液压夹紧的时候可获得明显更佳的操作安全性。特点: 下载此处为收集信息的 PDF:
查找 CAD 数据?请直接在产品列表中查找。
|
订货号 | 基圆 Ø | 厚度 | CAD | 配件 | 价格 | 订购 |
|---|
| 04360-14 | 40 | 14 |  | | 根据要求 | | | 04360-20 | 40 | 20 |  | | 根据要求 | |
|
|