norelem 使用 Cookies 以优化设计和持续改进网页。您通过继续使用网页,同意使用 Cookies。在我们的数据保护声明中可以找到有关 Cookies 主题的详细信息。同意
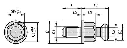
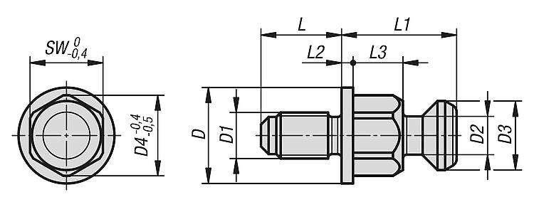
止动螺栓 适用于可自动化操作的拉力夹具
04401-05

止动螺栓 适用于可自动化操作的拉力夹具

返回

商品描述/产品说明

产品说明材料:调制钢。规格:热处理及黑色氧化处理。附件:04401 可自动化操作的拉力夹具。特点:
RoHS
下载此处为收集信息的 PDF:

查找 CAD 数据?请直接在产品列表中查找。
 Datasheet 04401-05 止动螺栓 适用于可自动化操作的拉力夹具 275 kB

图纸

止动螺栓 适用于可自动化操作的拉力夹具

商品选择/筛选

订货号D

D1D2D3D4LL1L2L3SWCAD配件价格订购
04401-05-1001825M10101821183031319 根据要求
04401-05-1202125M12101821213031319 根据要求
04401-05-1602825M16101821283031319 根据要求
我的 norelemE-Mail密码
购物车
商品数量: 0
总数: 0.00  
点击购物车
欢迎扫描二维码
咨询诺瑞朗官方客服微信
中国
苏ICP备20011289号-1  苏公网安备32058502011222 网页地图 打印 推荐 Top
Copyright © 2025 norelem. 保留所有权利。 电话 +49 71 45/206-44 至 45 · 传真 +49 71 45/206-83