|
|
|
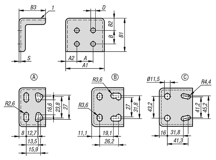
05880-01钢制角形托架,镀锌和钝化处理,适用于快速夹头 |
返回 |
|
|
产品说明材料:钢制。规格:镀锌和钝化处理。图纸提示:特点: 下载此处为收集信息的 PDF:
查找 CAD 数据?请直接在产品列表中查找。
|
订货号 | 类型 | A | A1 | A2 | B | B1 | B2 | B3 | D
| S | CAD | 配件 | 价格 | 订购 |
|---|
| 05880-01-02 | A | 18 | 43 | 12,5 | 15 | 37 | 13,5 | 29,5 | 5,3 | 2 |  | | 根据要求 | | | 05880-01-04 | B | 25,4 | 54 | 14,3 | 19,1 | 41,5 | 12 | 44,5 | 5,5 | 3 |  | | 根据要求 | | | 05880-01-06 | C | 44 | 76 | 16 | 32 | 62 | 21 | 66 | 8,5 | 4 |  | | 根据要求 | |
|
|