norelem 使用 Cookies 以优化设计和持续改进网页。您通过继续使用网页,同意使用 Cookies。在我们的数据保护声明中可以找到有关 Cookies 主题的详细信息。同意

商品描述/产品说明

产品说明材料:钢板 DD11 1.0332规格:钢件镀锌。
轴销热处理。
耐油塑料把手。
提示:配件参见 05200 - 05280
下载此处为收集信息的 PDF:

查找 CAD 数据?请直接在产品列表中查找。
 Datasheet 05130 快速夹钳 水平压紧式直底座 203 kB
 快速夹钳技术资料 250 kB

图纸

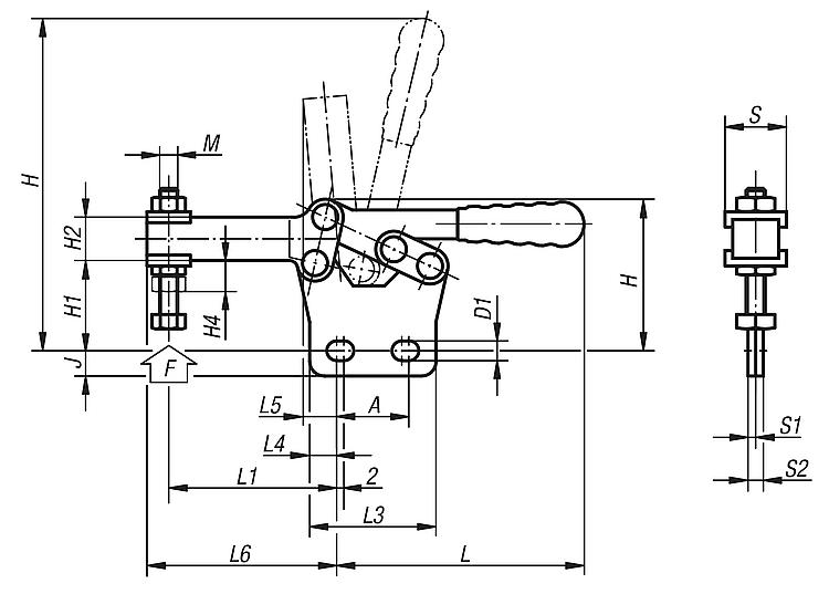
快速夹钳 水平压紧式直底座

商品选择/筛选

订货号

LL1
min.
L1
max.
L3L4L5L6H
min.
H
max.
H1H2H4A
min.
A
max.
M=压杆D1JSS1S2F
kN
塑料把手

CAD配件价格订购
05130-05761839357,59,5444287241291620M5x356714240,805200-200  根据要求
05130-061062651458,511,56058124361410,52428M6x4866,51736105200-205  根据要求
05130-0814034745513,519827415446,516142428M8x607820362,305200-210  根据要求
05130-10172,540906510,52010096205652016,54044M10x7099233,573,505200-215  根据要求
05130-1221554113801825,51301122607324194044M12x8091226484,605200-220  根据要求
我的 norelemE-Mail密码
购物车
商品数量: 0
总数: 0.00  
点击购物车
欢迎扫描二维码
咨询诺瑞朗官方客服微信
中国
苏ICP备20011289号-1  苏公网安备32058502011222 网页地图 打印 推荐 Top
Copyright © 2025 norelem. 保留所有权利。 电话 +49 71 45/206-44 至 45 · 传真 +49 71 45/206-83