norelem 使用 Cookies 以优化设计和持续改进网页。您通过继续使用网页,同意使用 Cookies。在我们的
数据保护声明
中可以找到有关 Cookies 主题的详细信息。
同意
全球分布
创意
AGB
版权说明
数据保护
产品
企业信息
服务
下载
新闻
联系方式
产品概览
固定
灵活的标准件系统
装配
装配系统
运动
用于机床和设备制造的系统/组件
检查
量具检具组件
夹紧
夹紧技术
控制和调节
电动机构
输送
输送和移动技术
technoshop
norelem inch
英制产品目录
06621
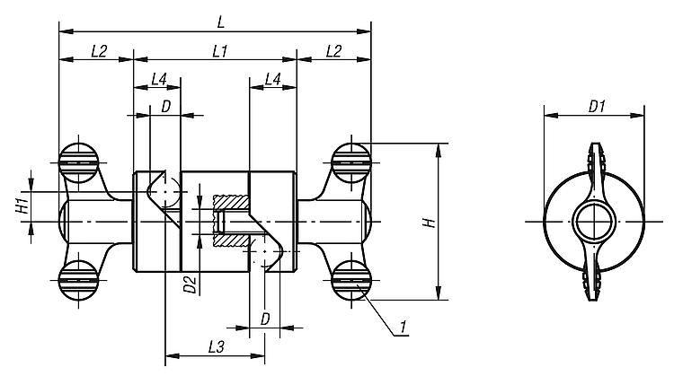
夹紧接头 单独可调
返回
产品
产品概览
灵活的标准件系统
操作部件
夹紧接头
夹紧接头 单独可调
商品描述/产品说明
产品说明
材料:
蝶形旋钮:
把手部分,热塑性塑料,黑灰色。
螺栓,钢制 5.8。
剩余部件:
高强度铝材。
规格:
钢制件,经蓝色钝化处理。
铝制,镍银阳极氧化。
提示:
用于夹紧圆形截面(棒材、管材等)时使用,并且是互相独立和无级可调的。
特意简化了的结构与 蝶形旋钮相结合,便可以实现快速夹紧。
图纸提示:
1) 蝶形旋钮
特点:
下载
此处为收集信息的 PDF:
查找 CAD 数据?请直接在产品列表中查找。
Datasheet 06621 夹紧接头 单独可调
222 kB
图纸
商品选择/筛选
订货号
D
D1
D2
H
H1
L
L1
L2
L3
L4
CAD
配件
价格
订购
06621-01
8
28
M8
50
8,5
90
42
24
24
13
根据要求
06621-02
10
32
M8
50
9,5
100
52
24
32
15
根据要求
06621-03
12
36
M8
50
10,5
104
56
24
34
17
根据要求
06621-04
16
45
M10
75
13,5
143,2
72
35,6
44
22
根据要求
06621-05
20
74
M10
75
22
173,2
102
35,6
62
30
根据要求
本类目的其他商品
06620
夹紧接头
06622
多用连接件
我的 norelem
E-Mail
密码
忘记密码
首次登陆
购物车
商品数量:
0
总数:
0.00
€
点击购物车
欢迎扫描二维码
咨询诺瑞朗官方客服微信
Algérie
Andorra
Argentina
Australia
België
Bolivia
Bosna i Hercegovina
Brasil
Canada
Česká republika
Chile
中国
Colombia
Costa Rica
Cuba
Danmark
Dem. Peop. Rep. of Korea
Deutschland
Ecuador
Eesti
España
Georgia
香港
Hrvatska
India
Ireland
Ísland
Italia
Jamaica
日本
Latvija
Liechtenstein
Lietuvos
Luxemburg
Magyarország
Malaysia
Malta
México
Nederland
New Zealand
Norge
Österreich
Pakistan
Paraguay
Perú
Polska
Portugal
Principauté de Monaco
台灣
Rep. di San Marino
대한민국
România
Schweiz
Singapore
Slovenija
Slovensko
South Africa
Suomi
Sverige
Türkiye
United Kingdom
United States of America
Uruguay
Venezuela
Việt Nam
Ελλάδα
Κύπρος
Беларусь
България
Република Србија
Россия
Србија и Црна Гора
Україна
ישראל
الامارات العربية المتحدة
السعودية
ايران
مصر
ประเทศไทย
Chinese
English
苏ICP备20011289号-1
苏公网安备32058502011222
网页地图
打印
推荐
Top
Copyright © 2025 norelem. 保留所有权利。
电话 +49 71 45/206-44 至 45 · 传真 +49 71 45/206-83