|
|
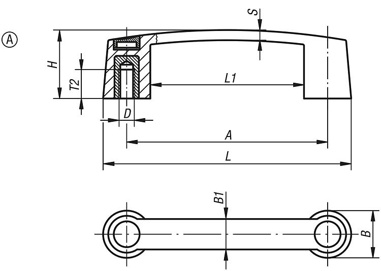
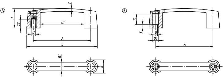
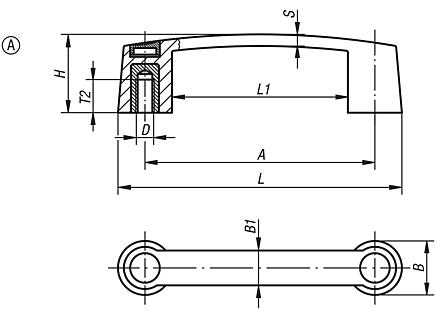
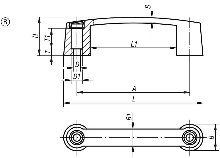
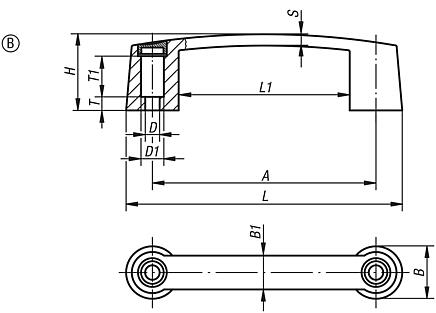
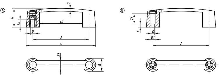
产品说明材料:热塑性塑料。 螺纹轴套,黄铜。规格:把手和盖子为黑色。装配:背面安装 A 型。 正面安装 B 型。根据要求:其他把手和盖子颜色。特点: 下载此处为收集信息的 PDF:
查找 CAD 数据?请直接在产品列表中查找。
|
| 订货号 | 类型 | A | B | B1 | D
| H | L | L1 | S | T2 | 负载能力 N | CAD | 配件 | 价格 | 订购 |
|---|
| 06902-109406 | A | 93,5 | 26 | 17 | M6 | 35 | 119,5 | 67,5 | 5,8 | 15,5 | 320 |  | | 根据要求 | | | 06902-111706 | A | 117 | 29 | 19 | M6 | 40 | 145 | 89 | 6,4 | 15,5 | 320 |  | | 根据要求 | | | 06902-111708 | A | 117 | 29 | 19 | M8 | 40 | 145 | 89 | 6,4 | 16 | 870 |  | | 根据要求 | | | 06902-113206 | A | 132 | 31 | 20 | M6 | 45 | 163 | 101 | 6,7 | 15,5 | 320 |  | | 根据要求 | | | 06902-113208 | A | 132 | 31 | 20 | M8 | 45 | 163 | 101 | 6,7 | 16 | 870 |  | | 根据要求 | | | 06902-117910 | A | 179 | 35 | 22 | M10 | 50 | 213 | 145 | 7,1 | 22 | 1200 |  | | 根据要求 | |
|
| 订货号 | 类型 | A | B | B1 | D
| D1 | H | L | L1 | S | T | T1 | 负载能力 N | CAD | 配件 | 价格 | 订购 |
|---|
| 06902-209406 | B | 93,5 | 26 | 17 | 6,8 | 12 | 35 | 119,5 | 67,5 | 5,8 | 4,5 | 19 | 500 |  | | 根据要求 | | | 06902-211708 | B | 117 | 29 | 19 | 8,5 | 13,5 | 40 | 145 | 89 | 6,4 | 8 | 23 | 950 |  | | 根据要求 | | | 06902-213208 | B | 132 | 31 | 20 | 8,5 | 13,5 | 45 | 163 | 101 | 6,7 | 8 | 22 | 950 |  | | 根据要求 | | | 06902-217908 | B | 179 | 35 | 22 | 8,5 | 13,5 | 50 | 213 | 145 | 7,1 | 12 | 22 | 950 |  | | 根据要求 | |
|
|
|