norelem 使用 Cookies 以优化设计和持续改进网页。您通过继续使用网页,同意使用 Cookies。在我们的数据保护声明中可以找到有关 Cookies 主题的详细信息。同意
带塑料手柄的不锈钢管状把手
06942

带塑料手柄的不锈钢管状把手

返回

商品描述/产品说明

查看/筛选所有商品
产品说明材料:

把手支脚,热塑性塑料,玻璃珠增强型。
连接管,不锈钢 1.4301。
嵌入件,不锈钢 1.4305。

规格:具有精细结构的把手支脚,黑色。
连接管经精细打磨。
嵌入件经精细车削处理。
提示:连接管通过锁紧栓销与塑料支脚紧密配合。
通过 O 型圈实现防溅水密封。
通过不同的紧固嵌入件,可以从正面、后面或中间位置安装。
带通孔嵌入件的交付时配不锈钢固定件。
带锥形嵌入件的交付时不含固定件。
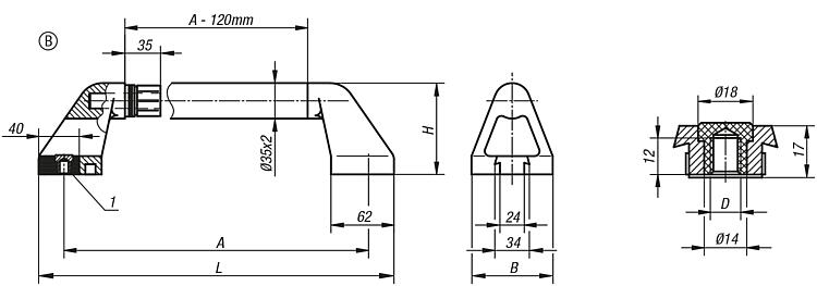
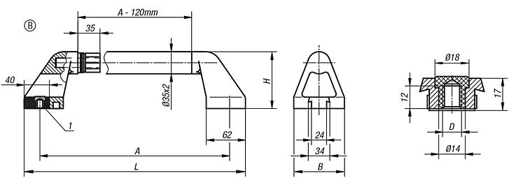
图纸提示:
A 型: 螺栓头嵌入件
B 型: 螺纹嵌入件

1) 螺栓头嵌入件 (A) 或螺纹嵌入件 (B)。
特点:
不锈钢RoHS
下载此处为收集信息的 PDF:

查找 CAD 数据?请直接在产品列表中查找。
 Datasheet 06942 带塑料手柄的不锈钢管状把手 192 kB

图片(总概述)

带塑料手柄的不锈钢管状把手

带塑料手柄的不锈钢管状把手,带螺栓头嵌入件

更多信息

图纸

带塑料手柄的不锈钢管状把手,带螺栓头嵌入件

商品选择/筛选

订货号

类型ABD

HL负载能力
N
CAD配件价格订购
06942-300101A3008011903501000 根据要求
06942-350101A3508011904001000 根据要求
06942-400101A4008011904501000 根据要求
06942-500101A5008011905501000 根据要求
06942-600101A6008011906501000 根据要求

带塑料手柄的不锈钢管状把手,带螺纹嵌入件

更多信息

图纸

带塑料手柄的不锈钢管状把手,带螺纹嵌入件

商品选择/筛选

订货号

类型ABD

HL负载能力
N
CAD配件价格订购
06942-300102B30080M10903501000 根据要求
06942-350102B35080M10904001000 根据要求
06942-500102B50080M10905501000 根据要求
06942-600102B60080M10906501000 根据要求
我的 norelemE-Mail密码
购物车
商品数量: 0
总数: 0.00  
点击购物车
欢迎扫描二维码
咨询诺瑞朗官方客服微信
中国
苏ICP备20011289号-1  苏公网安备32058502011222 网页地图 打印 推荐 Top
Copyright © 2025 norelem. 保留所有权利。 电话 +49 71 45/206-44 至 45 · 传真 +49 71 45/206-83