norelem 使用 Cookies 以优化设计和持续改进网页。您通过继续使用网页,同意使用 Cookies。在我们的数据保护声明中可以找到有关 Cookies 主题的详细信息。同意

商品描述/产品说明

查看/筛选所有商品
产品说明材料:

不锈钢 1.4542。

规格:经硬化处理。提示:固定衬套可安全快速地插入顶上销。它们可在不同的载体材料中提供简单且过程安全的安装。也可用于薄壁部件和盲孔。
该型号适用情况为,在拧入后需要一个平整面。
它们耐腐蚀、耐磨损。
附件:可调端孔扳手 96651。特点:
不锈钢RoHS
下载此处为收集信息的 PDF:

查找 CAD 数据?请直接在产品列表中查找。
 Datasheet 07781 顶上销固定衬套不锈钢,平头 294 kB

图片(总概述)

顶上销固定衬套不锈钢,平头

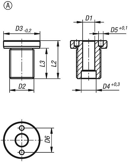
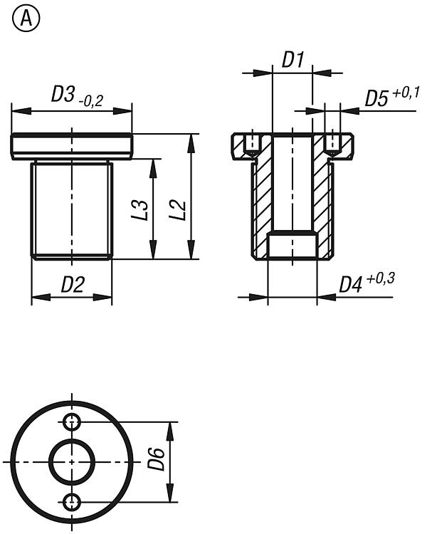
球形拉销的固定衬套,不锈钢,平头, A 型

更多信息

图纸

球形拉销的固定衬套,不锈钢,平头, A 型

商品选择/筛选

订货号类型D1

D2D3D4D5D6L1L2L3X锁紧扭矩
Nm
CAD配件价格订购
07781-10810A8M16x1,5249,83,1161025201,575 根据要求
07781-10815A8M16x1,5249,83,1161525201,575 根据要求
07781-10825A8M16249,83,1162535301,575 根据要求
07781-10835A8M16249,83,1163545401,575 根据要求
07781-11015A10M20x1,52812,25,1201530241,5100 根据要求
07781-11025A10M20x1,52812,25,1202535291,5100 根据要求
07781-11035A10M202812,25,1203545391,5100 根据要求
07781-11050A10M202812,25,1205060541,5100 根据要求
07781-11215A12M24x1,53214,75,1221532261,5150 根据要求
07781-11225A12M24x1,53214,75,1222540341,5150 根据要求
07781-11625A16M30x23919,25,1302545391,5200 根据要求

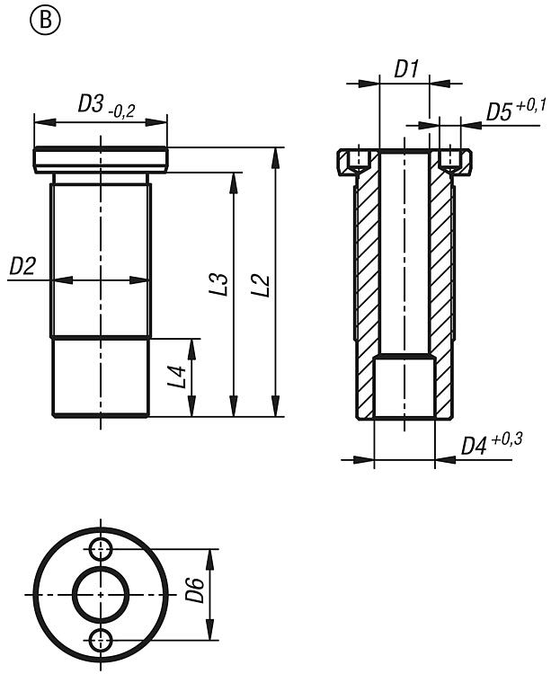
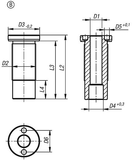
球形拉销的固定衬套,不锈钢,平头, B 型

更多信息

图纸

球形拉销的固定衬套,不锈钢,平头, B 型

商品选择/筛选

订货号类型D1

D2D3D4D5D6L1L2L3L4X锁紧扭矩
Nm
CAD配件价格订购
07781-11235B12M243214,75,1223550443,81,5150 根据要求
07781-11250B12M243214,75,12250655918,81,5150 根据要求
07781-11650B16M303919,25,13050655961,5200 根据要求
07781-11675B16M303919,25,130759084311,5200 根据要求
07781-12050B20M36x243265,1305070633,51,5200 根据要求
07781-12075B20M36x243265,13075958828,51,5200 根据要求
我的 norelemE-Mail密码
购物车
商品数量: 0
总数: 0.00  
点击购物车
欢迎扫描二维码
咨询诺瑞朗官方客服微信
中国
苏ICP备20011289号-1  苏公网安备32058502011222 网页地图 打印 推荐 Top
Copyright © 2025 norelem. 保留所有权利。 电话 +49 71 45/206-44 至 45 · 传真 +49 71 45/206-83