norelem 使用 Cookies 以优化设计和持续改进网页。您通过继续使用网页,同意使用 Cookies。在我们的数据保护声明中可以找到有关 Cookies 主题的详细信息。同意

商品描述/产品说明

产品说明材料:

不锈钢销 1.4542。
不锈钢吊钩 1.4571。
不锈钢螺纹元件 1.4542。
铝制压紧旋钮。
不锈钢弹簧。

规格:沉淀硬化销。
沉淀硬化螺纹元件。
压紧旋钮,橙色氧化。
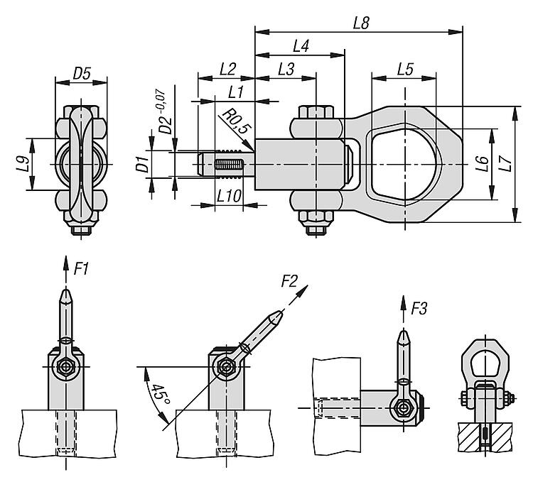
提示:螺纹支撑销是一种快速简便的承载元件,带有可移动的吊钩。
按下压紧旋钮后,螺纹部分可以解锁,螺纹支撑销可以插入螺纹孔或从螺纹孔中取出。松开压紧旋钮则可以锁紧螺纹部分。这样,就无需像使用吊环螺栓那样,费时地拧入和拧出。

吊钩可旋转 180°。吊钩中的安全杆可保护压紧旋钮,防止直拉时意外松动。

使用的先决条件为螺纹孔符合标准并具有相应的材料强度。

每个螺纹支撑销均附有详细的操作说明书。

防腐蚀和耐气候性。

经 TÜV 认证。

规格 X 最小值、F1、F2 和 F3 按照 DIN EN 13155 标准进行测试,测试负载相当于额定负载的 3 倍。
温度范围:最大 +250 °C。装配:安装:
1. 长按按钮。
2. 插入螺纹支撑销。
3. 松开按钮(按钮必须
回到起始位置)。
4. 用手拧紧螺纹支撑销,直至
其完全处于支撑表面上。
5. 必须确保
螺纹部分与
定位螺纹啮合。

拆除:
1. 逆时针方向
拧下螺纹支撑销
约四分之一圈。
2. 长按按钮。
3. 拔出螺纹支撑销。
4. 松开按钮。
特点:
不锈钢RoHS
下载此处为收集信息的 PDF:

查找 CAD 数据?请直接在产品列表中查找。
 Datasheet 07785-01 螺纹支撑销,自锁,不锈钢 399 kB

图纸

螺纹支撑销,自锁,不锈钢

商品选择/筛选

订货号D1

D2D5L1L2L3L4L5L6L7L8L9L10F1
kN
F2
kN
F3
kN
CAD配件价格订购
07785-01-08M86,6221,51217,825,73627304987,521,582,10,90,8 根据要求
07785-01-10M108,3521,5142025,73627304987,521,5103,91,51,5 根据要求
07785-01-12M1210,0721,5172425,73627304987,521,5126,22,52,3 根据要求
07785-01-16M1613,821,5172425,73627304987,521,5128,44,54,2 根据要求
07785-01-20M2017,2530223036,55232,63656114261716,67,75,8 根据要求
07785-01-24M2420,7362736426050,649,88215236222311,18,6 根据要求
我的 norelemE-Mail密码
购物车
商品数量: 0
总数: 0.00  
点击购物车
欢迎扫描二维码
咨询诺瑞朗官方客服微信
中国
苏ICP备20011289号-1  苏公网安备32058502011222 网页地图 打印 推荐 Top
Copyright © 2025 norelem. 保留所有权利。 电话 +49 71 45/206-44 至 45 · 传真 +49 71 45/206-83