norelem 使用 Cookies 以优化设计和持续改进网页。您通过继续使用网页,同意使用 Cookies。在我们的数据保护声明中可以找到有关 Cookies 主题的详细信息。同意

商品描述/产品说明

产品说明材料:钢或不锈钢 (A 2)。

螺纹锁紧尼龙。
规格:钢制 强度等级8.8,黑色。
不锈钢 A2-70,亮色。
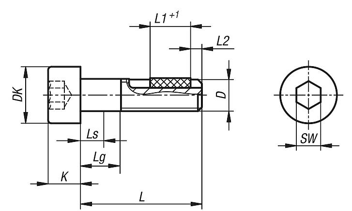
图纸提示:
L2 = 约两个螺距
下载此处为收集信息的 PDF:

查找 CAD 数据?请直接在产品列表中查找。
 Datasheet 07160 内六角螺钉 DIN EN ISO 4762,带螺纹锁 160 kB
 强度等级 294 kB
 固定件标准概览 980 kB

图纸

内六角螺钉 DIN EN ISO 4762,带螺纹锁

商品选择/筛选

订货号材料D

LLs
最小
Lg
最大
DKKL1SW旋紧扭矩
约 Nm
旋松扭矩
约 Nm
CAD配件价格订购
07160-804X10钢制M41002,174530,150,22 根据要求
07160-804X12钢制M41202,174530,150,22 根据要求
07160-804X16钢制M41602,174630,150,22 根据要求
07160-804X20钢制M42002,174730,150,22 根据要求
07160-804X25钢制M42502,174730,150,22 根据要求
07160-805X10钢制M51002,48,55540,250,1 根据要求
07160-805X12钢制M51202,48,55640,250,1 根据要求
07160-805X16钢制M51602,48,55740,250,1 根据要求
07160-805X20钢制M52002,48,55740,250,1 根据要求
07160-805X25钢制M52502,48,55840,250,1 根据要求
07160-805X30钢制M530488,55840,250,1 根据要求
07160-805X40钢制M54014188,55840,250,1 根据要求
07160-806X10钢制M61003106550,450,25 根据要求
07160-806X12钢制M61203106650,450,25 根据要求
07160-806X16钢制M61603106750,450,25 根据要求
07160-806X20钢制M62003106750,450,25 根据要求
07160-806X25钢制M62503106850,450,25 根据要求
07160-806X30钢制M63003106850,450,25 根据要求
07160-806X35钢制M635611106850,450,25 根据要求
07160-806X40钢制M6401116106850,450,25 根据要求
07160-806X45钢制M6451621106850,450,25 根据要求
07160-806X50钢制M6502126106850,450,25 根据要求
07160-808X16钢制M81603,75138760,80,4 根据要求
07160-808X20钢制M82003,75138860,80,4 根据要求
07160-808X25钢制M82503,75138860,80,4 根据要求
07160-808X30钢制M83003,75138860,80,4 根据要求
07160-808X35钢制M83503,751381060,80,4 根据要求
07160-808X40钢制M8405,75121381060,80,4 根据要求
07160-808X45钢制M84510,75171381060,80,4 根据要求
07160-810X25钢制M102504,516101081,70,9 根据要求
07160-810X30钢制M103004,516101081,70,9 根据要求
07160-810X40钢制M104004,516101281,70,9 根据要求
07160-810X50钢制M105010,51816101281,70,9 根据要求
07160-812X30钢制M123005,25181210101,80,9 根据要求
07160-812X40钢制M124005,25181212101,80,9 根据要求
07160-812X50钢制M125005,25181212101,80,9 根据要求
07160-904X10不锈钢 A2M41002,174530,150,22 根据要求
07160-904X12不锈钢 A2M41202,174530,150,22 根据要求
07160-904X16不锈钢 A2M41602,174630,150,22 根据要求
07160-904X20不锈钢 A2M42002,174730,150,22 根据要求
07160-904X25不锈钢 A2M42502,174730,150,22 根据要求
07160-905X10不锈钢 A2M51002,48,55540,250,1 根据要求
07160-905X12不锈钢 A2M51202,48,55640,250,1 根据要求
07160-905X16不锈钢 A2M51602,48,55740,250,1 根据要求
07160-905X20不锈钢 A2M52002,48,55740,250,1 根据要求
07160-905X25不锈钢 A2M52502,48,55840,250,1 根据要求
07160-905X30不锈钢 A2M530488,55840,250,1 根据要求
07160-905X40不锈钢 A2M54014188,55840,250,1 根据要求
07160-906X10不锈钢 A2M61003106550,450,25 根据要求
07160-906X12不锈钢 A2M61203106650,450,25 根据要求
07160-906X16不锈钢 A2M61603106750,450,25 根据要求
07160-906X20不锈钢 A2M62003106750,450,25 根据要求
07160-906X25不锈钢 A2M62503106850,450,25 根据要求
07160-906X30不锈钢 A2M63003106850,450,25 根据要求
07160-906X35不锈钢 A2M635611106850,450,25 根据要求
07160-906X40不锈钢 A2M6401116106850,450,25 根据要求
07160-906X45不锈钢 A2M6451621106850,450,25 根据要求
07160-906X50不锈钢 A2M6502126106850,450,25 根据要求
07160-908X16不锈钢 A2M81603,75138760,80,4 根据要求
07160-908X20不锈钢 A2M82003,75138860,80,4 根据要求
07160-908X25不锈钢 A2M82503,75138860,80,4 根据要求
07160-908X30不锈钢 A2M83003,75138860,80,4 根据要求
07160-908X35不锈钢 A2M83503,751381060,80,4 根据要求
07160-908X40不锈钢 A2M8405,75121381060,80,4 根据要求
07160-908X45不锈钢 A2M84510,75171381060,80,4 根据要求
07160-910X25不锈钢 A2M102504,516101081,70,9 根据要求
07160-910X30不锈钢 A2M103004,516101081,70,9 根据要求
07160-910X40不锈钢 A2M104004,516101281,70,9 根据要求
07160-910X50不锈钢 A2M105010,51816101281,70,9 根据要求
07160-912X30不锈钢 A2M123006181210101,80,9 根据要求
07160-912X40不锈钢 A2M124006181212101,80,9 根据要求
07160-912X50不锈钢 A2M125006181212101,80,9 根据要求
我的 norelemE-Mail密码
购物车
商品数量: 0
总数: 0.00  
点击购物车
欢迎扫描二维码
咨询诺瑞朗官方客服微信
中国
苏ICP备20011289号-1  苏公网安备32058502011222 网页地图 打印 推荐 Top
Copyright © 2025 norelem. 保留所有权利。 电话 +49 71 45/206-44 至 45 · 传真 +49 71 45/206-83