norelem 使用 Cookies 以优化设计和持续改进网页。您通过继续使用网页,同意使用 Cookies。在我们的数据保护声明中可以找到有关 Cookies 主题的详细信息。同意

商品描述/产品说明

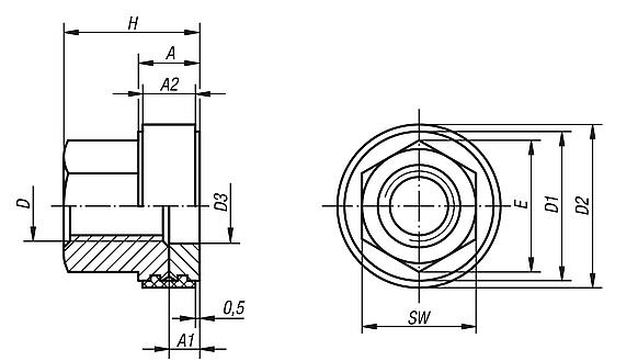
产品说明材料:螺母及垫圈 调质钢。
固定环 PA6,黑色。
规格:螺母及垫圈经硬化及黑色氧化处理。
螺母强度等级10。
优点:六角螺母和垫圈装配在一起,整体提供。
- 结构紧凑。
- 垫圈通过固定环和六角螺母紧固连接。
- 相比专用卡紧、垫圈、法兰等其他昂贵的紧固方式,这种防松垫圈结构更具经济性。
- 采购优势:最小订货量从2个降为1个。
图纸提示:
1) 六角螺母
2) 固定环
3) 垫圈
下载此处为收集信息的 PDF:

查找 CAD 数据?请直接在产品列表中查找。
 Datasheet 07242 六角螺母 带防松垫圈 272 kB
 强度等级 294 kB

图纸

六角螺母 带防松垫圈
六角螺母 带防松垫圈

商品选择/筛选

订货号

D

AA1A2D1D2D3EHSWCAD配件价格订购
07242-08M873,561718,68,51515,513 根据要求
07242-10M108472122,710,518,51916 根据要求
07242-12M128472425,712,520,82218 根据要求
07242-16M161059303216,527,72924 根据要求
07242-20M2012611363820,534,63630 根据要求
07242-24M2412611444624,541,64236 根据要求
我的 norelemE-Mail密码
购物车
商品数量: 0
总数: 0.00  
点击购物车
欢迎扫描二维码
咨询诺瑞朗官方客服微信
中国
苏ICP备20011289号-1  苏公网安备32058502011222 网页地图 打印 推荐 Top
Copyright © 2025 norelem. 保留所有权利。 电话 +49 71 45/206-44 至 45 · 传真 +49 71 45/206-83