norelem 使用 Cookies 以优化设计和持续改进网页。您通过继续使用网页,同意使用 Cookies。在我们的数据保护声明中可以找到有关 Cookies 主题的详细信息。同意

商品描述/产品说明

产品说明产品描述:专为食品加工领域中的应用而研发的 Hygienic DESIGN 螺栓系统。尤为重要的是清洁优化的几何形状和 Ra ≤ 0.8 µm 的表面粗糙度。预装的密封环完善了整个包装,更加快捷简便地使用产品。材料:

六角螺母:不锈钢 1.4404。
密封环:EU10/2011 和符合 FDA 标准的热塑性塑料 (POM)。

规格:六角螺母:不锈钢经抛光处理或未经抛光处理。
密封环:RAL 5002 - 深蓝青 (POM)。
提示:理想情况下,密封圈的支撑面必须平坦且与螺栓孔成直角,表面粗糙度 Ra≤0.8µm。
密封圈不适用于酸性清洗(pH 值<4)和氧化剂。
温度范围:-20 °C 至 +100 °C (POM)。优点:预组装、可更换的密封环。
符合食品要求的材料。
清洁优化的几何形状。
根据要求:特殊类型。注意:用户必须检查 Hygienic DESIGN 螺纹套管接头是否适合各自的应用。应根据负载和外界影响(温度、清洁介质、产品介质)定期检查密封环,必要时进行更换。附件:密封环 07301。
带密封环的不锈钢六角螺栓 07170-11。
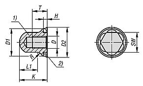
螺纹规格:M4 - M16。供货范围六角螺母含密封环。图纸提示:
1) 六角螺母
2) 密封环
特点:
不锈钢
下载此处为收集信息的 PDF:

查找 CAD 数据?请直接在产品列表中查找。
 Datasheet 07280-11 带密封圈的不锈钢六角螺母 Hygienic DESIGN 230 kB

图纸

带密封圈的不锈钢六角螺母 Hygienic DESIGN

商品选择/筛选

订货号主体
表面
D

D1D2HKL1RSWTCAD配件价格订购
07280-11-1104经抛光处理M41011,25211,15,9374,8 根据要求
07280-11-1105经抛光处理M51213,25213,17,4386 根据要求
07280-11-1106经抛光处理M61415,742,515,19,13107,2 根据要求
07280-11-1108经抛光处理M81819,742,518,111,73139,6 根据要求
07280-11-1110经抛光处理M102223,742,522,11541612 根据要求
07280-11-1112经抛光处理M122628,25325,116,151814,4 根据要求
07280-11-1116经抛光处理M163537,25332,121,862419,2 根据要求
07280-11-2104未经抛光处理M41011,25211,15,9374,8 根据要求
07280-11-2105未经抛光处理M51213,25213,17,4386 根据要求
07280-11-2106未经抛光处理M61415,742,515,19,13107,2 根据要求
07280-11-2108未经抛光处理M81819,742,518,111,73139,6 根据要求
07280-11-2110未经抛光处理M102223,742,522,11541612 根据要求
07280-11-2112未经抛光处理M122628,25325,116,151814,4 根据要求
07280-11-2116未经抛光处理M163537,25332,121,862419,2 根据要求
我的 norelemE-Mail密码
购物车
商品数量: 0
总数: 0.00  
点击购物车
欢迎扫描二维码
咨询诺瑞朗官方客服微信
中国
苏ICP备20011289号-1  苏公网安备32058502011222 网页地图 打印 推荐 Top
Copyright © 2025 norelem. 保留所有权利。 电话 +49 71 45/206-44 至 45 · 传真 +49 71 45/206-83