norelem 使用 Cookies 以优化设计和持续改进网页。您通过继续使用网页,同意使用 Cookies。在我们的数据保护声明中可以找到有关 Cookies 主题的详细信息。同意

商品描述/产品说明

产品说明材料:弹簧钢或不锈钢 1.4122。规格:弹簧钢,磷化。
不锈钢,亮色。
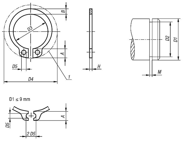
提示:DIN 471卡簧可以装在轴槽中。能提供较大的轴向力,起阻止轴上零件(例如:轴承)轴向运动的作用。图纸提示:
1) 安装空间

2) 根据 DIN 标准,开口设计不一定要符合图示 D1≤9mm。以表中标注的尺寸为准。
特点:
RoHS
下载此处为收集信息的 PDF:

查找 CAD 数据?请直接在产品列表中查找。
 Datasheet 07330 轴用卡簧 DIN 471 209 kB
 固定件标准概览 980 kB

图纸

轴用卡簧 DIN 471

商品概述(精简)

商品选择/筛选
订货号主体
材料
ABD1D2D3D4D5HMCAD配件价格订购
07330-030400钢制1,90,832,82,7710,40,5 根据要求
07330-040400钢制2,20,943,83,78,610,40,5 根据要求
07330-050600钢制2,51,154,84,710,310,60,7 根据要求
07330-060700钢制2,71,365,75,611,71,20,70,8 根据要求
07330-070800钢制3,11,476,76,513,51,20,80,9 根据要求
07330-080800钢制3,21,587,67,414,71,20,80,9 根据要求
07330-091000钢制3,31,798,68,4161,211,1 根据要求
07330-101000钢制3,31,8109,69,3171,511,1 根据要求
07330-121000钢制3,31,81211,511191,711,1 根据要求
07330-141000钢制3,52,11413,412,921,41,711,1 根据要求
07330-151000钢制3,62,21514,313,822,61,711,1 根据要求
07330-161000钢制3,72,21615,214,723,81,711,1 根据要求
07330-171000钢制3,82,31716,215,7251,711,1 根据要求
07330-181200钢制3,92,4181716,526,221,21,3 根据要求
07330-191200钢制3,92,5191817,527,221,21,3 根据要求
07330-201200钢制42,6201918,528,421,21,3 根据要求
07330-221200钢制4,22,8222120,530,821,21,3 根据要求
07330-241200钢制4,432422,922,233,221,21,3 根据要求
07330-251200钢制4,432523,923,234,221,21,3 根据要求
07330-261200钢制4,53,12624,924,235,521,21,3 根据要求
07330-281500钢制4,73,22826,625,937,921,51,6 根据要求
07330-301500钢制53,53028,627,940,521,51,6 根据要求
07330-321500钢制5,23,63230,329,6432,51,51,6 根据要求
07330-351500钢制5,63,9353332,246,82,51,51,6 根据要求
07330-381750钢制5,84,2383635,250,22,51,751,85 根据要求
07330-401750钢制64,44037,536,552,62,51,751,85 根据要求
07330-451750钢制6,74,74542,541,559,12,51,751,85 根据要求
07330-471750钢制6,84,94744,543,5-2,51,751,85 根据要求
07330-502000钢制6,95,1504745,864,52,522,15 根据要求
07330-552000钢制7,25,4555250,870,22,522,15 根据要求
07330-602000钢制7,45,8605755,875,62,522,15 根据要求
07330-752500钢制8,47757270,592,732,52,65 根据要求
07330-040401不锈钢2,20,943,83,78,610,40,5 根据要求
07330-050601不锈钢2,51,154,84,710,310,60,7 根据要求
07330-060701不锈钢2,71,365,75,611,71,20,70,8 根据要求
07330-070801不锈钢3,11,476,76,513,51,20,80,9 根据要求
07330-080801不锈钢3,21,587,67,414,71,20,80,9 根据要求
07330-091001不锈钢3,31,798,68,4161,211,1 根据要求
07330-101001不锈钢3,31,8109,69,3171,511,1 根据要求
07330-121001不锈钢3,31,81211,511191,711,1 根据要求
07330-141001不锈钢3,52,11413,412,921,41,711,1 根据要求
07330-151001不锈钢3,62,21514,313,822,61,711,1 根据要求
07330-161001不锈钢3,72,21615,214,723,81,711,1 根据要求
07330-171001不锈钢3,82,31716,215,7251,711,1 根据要求
07330-181201不锈钢3,92,4181716,526,221,21,3 根据要求
07330-191201不锈钢3,92,5191817,527,221,21,3 根据要求
07330-201201不锈钢42,6201918,528,421,21,3 根据要求
07330-221201不锈钢4,22,8222120,530,821,21,3 根据要求
07330-241201不锈钢4,432422,922,233,221,21,3 根据要求
07330-251201不锈钢4,432523,923,234,221,21,3 根据要求
07330-261201不锈钢4,53,12624,924,235,521,21,3 根据要求
07330-281501不锈钢4,73,22826,625,937,921,51,6 根据要求
07330-301501不锈钢53,53028,627,940,521,51,6 根据要求
07330-321501不锈钢5,23,63230,329,6432,51,51,6 根据要求
07330-351501不锈钢5,63,9353332,246,82,51,51,6 根据要求
07330-381751不锈钢5,84,2383635,250,22,51,751,85 根据要求
07330-401751不锈钢64,44037,536,552,62,51,751,85 根据要求
07330-451751不锈钢6,74,74542,541,559,12,51,751,85 根据要求
07330-502001不锈钢6,95,1504745,864,52,522,15 根据要求
07330-552001不锈钢7,25,4555250,870,22,522,15 根据要求
07330-602001不锈钢7,45,8605755,875,62,522,15 根据要求
07330-752501不锈钢8,47757270,592,732,52,65 根据要求

关于本商品的说明

我的 norelemE-Mail密码
购物车
商品数量: 0
总数: 0.00  
点击购物车
欢迎扫描二维码
咨询诺瑞朗官方客服微信
中国
苏ICP备20011289号-1  苏公网安备32058502011222 网页地图 打印 推荐 Top
Copyright © 2025 norelem. 保留所有权利。 电话 +49 71 45/206-44 至 45 · 传真 +49 71 45/206-83