norelem 使用 Cookies 以优化设计和持续改进网页。您通过继续使用网页,同意使用 Cookies。在我们的数据保护声明中可以找到有关 Cookies 主题的详细信息。同意

商品描述/产品说明

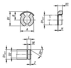
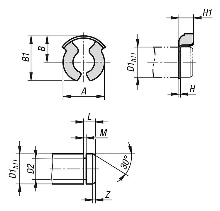
产品说明材料:弹簧钢。规格:镀锌。提示:KL 保险装置可防止带有沟槽或凹槽的轴、车轴和销发生轴向拉脱。适用于需要更频繁、快速释放的连接。

无论是否使用安装工具,都能快速、方便地进行装配和拆卸。
附件:销带有放置轴用卡簧的环槽,适用于叉头 27621-01。特点:
RoHS
下载此处为收集信息的 PDF:

查找 CAD 数据?请直接在产品列表中查找。
 Datasheet 07332-05 KL 钢制保险装置 189 kB

图纸

KL 钢制保险装置

商品选择/筛选

订货号

ABB1D1D2HH1LMZCAD配件价格订购
07332-05-04076,64,37,243,20,42,820,640,5 根据要求
07332-05-05087,55,28,4540,52,82,50,740,5 根据要求
07332-05-061110,66,811,25650,53,530,741 根据要求
07332-05-081211,57,411,9860,54,53,50,940,5 根据要求
07332-05-101615,59,516,31080,65,94,51,051 根据要求
07332-05-121716,810,5181290,66,35,51,151 根据要求
07332-05-141919,212,22014100,76,85,51,251,25 根据要求
07332-05-162322,714,32416-1812-130,87,65,5-61,351,5 根据要求
07332-05-243434193420-2516-1919,85,5-6,51,91,5 根据要求
我的 norelemE-Mail密码
购物车
商品数量: 0
总数: 0.00  
点击购物车
欢迎扫描二维码
咨询诺瑞朗官方客服微信
中国
苏ICP备20011289号-1  苏公网安备32058502011222 网页地图 打印 推荐 Top
Copyright © 2025 norelem. 保留所有权利。 电话 +49 71 45/206-44 至 45 · 传真 +49 71 45/206-83